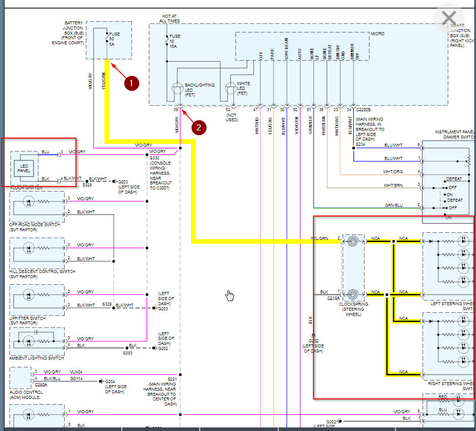
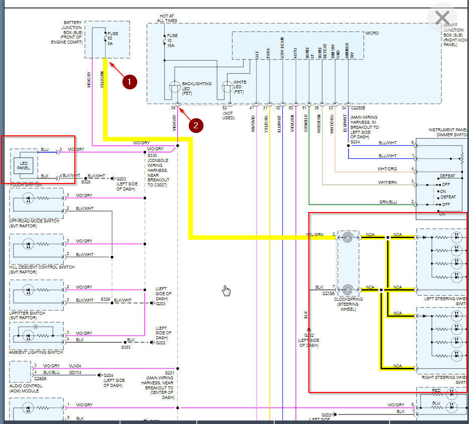
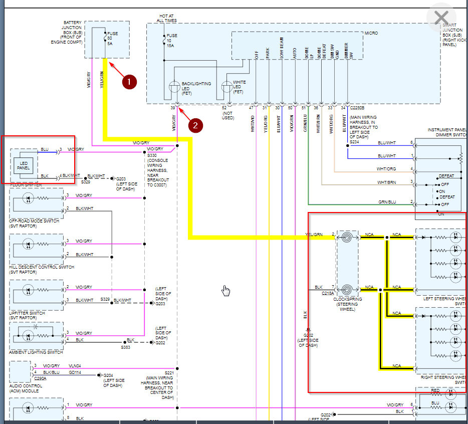
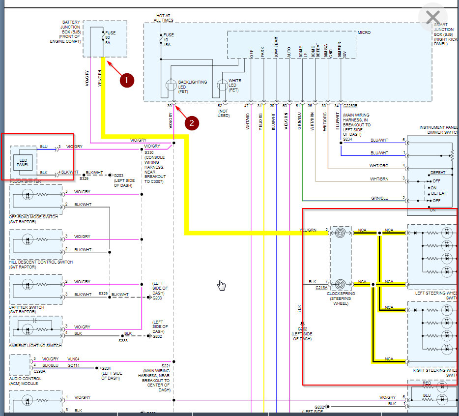
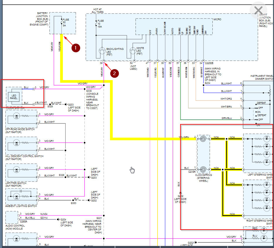
Fuse 80 under the hood is a 5 amp fuse and is good. The #10 fuse (15 amp) near the passenger side kick panel is good. Also, I disconnected the battery for 20 minutes to try to reset everything, but the steering wheel and shifter lights are still out.
Thursday, October 1st, 2020 AT 5:36 PM

