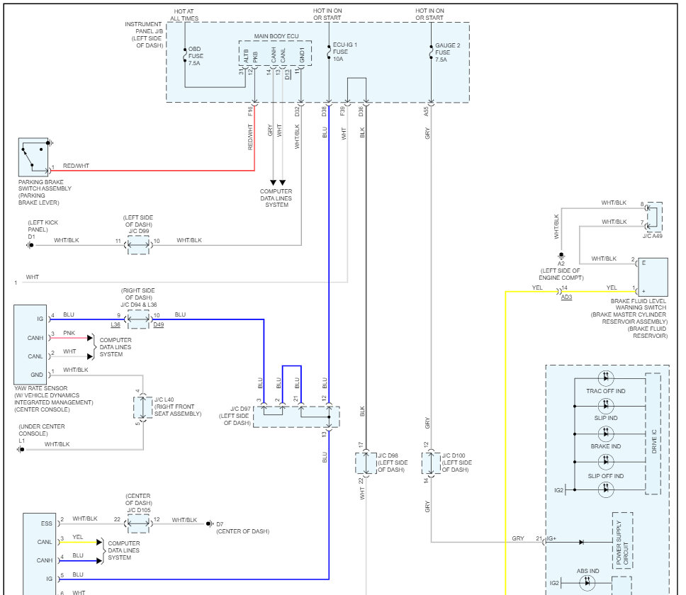
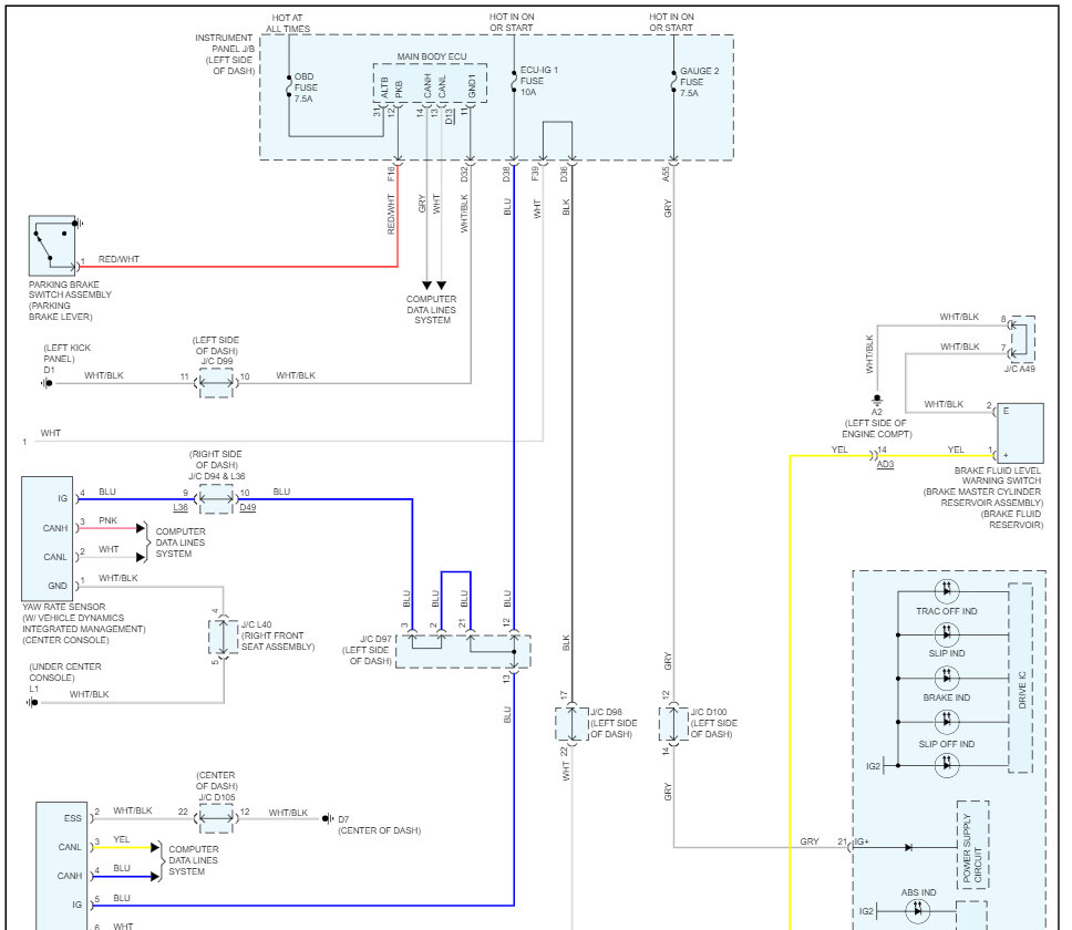
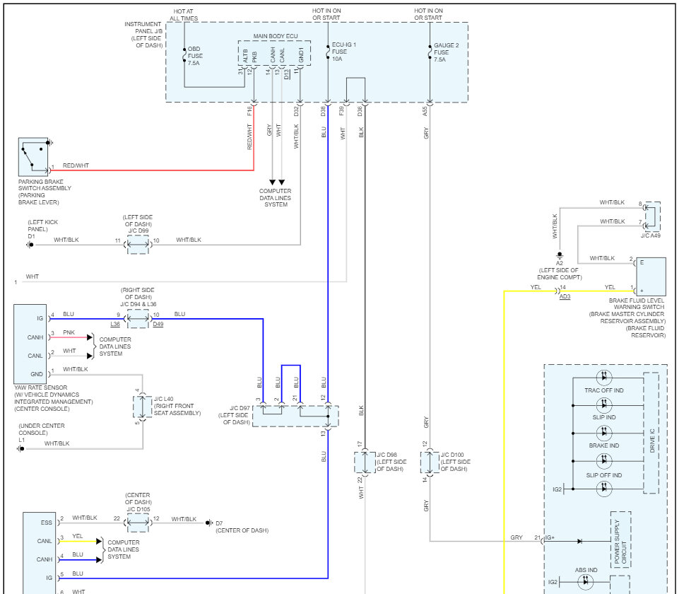
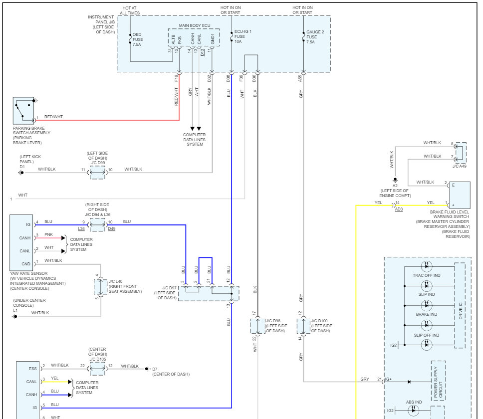
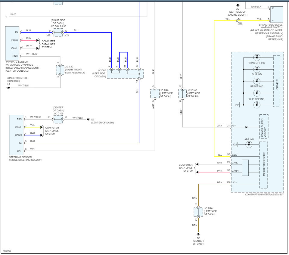
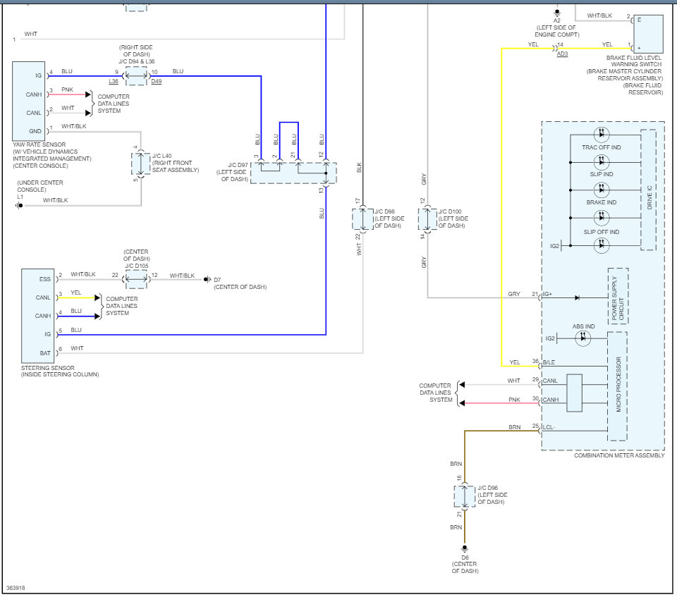
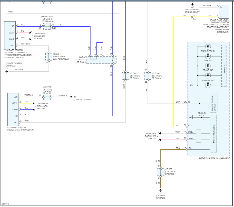
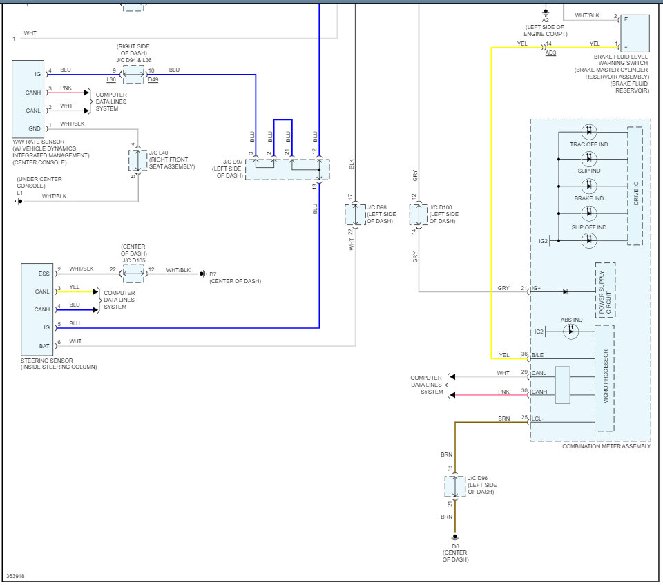
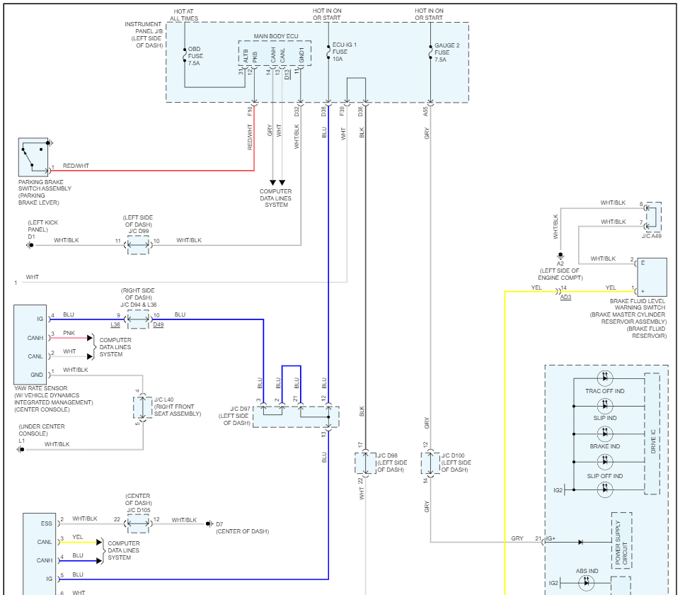
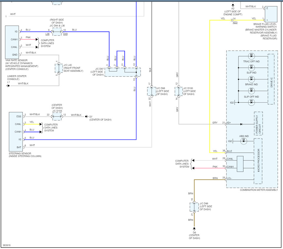
Good evening, the vehicle display light on the dashboard, when the scanner was connected it display "steering Angle Sensor Internal Circuit" as the code. The code was cleared but it came back immediately. The steering clock spring with the steering angle was replaced but the problem persisted. The scanner was set to live data on the steering angle sensor while the steering is been turned at some angle or left and right but the reading was not changing on the scanner. It has a ready of -864. It doesn't change at all. The fuses have been checked and they are ok. It was also confirm that there is voltage at the send connector.
What could be done to solve the problem?
Thursday, June 8th, 2023 AT 1:04 PM




