Hard steering

Tiny
ROSEBUD IHAVEFAITH PARKER
  • MEMBER
  • 2008 SUZUKI XL7
  • 3.6L
  • 6 CYL
  • 2WD
  • AUTOMATIC
  • 150,000 MILES
The mechanic told me that my power steering pump has gone out this was $300.00 some dollars out. He then said my rack and pinion went out I got my my power steering pump replaced two years ago. When I gave him the car, well he picked my car up from my house and drove it to his shop and that is what he did. The power steering pump even though there was play in the steering wheel and it was just whining but it was not hard to drive the car is still hard to steer.

I have not picked it up as yet, he still checking out some things.
Wednesday, April 18th, 2018 AT 4:25 AM

2 Replies

Tiny
KASEKENNY
  • MECHANIC
  • 18,907 POSTS
Just to be clear they replaced the pump and it is still hard to steer? If this is the case then I would think we have air in the system.

The most likely correction will be to flush the fluid and purge the line. Here is a guide on how to do that:

https://www.2carpros.com/articles/power-steering-fluid-flush

Also, here is another guide that will give more detail on different issues:

https://www.2carpros.com/articles/power-steering-problems

Run through this material and we can go from there. Thanks
Was this
answer
helpful?
Yes
No
Thursday, December 24th, 2020 AT 7:37 PM
Tiny
DANNY L
  • MECHANIC
  • 5,648 POSTS
Hello, I'm Danny.

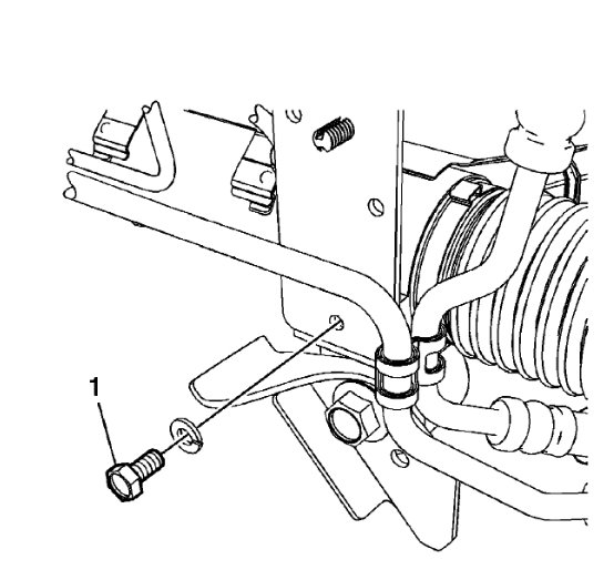
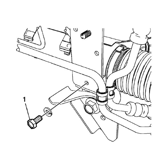
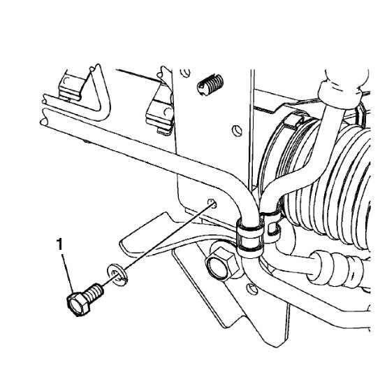
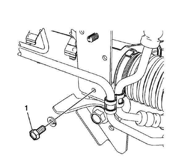
I've attached picture steps below on how to replace the power steering rack and pinion assembly on your vehicle. Hope this helps and thanks for using 2CarPros. Happy Holidays.
Was this
answer
helpful?
Yes
No
Saturday, December 26th, 2020 AT 12:45 PM

Please login or register to post a reply.