Stays running without key

Tiny
ROBH132
  • MEMBER
  • 1991 FORD F-150
  • V8
  • 2WD
  • AUTOMATIC
  • 180,000 MILES
I start the truck and it revs to an unusually high idle first (like the accelerator is being pushed). I turn key to off position and take the key out of the ignition but the truck stays running. I disconnect the battery and it stops. Some time later I try to hook the battery back up (without the key in the ignition) and the truck starts up again. This didn't start happening until I had the solenoid replaced. I'm wondering if it was installed wrong or if something else is going on.
Thursday, May 23rd, 2019 AT 3:32 PM

3 Replies

Tiny
JACOBANDNICKOLAS
  • MECHANIC
  • 110,192 POSTS
Welcome to 2CarPros.

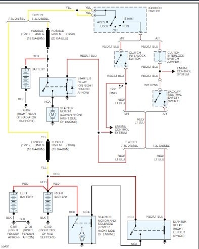
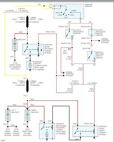
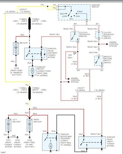
Yes, it sounds like the solenoid was wired wrong or it is bad even though it is new. I need to confirm exactly what was replaced. Was it the starter relay which is located on the right front inner fender or was it an actual solenoid on the starter itself? There are two different systems used on this vehicle, a Delco Remy and a Mitsubishi system. They are different in nature, so I have to be sure of what I am dealing with prior to making recommendations.

I have attached a picture of the relay on the fender. See picture 1. If the red wire and the red/light blue are switched, you are going to have constant power to the starter.

The second picture is an overall wiring schematic of the starting system. Since this started right after the repair was done, something is either put together wrong, or there is a short to power which is bypassing the ignition switch itself. Because this type of issue can be somewhat on the dangerous side (dead short can cause a fire) you may want to return the vehicle to the repair shop for them to recheck their work. Also, until it is fixed, even if connecting the battery doesn't start the vehicle, leave it disconnected until checked and don't park it in a garage connected.

Please let me know if I can help you further.

Take care,
Joe
Was this
answer
helpful?
Yes
No
Thursday, May 23rd, 2019 AT 7:36 PM
Tiny
ROBH132
  • MEMBER
  • 2 POSTS
It was the starter relay that was replaced. Everything seems to be installed correctly. This only happens every so often, not every start.
Was this
answer
helpful?
Yes
No
Friday, May 24th, 2019 AT 2:40 PM
Tiny
JACOBANDNICKOLAS
  • MECHANIC
  • 110,192 POSTS
Welcome back:

It sounds like a bad relay, I would recommend replacement again. Hopefully, the shop will do it at no charge for you.

Let me know if I can help of if you have other questions.

Take care and I hope you have a great Memorial Day weekend.

Joe
Was this
answer
helpful?
Yes
No
Friday, May 24th, 2019 AT 8:17 PM

Please login or register to post a reply.