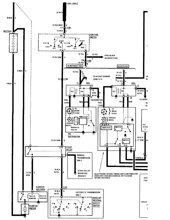
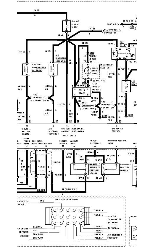
When it warmed up, I opened it up fully and it idled until you hit the gas and then it wants to shut off. It will fire back up and hit the gas, it shuts off. You can slightly flutter it to get it to rev up but once you stop, it shuts off.
I attached a video of it starting after warmed up and I also posted a video spraying starter fluid in it to see if it revs up or bogs down when sprayed. It seemed to bog down.
Any suggestions from here? Thanks
Sunday, March 5th, 2023 AT 10:59 AM








