Tuesday, November 26th, 2024 AT 2:18 AM
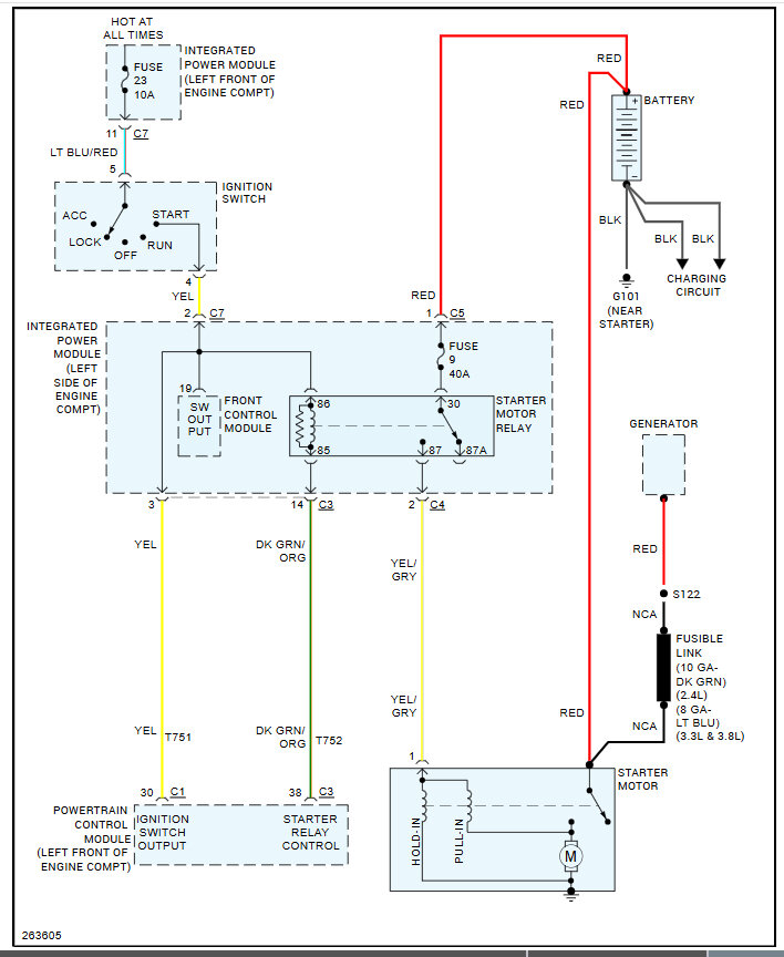
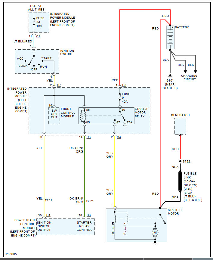
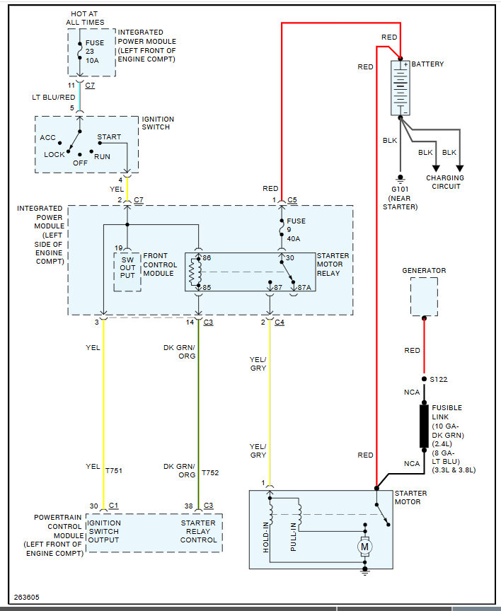
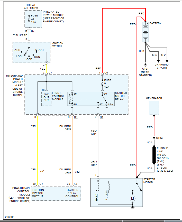
The engine has been experiencing cranking problems. I got a new battery, and about 30 days after, I turned the key and nothing! But it would start if I tapped the starter. This went on about 4-5 no. Then cleaned wires, no stare again. Changed big wire, a week later no start. Changed the starter, started 7-10 days, went to start today and nothing again. I opened the hood, and noticed my left/first plug wire has got a blueish color/ powder on it!




