Thursday, June 22nd, 2017 AT 10:16 PM
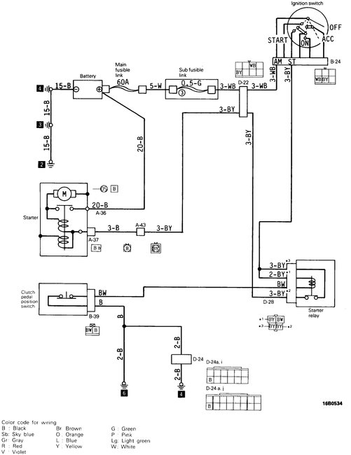
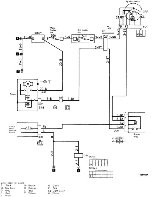
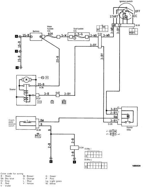
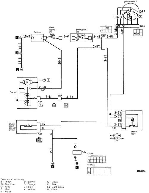
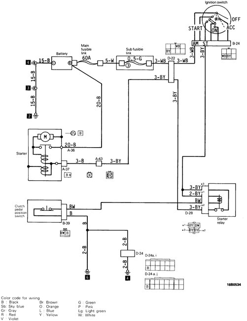
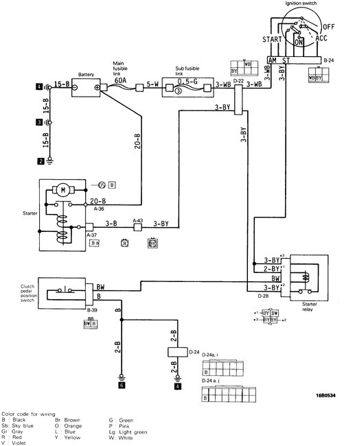
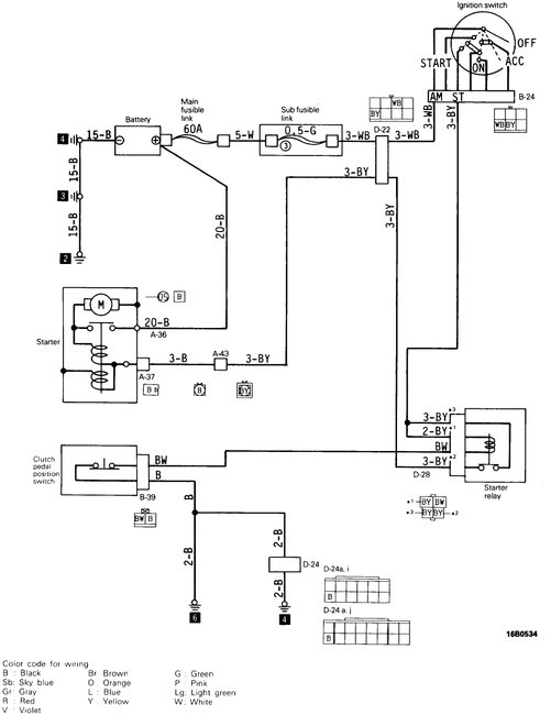
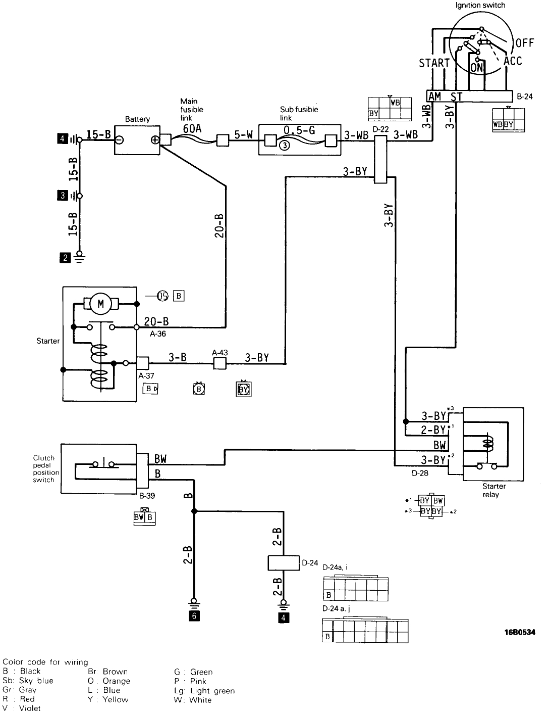
Truck was having a problem starting and starter and battery were replaced. I get a clicking sound when I turn the key in the ignition switch and when I hold the key in the on position and depress the clutch the clutch relay would kick in and start the vehicle sometimes and sometimes not. If I let it roll three inches and let out the clutch then depress it it would start. I can play with the clutch by depressing it in and out and eventually the clicking in the clutch relay switch it would engage the engine and start. Today it would not start just click in something burned under the hood and smoke came out. I could not find any burnt wires. It will roll down the street and start and run when I let the clutch out. Something tells me that a relay under the hood shorted out and caused the smoke. It was minor smoke and then dissipated and was gone. Now it will not start at all just clicks even the clutch switch clicks and no start. But like I said I can roll it down the street pop the clutch and it will start with the key on.


