Starter will not start, no power?

Tiny
DREWBIN
  • MEMBER
  • 2001 DODGE GRAND CARAVAN
  • 3.8L
  • V6
  • AUTOMATIC
  • 225,099 MILES
This whole thing started about a week ago, it felt like my starter was sticking, like something was slowing it down. Then I would turn the key and nothing would happen besides a loud click. But if I turned the key again a couple times it would start up. This went on for 2 days and on day 3, it wouldn't turn on for what felt like 100 turns of the key and then on 101when I was giving up, it started. For the next day it was really hard to get the starter to turn until I stopped to get gas and couldn't get it going at all, people who thought they knew stuff about cars was saying it was this, no it was that, but in the end I ended up getting a new starter. Well I struggled getting the old one off because for some reason both bolts had already been stripped. Now with the new ignition in, nothing changed except there wasn't the same click as before. Well, this "car guy" told me to jump the power of the solenoid for the starter which will cause the car to turn on if the ignition is in the on position. So, I did that.
The starter did indeed turn over for a split second but instantly after that I lost all power inside the car.
NOW. When I have the battery connected, ignition off, the ASD Relay repeatedly clicks loudly, and the eatx safety shutdown Relay clicks once every time the battery gets connected.
Saturday, March 2nd, 2024 AT 7:38 AM

1 Reply

Tiny
JACOBANDNICKOLAS
  • MECHANIC
  • 110,194 POSTS
Hi,

When reading what you experienced, the first thought was the starter motor. However, the more I read the more I think there could be a connection issue. Are the battery terminals both clean and tight? Is the battery fully charged and in good condition?

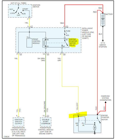
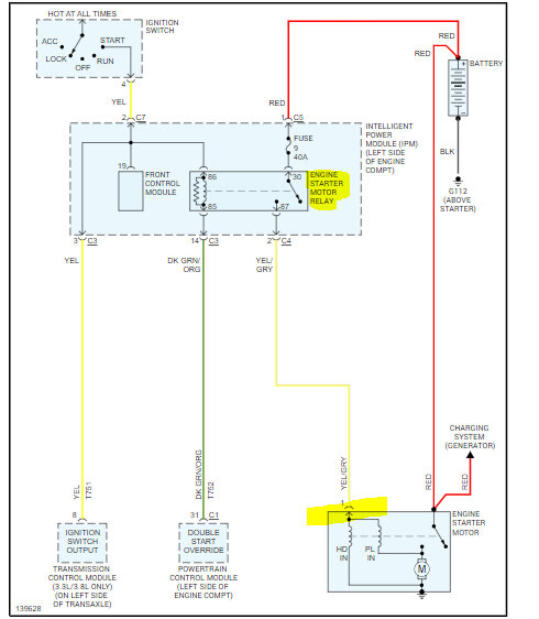
Do me a favor. First, check to see if anything changes if you try starting it in neutral. If there is no change, have a helper turn the key to the start position while you check for power at the yellow wire on the starter motor. That wire should only have power in the start position.

Let me know what you find. Also, I attached the wiring schematic below so that you would have a reference. Additionally, check and double-check connections.

Let me know what you find.

Take care,

Joe

See pic below.
Was this
answer
helpful?
Yes
No
Saturday, March 2nd, 2024 AT 2:57 PM

Please login or register to post a reply.