Thursday, April 14th, 2022 AT 10:05 PM
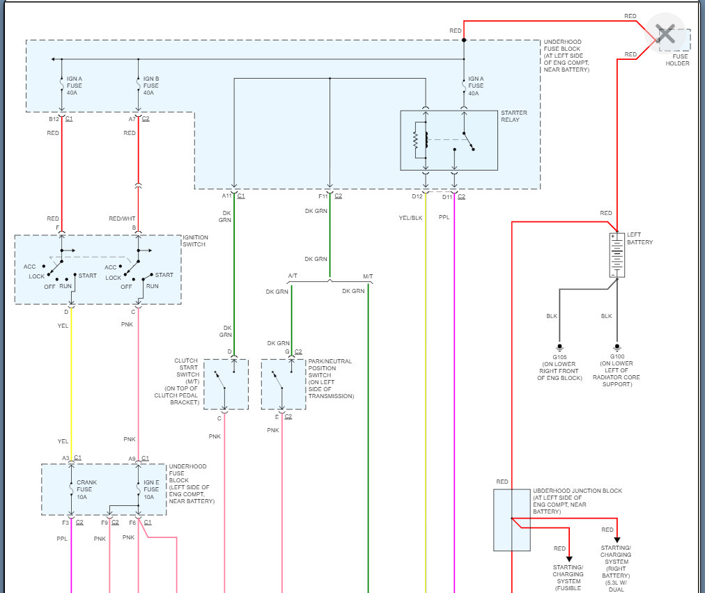
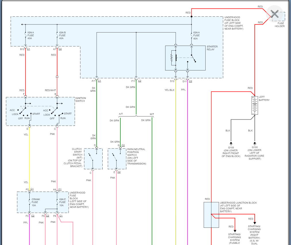
I just replaced my crank shaft positioning sensor and my camshaft sensor. When I first put the truck back together it cranked but wouldn't fire, I took it apart again (starter out of the truck) to check everything put it back together and now it won't even crank! Checked all the fuses checked the relay everything's fine I can make the starter turnover at the back of the starter, but it still won't start. Or turnover by key.











