Friday, March 20th, 2020 AT 8:43 PM
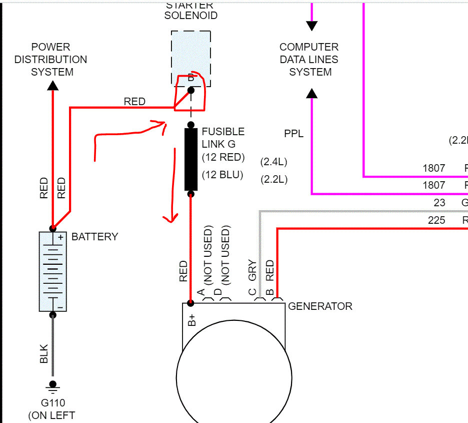
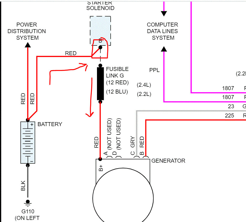
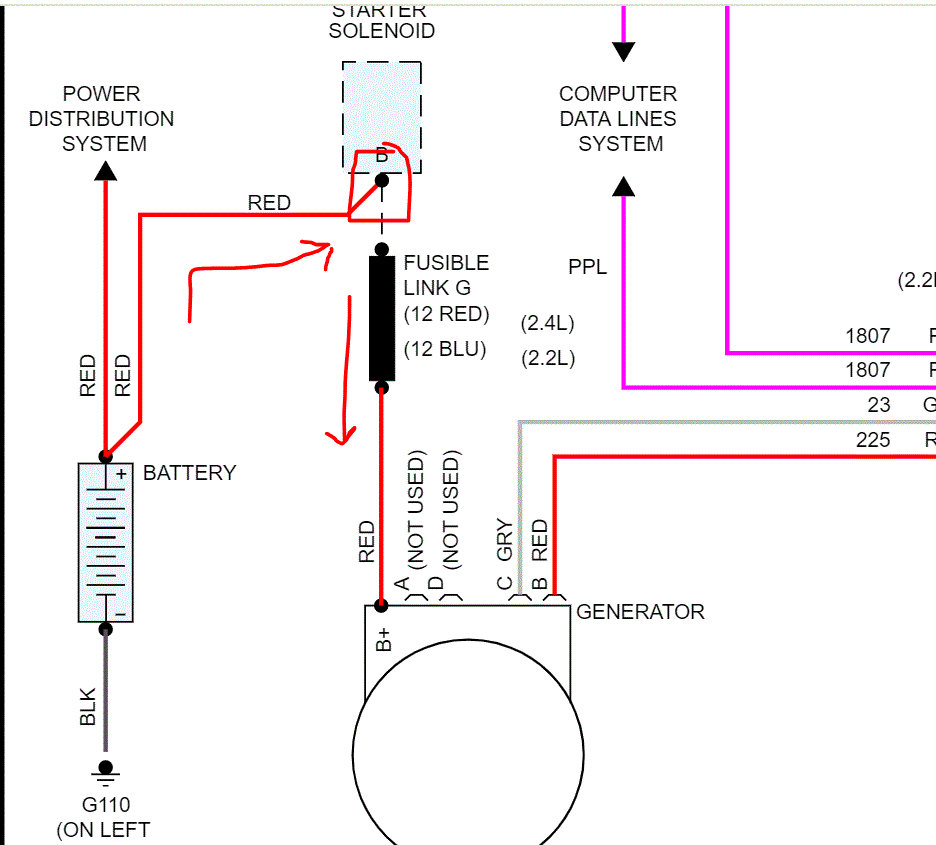
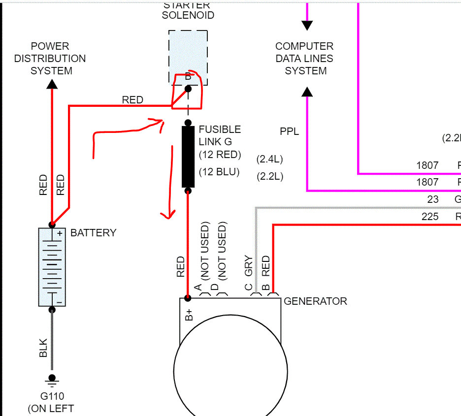
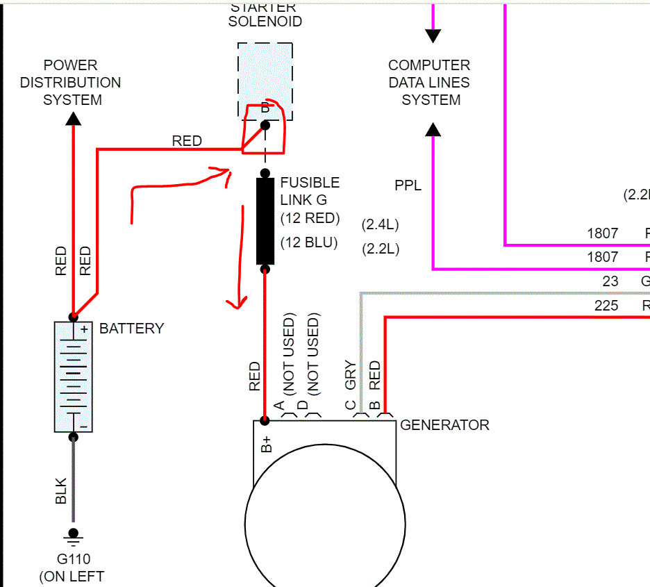
Hi, I recently put a new starter on my car and like an idiot I didn't mark my wires. Anyway, I have a big red and a big green wire both have big eyelets and a small red and small purple both with small eyelets and I need help hooking them back. Thanks for any help.




