Starter wiring diagram needed?

Tiny
XGHOSTFACE
  • MEMBER
  • 2005 CHEVROLET MALIBU
  • 200,000 MILES
Just need a starter wiring diagram for the car listed above. The 3.5 V6 not the 4 cylinder. Has 3 not 2 like the 4 cylinder.
Friday, May 2nd, 2025 AT 6:53 PM

1 Reply

Tiny
JACOBANDNICKOLAS
  • MECHANIC
  • 110,192 POSTS
Hi,

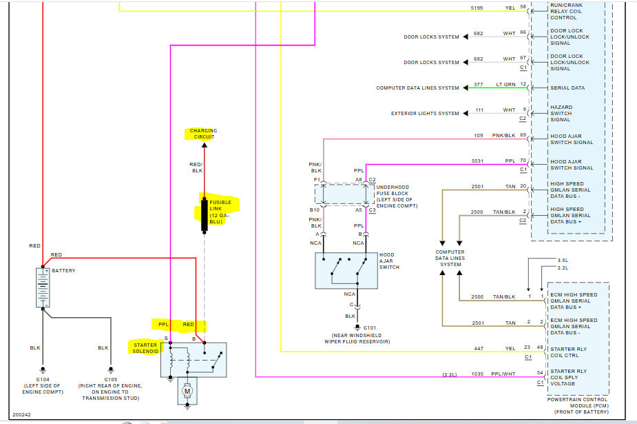
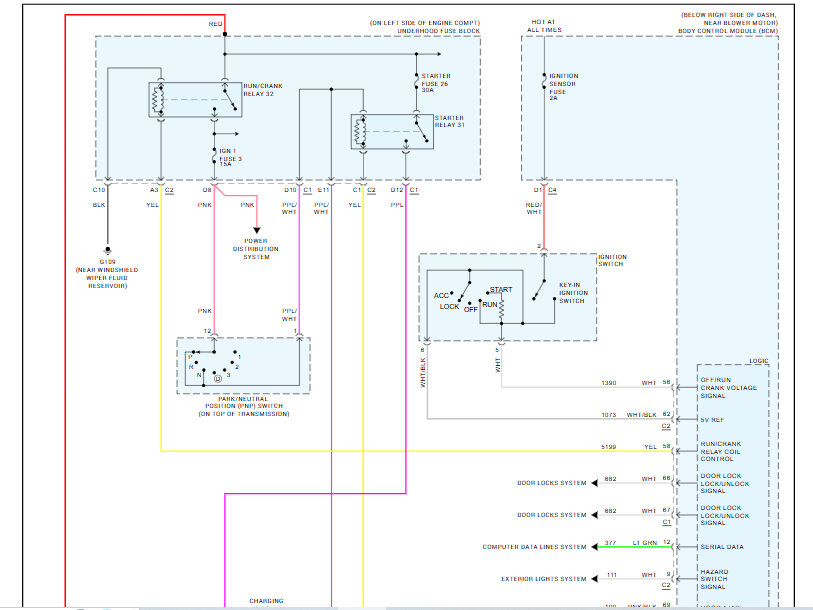
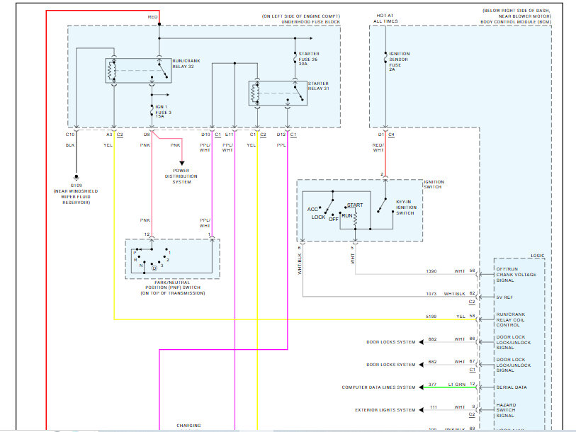
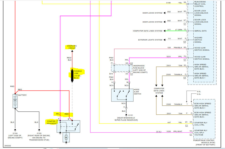
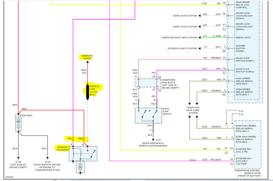
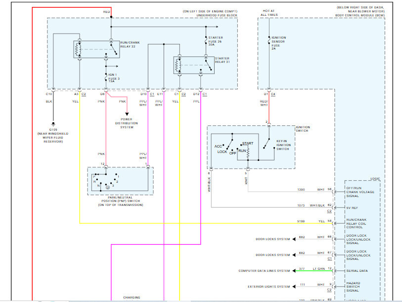
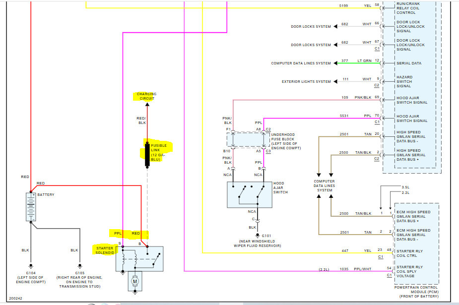
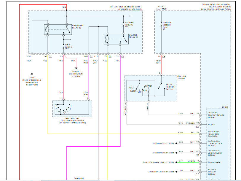
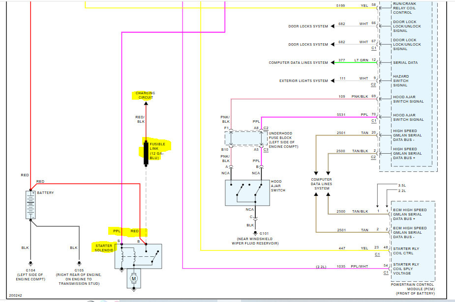
I attached the wiring schematic below for the V6. At the starter, you will have a heavy-gauge red wire directly from the battery. A smaller-gauge purple wire, which is the trigger wire from the starter relay. The third wire contains a fusible link that directs constant power from the starter solenoid to the alternator.

Take a look at the schematic and let us know if it helps or if you have other questions. Also, note that I had to cut the schematic in two to make it readable. I overlapped the two and highlighted wires of concern.

Take care,

Joe

See pics below.
Was this
answer
helpful?
Yes
No
Friday, May 2nd, 2025 AT 8:54 PM

Please login or register to post a reply.