Starter solenoid wiring diagram needed?

1997 EAGLE VISION
123,000 MILES • 3.5L • 6 CYL • AUTOMATIC
Avatar
EAGLEVISION3.5
  • MEMBER
  • 1 POST
Not sure how to connect new starter solenoid.
Aug 5, 2022 at 2:49 AM
Repair Safety Notice: This information is for general instructional purposes only. Vehicle repair can be dangerous. Verify all information, follow manufacturer service procedures, use proper tools and safety equipment, and consult a qualified repair shop when needed.
Advertisement
Avatar
CARADIODOC
  • CAR REPAIR CONTRIBUTOR
  • 34,308 POSTS
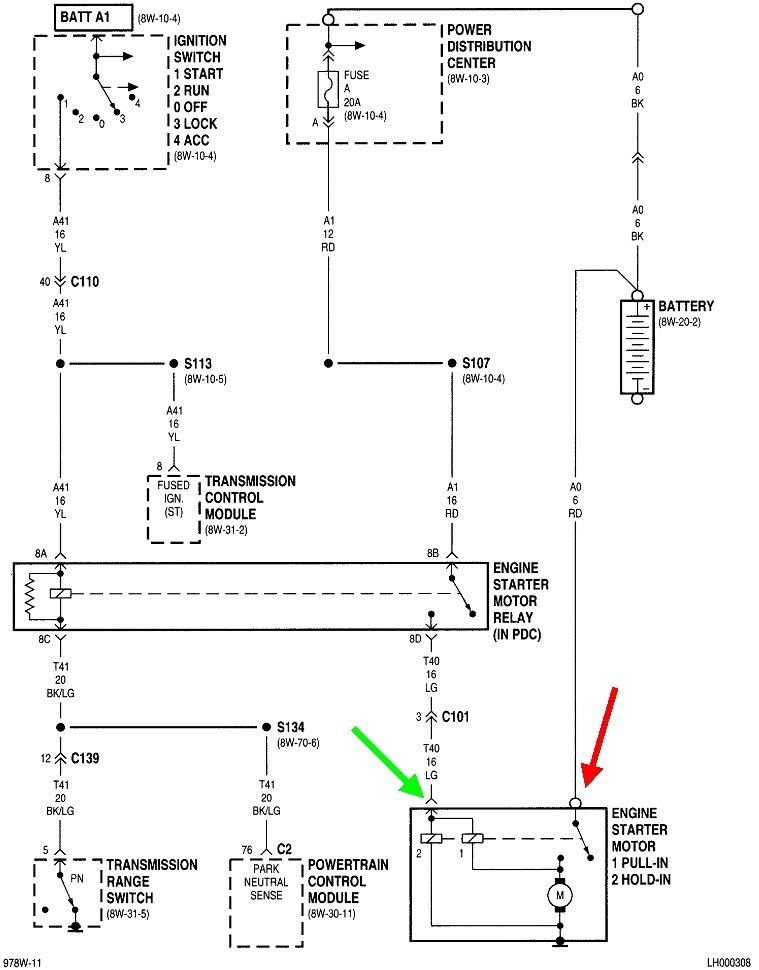
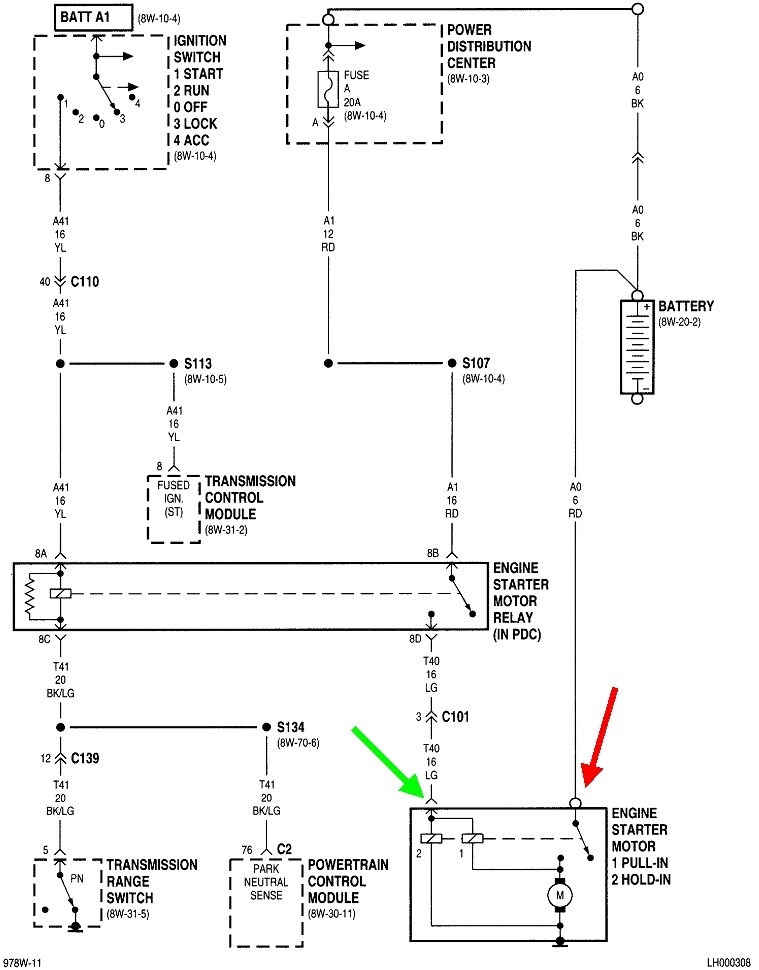
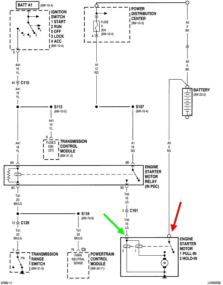
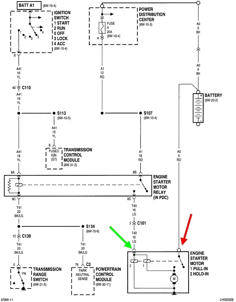
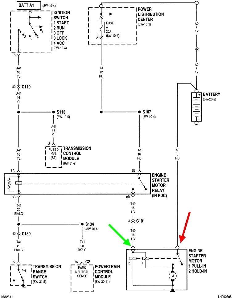
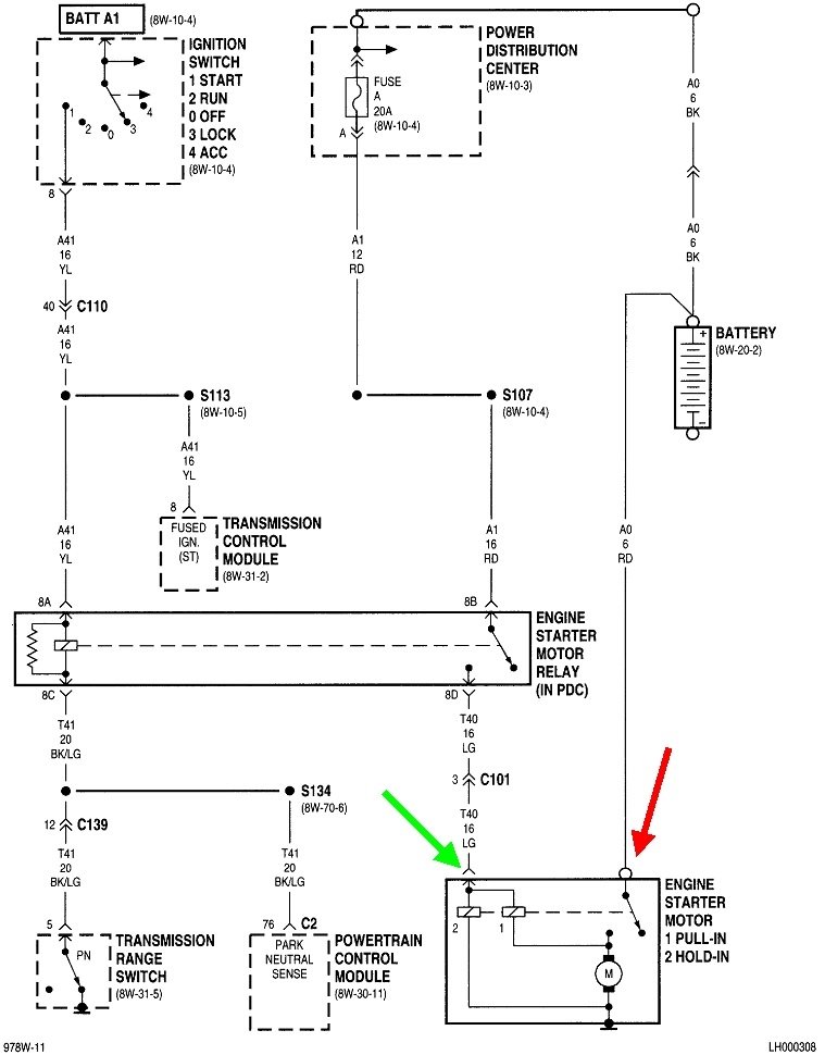
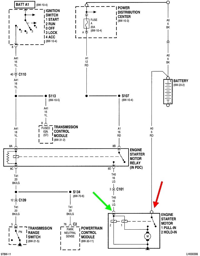
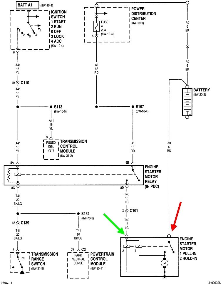
There's only two wires on Chrysler starter solenoids. The larger red cable is from the battery and goes to the large copper stud, (red arrow). The smaller light green wire bolts to the smaller terminal on the solenoid, (light green arrow).

Let me know if I overlooked something.
Aug 5, 2022 at 2:58 PM
Advertisement