Starter relay location

Tiny
ED HERNANDEZ
  • MEMBER
  • 1987 TOYOTA VAN
  • 2.2L
  • 4 CYL
  • 2WD
  • AUTOMATIC
  • 210,000 MILES
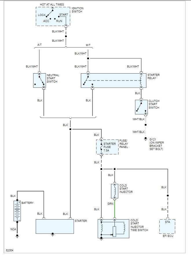
The factory service manual shows the starter relay to be in the engine compartment behind the air flow meter under the driver's seat, but it does not appear to be there. Can you help me find it?
Friday, August 4th, 2017 AT 5:58 PM

1 Reply

Tiny
KEN L
  • MASTER CERTIFIED MECHANIC
  • 55,090 POSTS
Hello,

Yes this is what I have. Kind of the same thing of have. Might have to go old school and check the wire color at the starter solenoid and look for the same color at the relay.

Please let us know what happens.

Cheers, Ken

Attached below is the relay location and the wiring diagram
Was this
answer
helpful?
Yes
No
Sunday, August 6th, 2017 AT 9:08 PM

Please login or register to post a reply.