HOME
ASK A QUESTION
REPAIR GUIDES
BECOME A MEMBER
LOG IN
Login with Facebook
OR
Remember me
NOT A MEMBER?
FORGOT PASSWORD?
CONTACT US
PRIVACY POLICY
TERMS AND CONDITIONS
☰
Home
Mitsubishi
Endeavor
Engine
Starter
Relay
Location
Starter relay fused
JENNY HOWARD
MEMBER
2004 MITSUBISHI ENDEAVOR
100,000 MILES
Battery is fine where is starter relay fuse?
Monday, January 13th, 2020 AT 10:14 AM
1 Reply
KASEKENNY
MECHANIC
18,907 POSTS
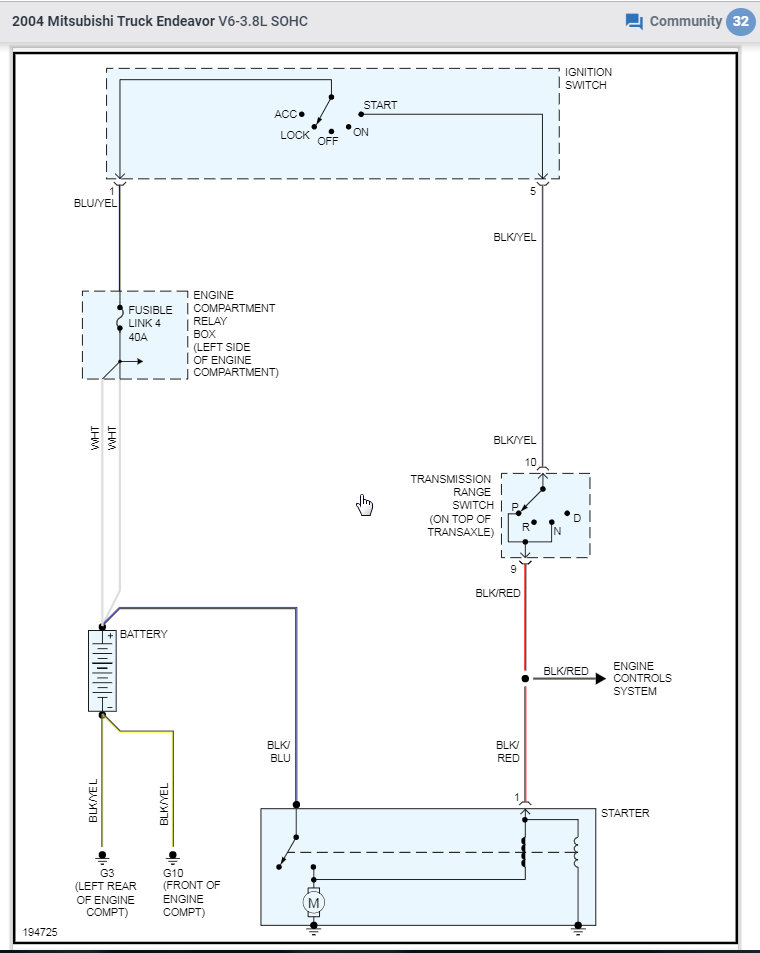
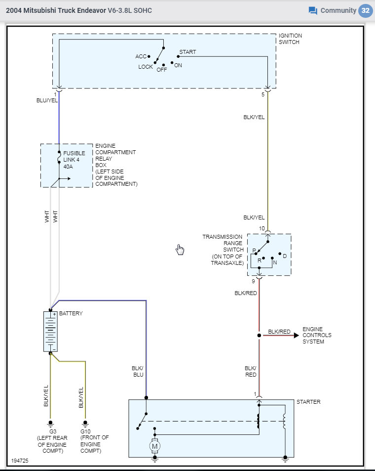
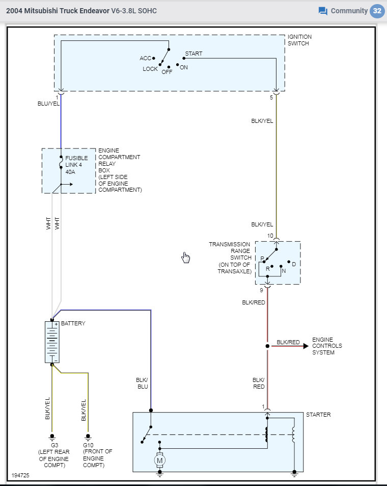
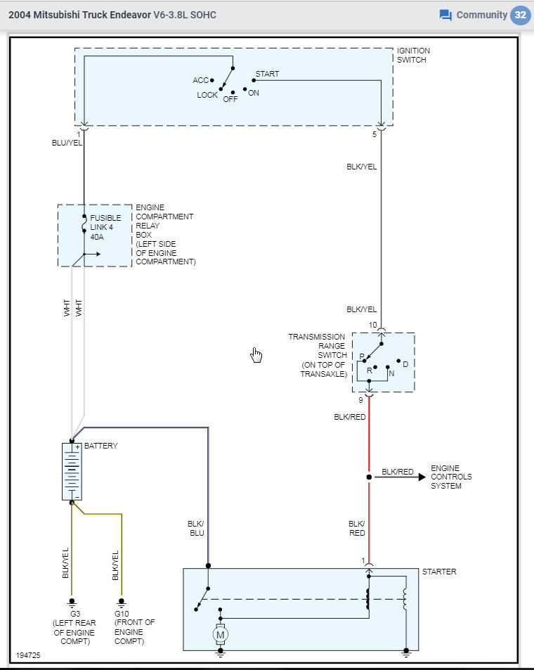
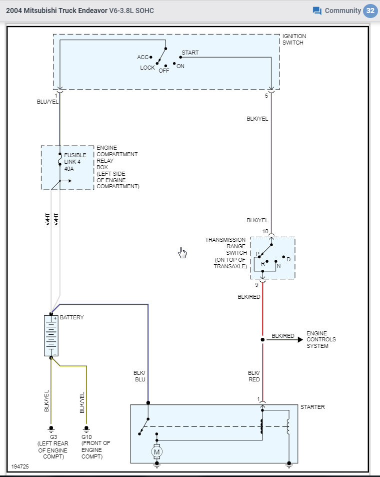
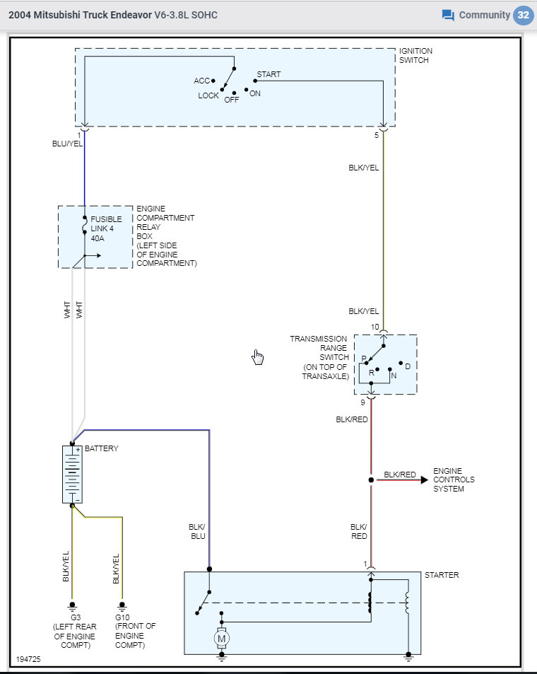
You don't have an actual relay. You have what is called a fusible link. It is a little different. Here are the diagrams and location. Let me know if you need more info. Thanks. Check out the diagrams (Below). Please let us know what happens.
Images (Click to make bigger)
Was this
answer
helpful?
Yes
No
Tuesday, January 14th, 2020 AT 2:51 PM
Please
login
or
register
to post a reply.
Related Starter Relay Location Content
Starter Relay Location
2004 Mitsubishin Endeavor, When I Try To Start It, Car Only Clicks. What Else Could It Be?
Asked by
jwrozier
·
1 ANSWER
6 IMAGES
2004
MITSUBISHI ENDEAVOR
Air Cleaner Filter
Which Way Does The Air Cleaner Filter Go Into The Assembly For 2004 Mitsubishi Endeavor---my Neighbor Took Hers Out And Got A New One, But...
Asked by
rossi013
·
2 ANSWERS
1 IMAGE
2004
MITSUBISHI ENDEAVOR
2004 Mitsubishi Endeavor Engine Rebuild:
My Vehicle Had No Oil Pressure And I Had A Shop To Rebuild The Engine. After Engine Was Rebuilt, I Drove Vehicle Home On A Friday And It...
Asked by
slydog_47
·
3 ANSWERS
2004
MITSUBISHI ENDEAVOR
2004 Mitsubishi Endeavor Maf Sensor
I Would Like To Know What 2 Wires On The Maf Sensor Are For The Air Temp Sensor
Asked by
rollby8
·
1 ANSWER
2004
MITSUBISHI ENDEAVOR
Ask a Car Question. It's Free!
Starter Replacement
How to Use a Test Light
Starter Motor Replacement