starter relay location needed

2003 BMW 745
69,000 MILES • V8 • 2WD • AUTOMATIC
Avatar
ROBSTER62
  • MEMBER
  • 5 POSTS
where is the starter relay located?
Jun 1, 2021 at 3:59 PM
Repair Safety Notice: This information is for general instructional purposes only. Vehicle repair can be dangerous. Verify all information, follow manufacturer service procedures, use proper tools and safety equipment, and consult a qualified repair shop when needed.
Advertisement
Avatar
KASEKENNY
  • AUTOMOTIVE REPAIR CONTRIBUTOR
  • 18,907 POSTS
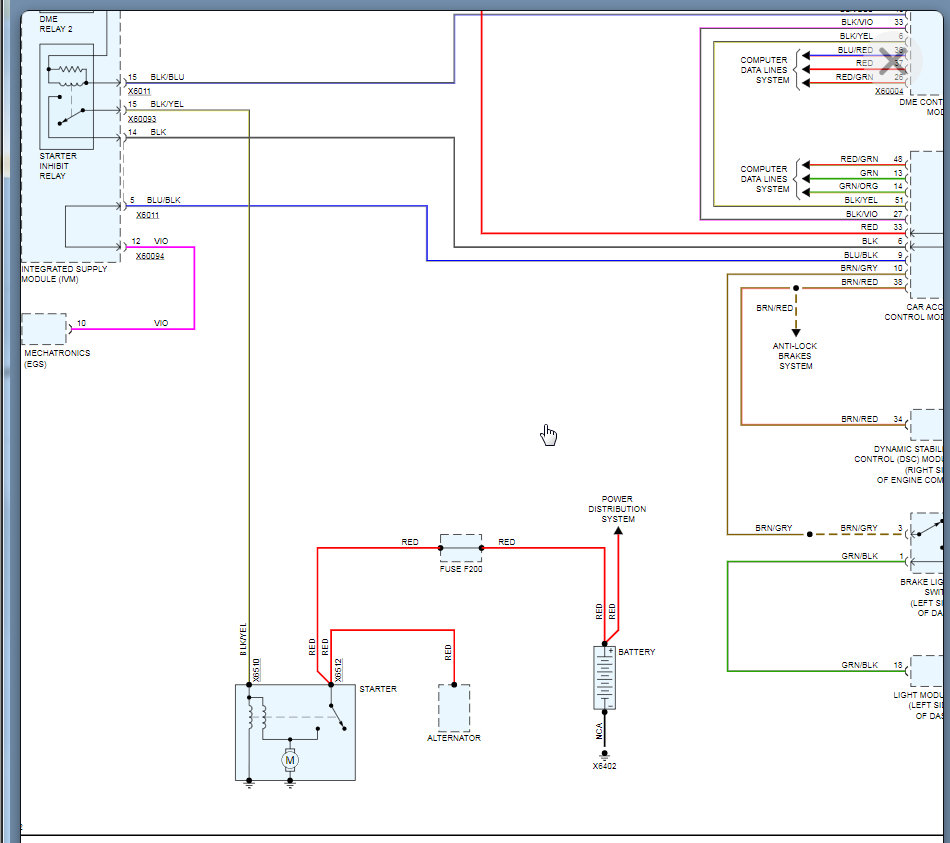
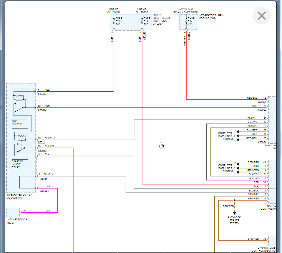
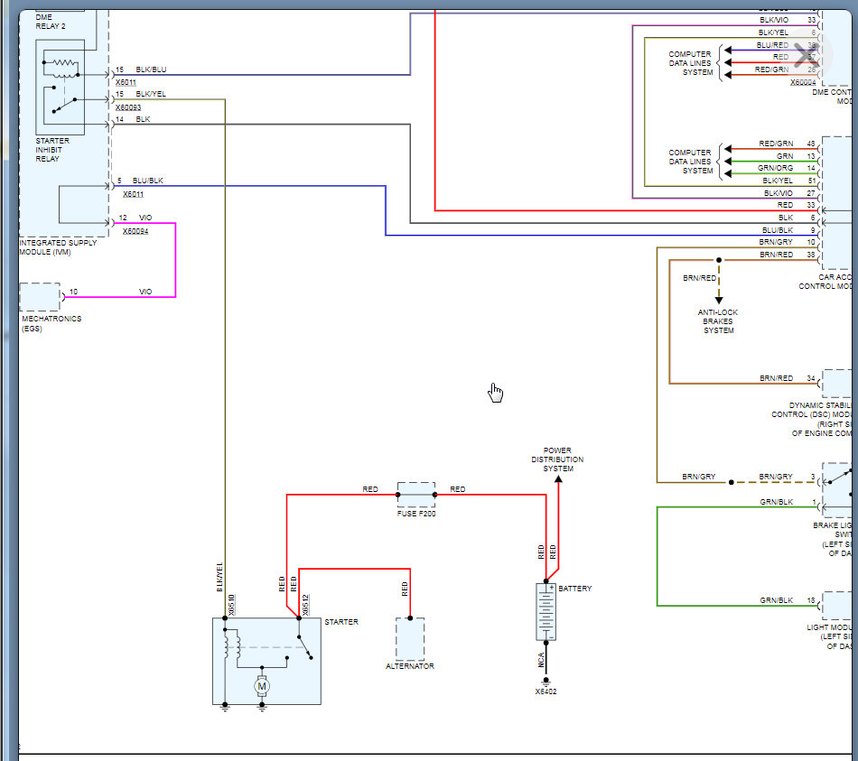
You do not have a traditional relay. These relays are part of the integrated voltage supply module and are not replaceable. As you will see it says below that these relays are integral which means they are not replaceable.

Take a look at the info below and let us know if you have other questions on this. Thanks
Jun 1, 2021 at 5:29 PM
Advertisement