Starter relay location

Tiny
JOEFRESH99
  • MEMBER
  • 2010 NISSAN MURANO
  • 3.6L
  • 6 CYL
  • 4WD
  • AUTOMATIC
  • 1,000 MILES
Where is the location of the starter relay? It is not under the hood for sure!
Saturday, May 26th, 2018 AT 2:56 PM

1 Reply

Tiny
CARADIODOC
  • MECHANIC
  • 34,468 POSTS
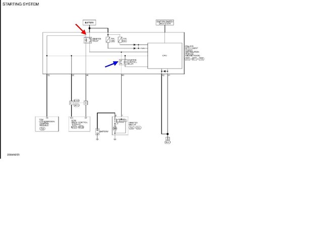
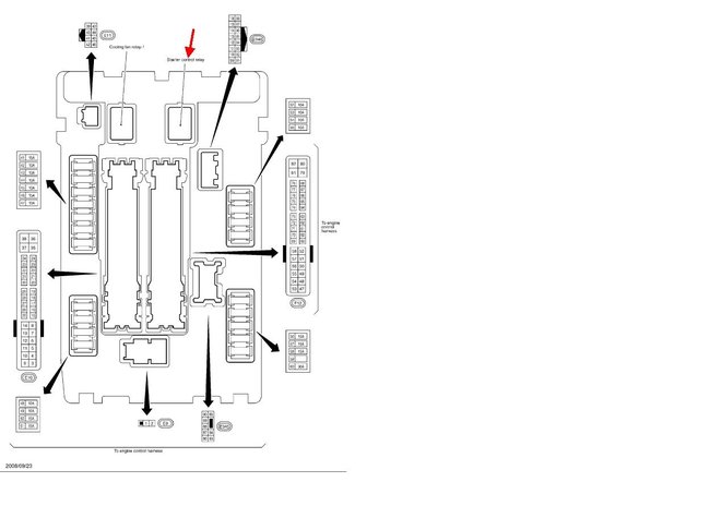
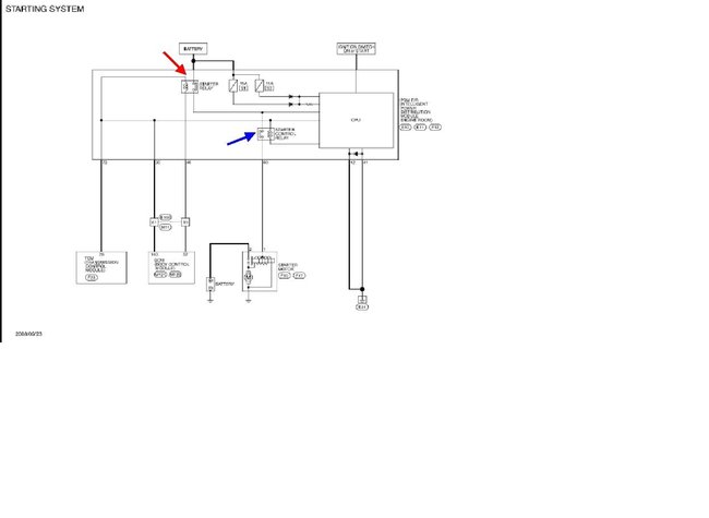
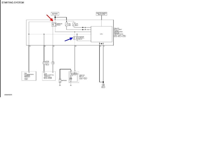
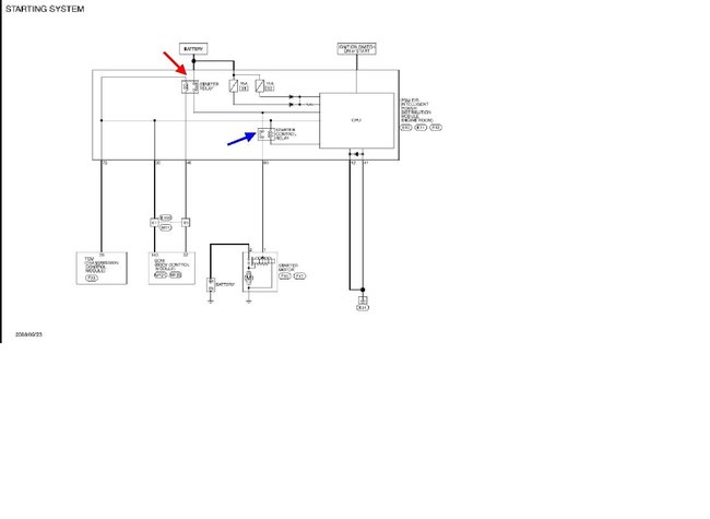
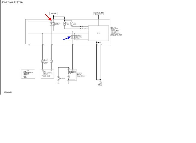
There are actually two of them in the circuit. Both are in the under-hood fuse box. Searches for their locations were fruitless at first, and no replacements are listed as available. That suggests they are inside the sealed computer module, however, I did find this drawing that shows the "starter control relay".
Was this
answer
helpful?
Yes
No
-1
Saturday, May 26th, 2018 AT 8:23 PM

Please login or register to post a reply.