Starter relay location?

Tiny
FARR_2007
  • MEMBER
  • 1997 HONDA CIVIC
  • 1.6L
  • AUTOMATIC
  • 222,000 MILES
Where is the starter relay located I’m having a no crank no start happening, I recently had to replace the main relay on passenger side near glove box, also when I opened door one day the alarm went off randomly out of the blue

Why is it not cranking or doing anything when I turn key and battery is new
Wednesday, December 17th, 2025 AT 10:29 AM

1 Reply

Tiny
CARADIODOC
  • MECHANIC
  • 34,363 POSTS
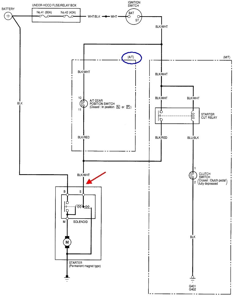
The starter relay is only used on models with a manual transmission. Both circuits are shown in the diagram. Use just the part with the blue circle over it. This circuit is very simple to diagnose but you'll have to be able to reach the starter. Measure the voltage on the smaller black / white wire on the starter solenoid. When a helper turns the ignition switch to "crank", you should find 12 volts there. If you do, but the starter doesn't engage, the solenoid is likely defective. If the solenoid makes a single, rather loud clunk, it's engaging but there's a bad connection on one of the battery cables or burned contacts inside the solenoid. For this test, it's best if you use an unpainted, rust-free part of the engine for the voltmeter's ground lead rather than the battery's negative post. Doing so will include the negative battery cable in the test.

If you do not find 12 volts on the black / white wire, we'll have to narrow this down to the individual failed component, but first, let me know what you find with this test.
Was this
answer
helpful?
Yes
No
Wednesday, December 17th, 2025 AT 12:49 PM

Please login or register to post a reply.