Friday, September 14th, 2018 AT 6:00 PM
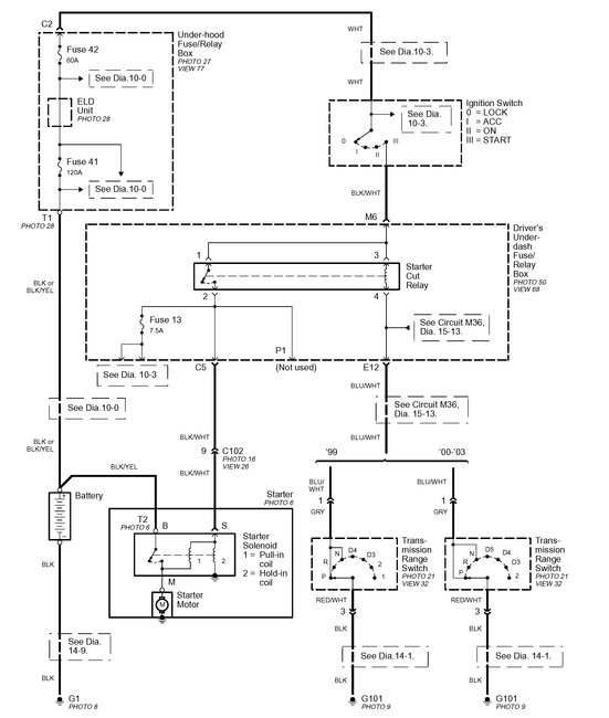
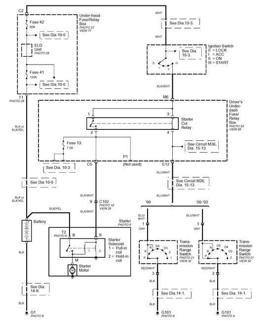
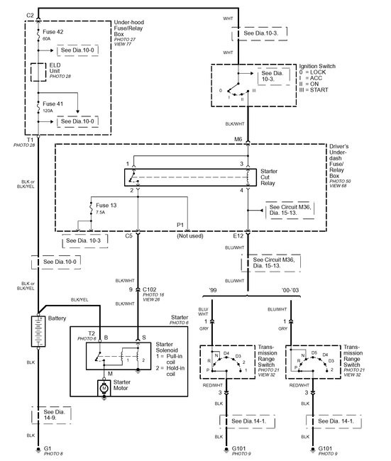
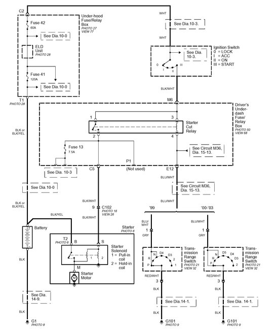
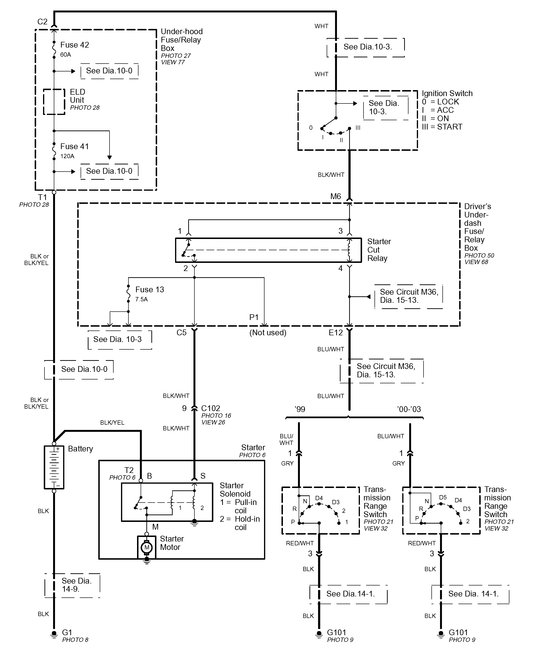
When I turn my key to start engine, all dash lights work but car will not fire and the starter or solenoid stays going. I shut off the car and pull keys but they continue to run and make starter extremely hot until I pull the battery terminal wires. I did find a wire that comes from a red and black plug on top of starter that was not bolted down anywhere. Do not know where it goes. Please help.


