Thursday, June 27th, 2019 AT 2:24 PM
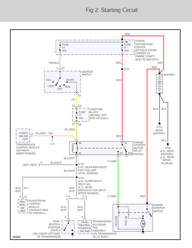
Tried new relay and new starter. Have power first time I changed relay it ran for a day. You can hear relay click. Fuse is good. Looked for the safety neutral switch couldn't fine it just the 2 speed sensor. Tried to start it nothing. Starting system is pretty cut and dry, but it has me stumped. Only thing I haven't done to check neutral switch is put E brake on and put vehicle in reverse see if reverse lights come on to test neutral switch.



