Starter issue

Tiny
TPMPRODUCTIONS
  • MEMBER
  • 2006 BUICK RENDEZVOUS
  • 3.5L
  • V6
  • 2WD
  • AUTOMATIC
  • 307,071 MILES
My starter is gone. I know this but I need to start my car to drive it home as it's stuck in a Walmart parking lot. The starter smokes from the bottom when trying to start it. White smoke. Is there a way to bypass it so I can drive home? It won't crank. Only clicks.
Tuesday, February 2nd, 2021 AT 3:15 PM

1 Reply

Tiny
JACOBANDNICKOLAS
  • MECHANIC
  • 110,192 POSTS
Hi,

There is no way to bypass the starter. It is needed to turn the engine for it to start. If it is smoking, I wouldn't keep trying.

When you can replace it, here is a link that shows in general how one is replaced:

https://www.2carpros.com/articles/how-to-replace-a-starter-motor

___________________________________________

Here are the directions specific to your vehicle:

2006 Buick Truck Rendezvous FWD V6-3.5L VIN L
Removal and Replacement
Vehicle Starting and Charging Starting System Starter Motor Service and Repair Removal and Replacement
REMOVAL AND REPLACEMENT
STARTER MOTOR REPLACEMENT

REMOVAL PROCEDURE

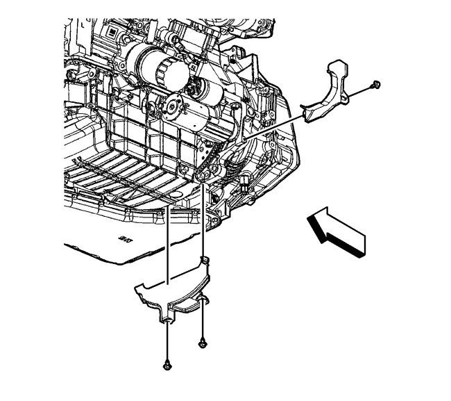
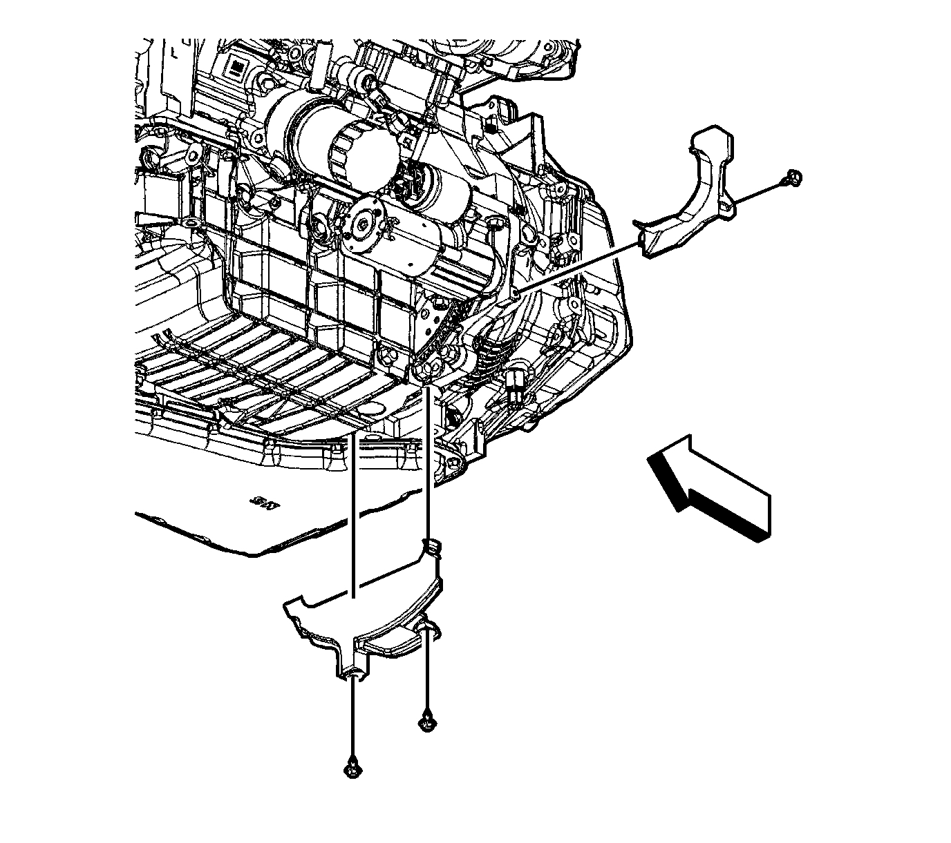
pic 1

1. Disconnect the negative battery cable.
2. Raise and support the vehicle. Refer to Vehicle Lifting.
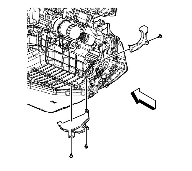
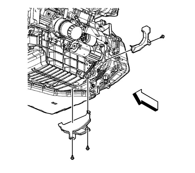
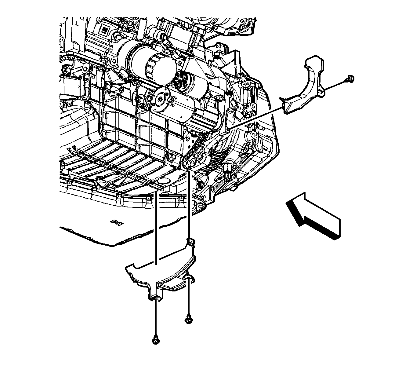
3. Remove the front transaxle closeout cover bolt.
4. Remove the front transaxle closeout cover.

pic 2

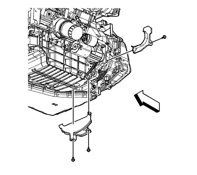
5. Remove the starter solenoid "BAT" terminal nut (5).
6. Remove the positive battery cable terminal (4) from the starter solenoid.
7. Remove the starter solenoid "S" terminal nut (3).
8. Remove the engine harness terminal (2) from the starter solenoid.

pic 3

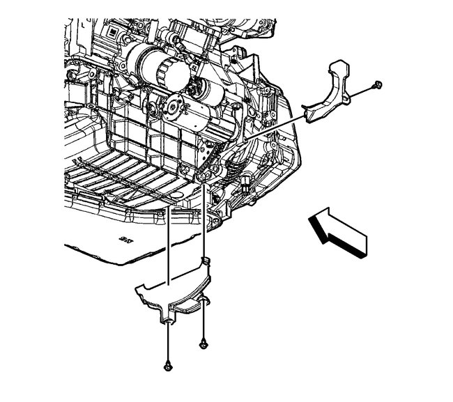
9. Remove the starter bolts.
10. Remove the starter.

INSTALLATION PROCEDURE

NOTE: Before installing the starter motor to the engine, tighten the nut next to the cap on the solenoid BAT terminal. If this terminal is not tight in the solenoid cap, the cap may be damaged during installation of electrical connections and cause the starter motor to fail later.

pic 4

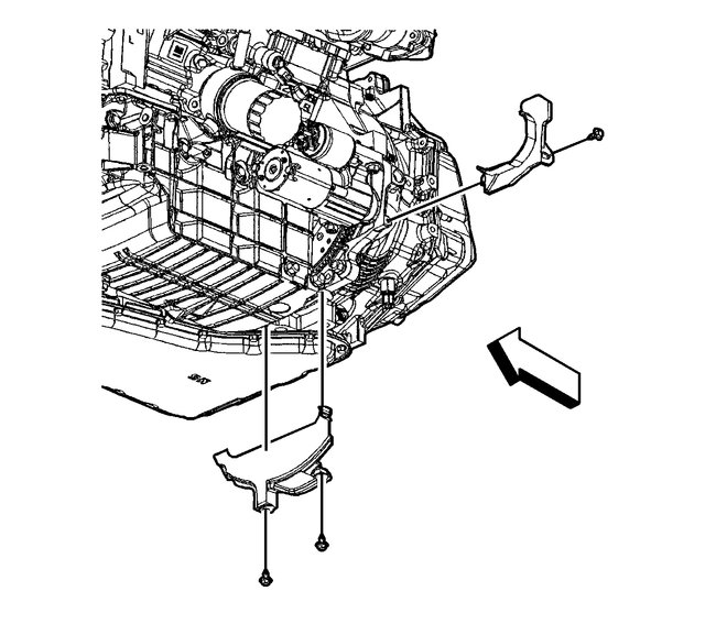
1. Position the starter to the engine block.
2. Install the starter bolts.

Tighten the bolts to 40 N.m (30 lb ft).

NOTE: Refer to Fastener Notice.

pic 5

3. Install the engine harness terminal (2) to the starter solenoid.
4. Install the starter solenoid "S" terminal nut (3).

Tighten the nut to 3 N.m (27 lb in).

5. Install the positive battery cable terminal (4) to the starter solenoid.
6. Install the starter solenoid "BAT" terminal nut (5).

Tighten the nut to 13 N.m (115 lb in).

pic 6

7. Install the front transaxle closeout cover.
8. Install the front transaxle closeout cover bolt.

Tighten the bolt to 10 N.m (89 lb in).

9. Lower the vehicle.
10. Connect the negative battery cable.

______________________________________

I wish I had an easier answer for you, but the starter is needed to start the engine. It can't be bypassed.

Let me know if this helps or if you have other questions.

Take care and God Bless.

Joe
Was this
answer
helpful?
Yes
No
+1
Tuesday, February 2nd, 2021 AT 4:39 PM

Please login or register to post a reply.