Intermittent issue of the starter not working properly?

Tiny
ANDREW0727
  • MEMBER
  • 1994 ISUZU TRUCK
  • 145,000 MILES
When I press in my clutch and turn the key over you can hear the starter solenoid click which suggests power going to it, but my starter doesn’t turn over. It’s an on again off again issue. Sometimes it works, sometimes it doesn’t. The starter is brand new and has been tested for both battery and starter power along the power supply lines.
Starter is brand new and the battery is brand new.
Wednesday, October 12th, 2022 AT 5:54 PM

3 Replies

Tiny
JACOBANDNICKOLAS
  • MECHANIC
  • 110,192 POSTS
Hi,

I'm not sure which engine you have. Is it a 2.3L or 2.6L? What you described sounds like a weak connection issue. Are the battery terminals tight, clean, and free of corrosion? Also, have you checked grounds such as the one to the engine from the battery?

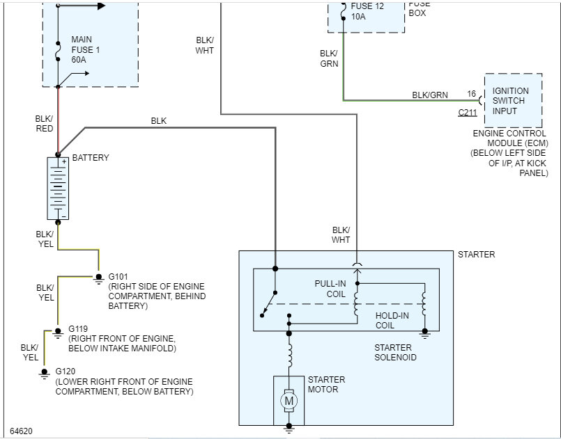
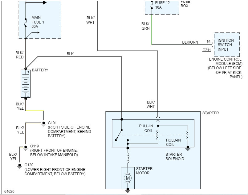
I attached a wiring schematic below of the 2.3L starter circuit so you have a reference. Check to see if there are any wiring concerns.

Let me know.

Joe

See pics below.
Was this
answer
helpful?
Yes
No
Wednesday, October 12th, 2022 AT 9:14 PM
Tiny
ANDREW0727
  • MEMBER
  • 2 POSTS
Everything’s free of corrosion. I’ve checked fuses as well I’ll test the schematic you posted today and post another reply any other insight is greatly appreciated.
Was this
answer
helpful?
Yes
No
Sunday, October 16th, 2022 AT 8:39 AM
Tiny
JACOBANDNICKOLAS
  • MECHANIC
  • 110,192 POSTS
Hi,

Did the prior starter motor which was replaced do the same thing? Also, which engine does this vehicle have? Is it the 2.3L or 2.6L?

Joe
Was this
answer
helpful?
Yes
No
Sunday, October 16th, 2022 AT 7:15 PM

Please login or register to post a reply.