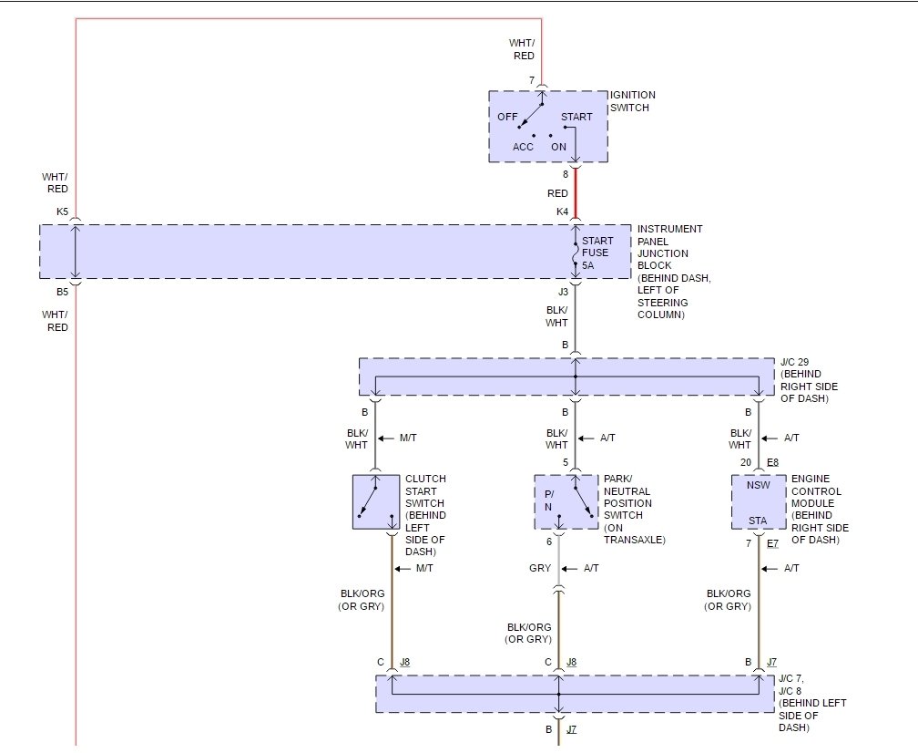
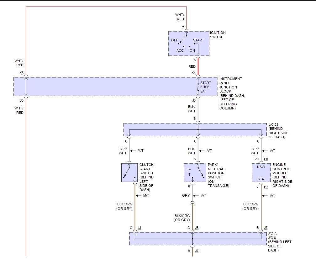
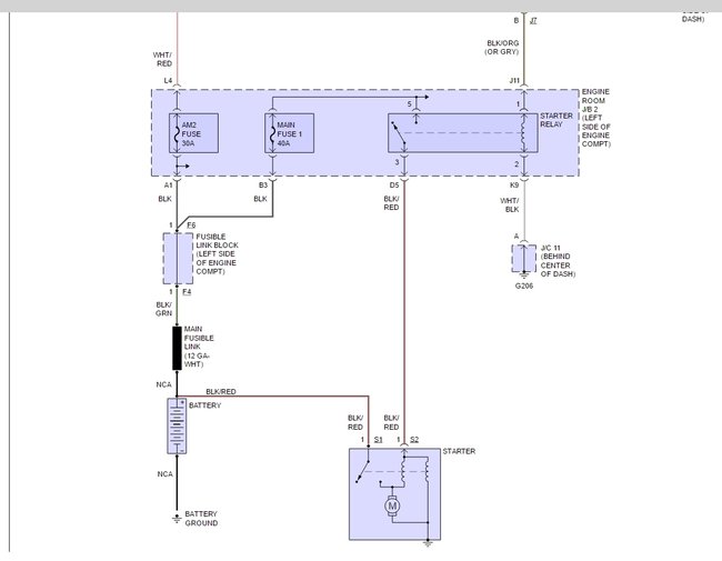
Sunday, October 23rd, 2016 AT 4:36 PM
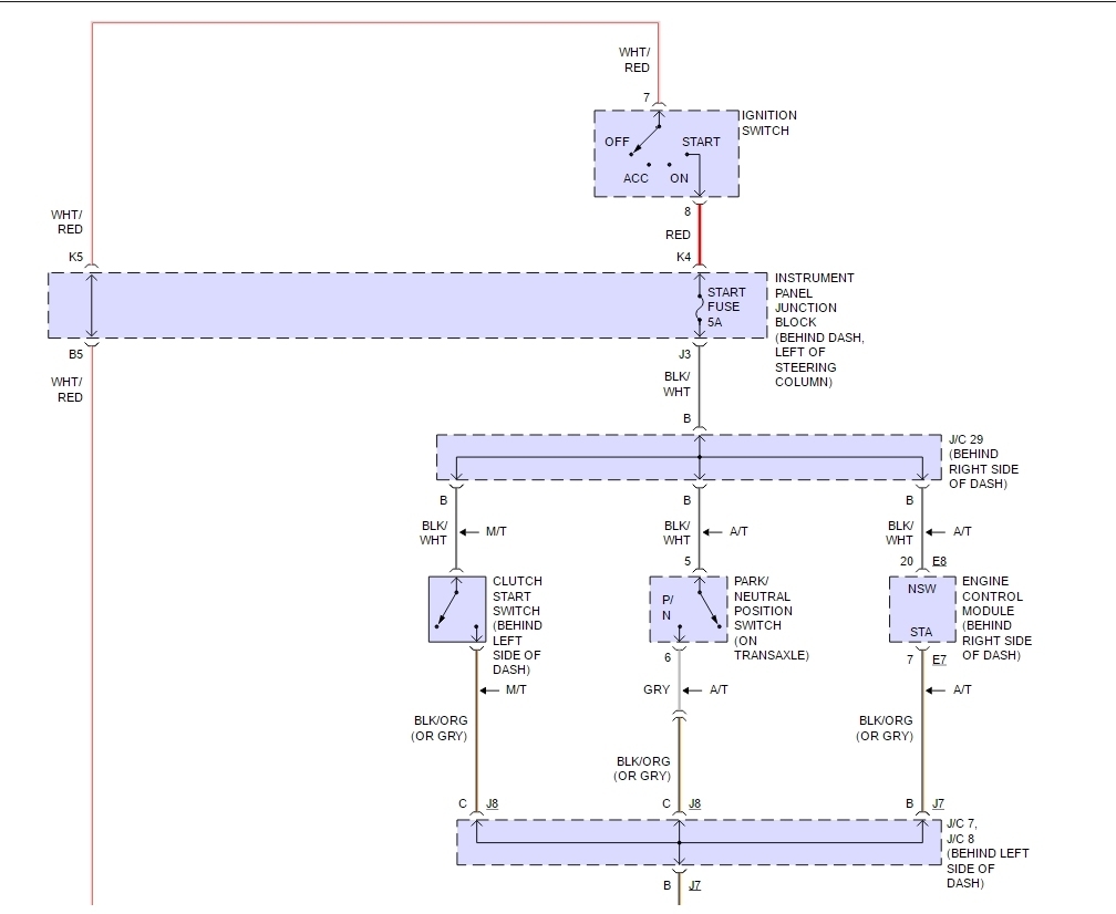
The starter fuse was blown when I picked it up. I replaced the five amp fuse and started the car fine. I turned it off and restart a number of times all was okay, until I drove the car. It runs fine but once I shut of the engine and attempt to start it the fuse is blown.




