Saturday, June 8th, 2024 AT 10:42 AM
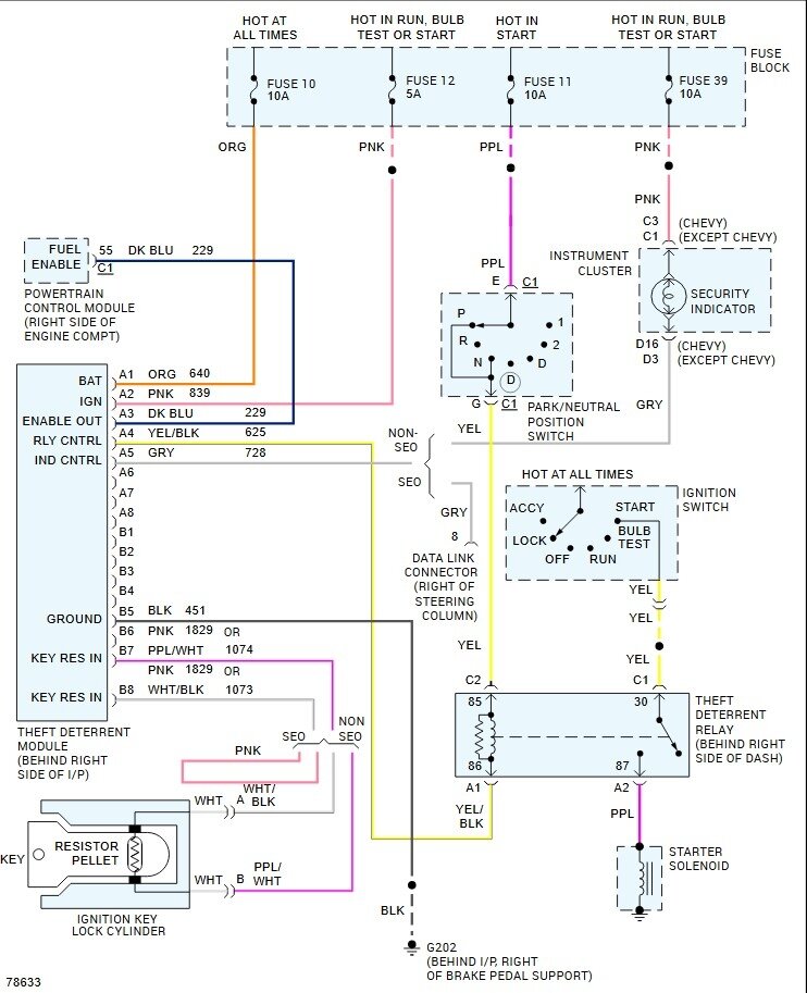
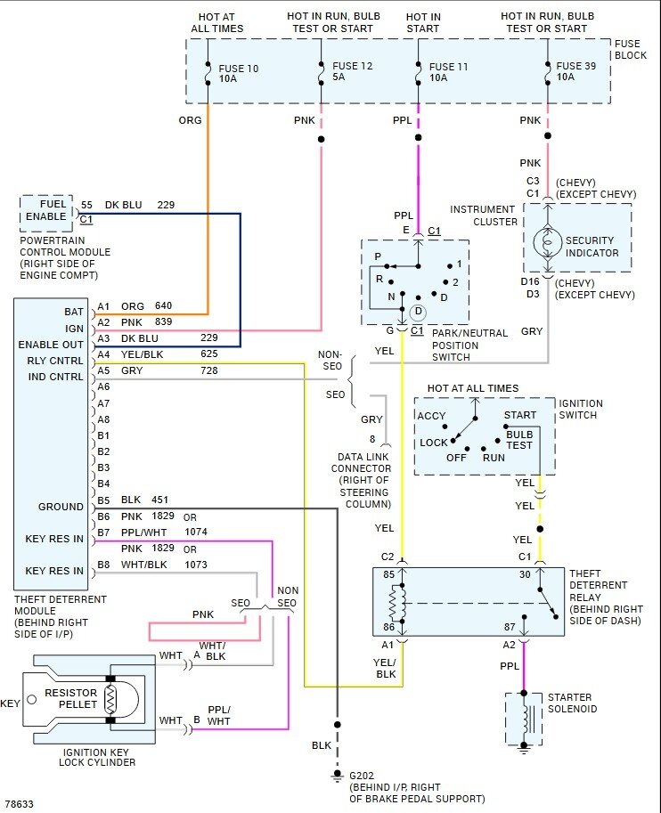
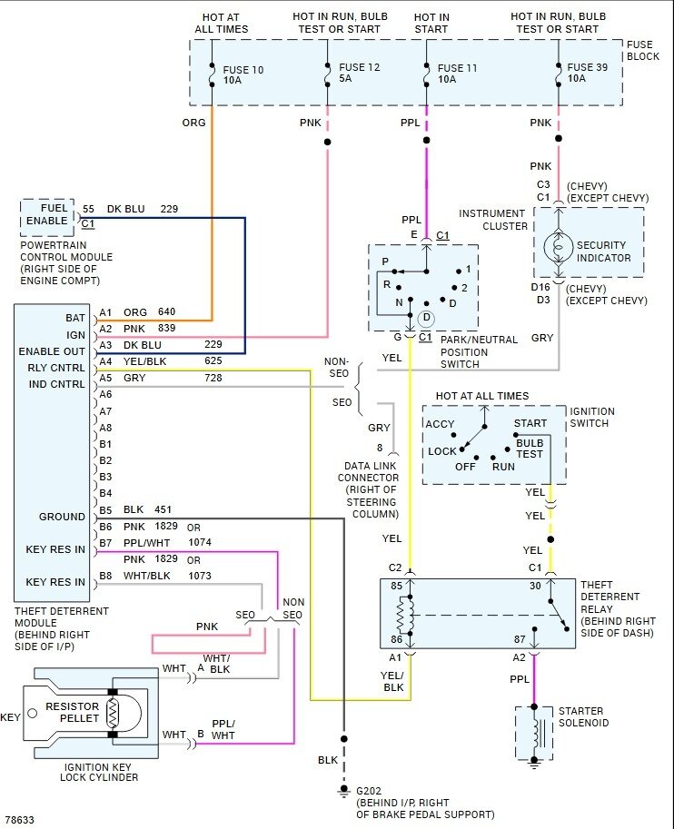
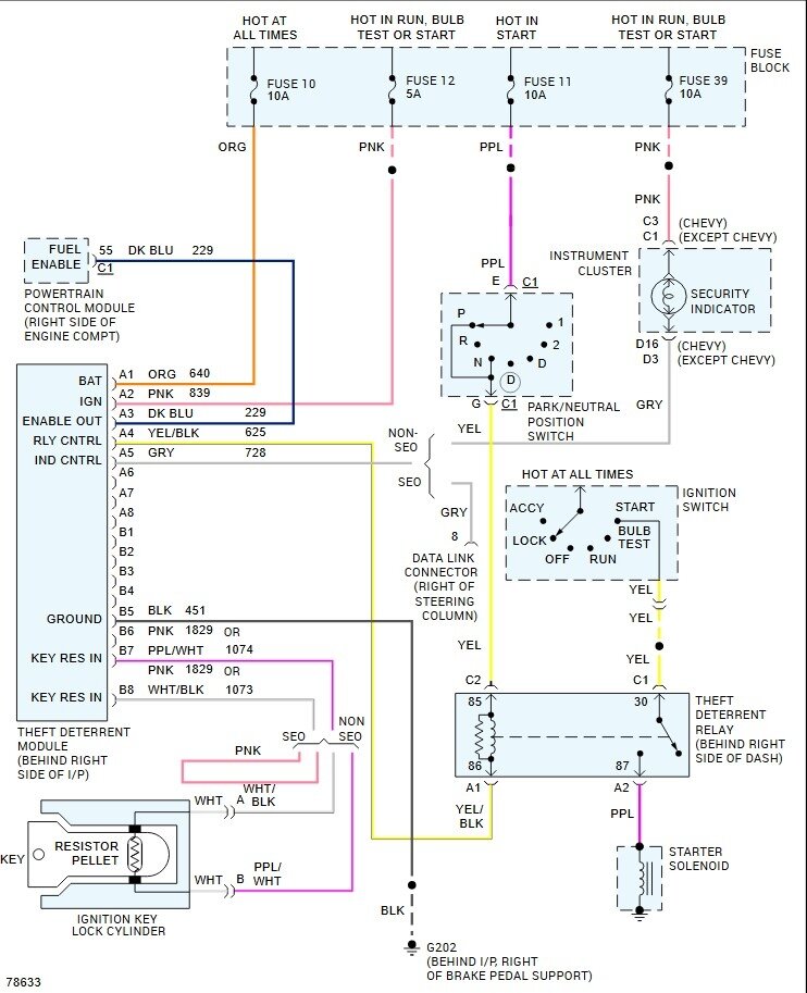
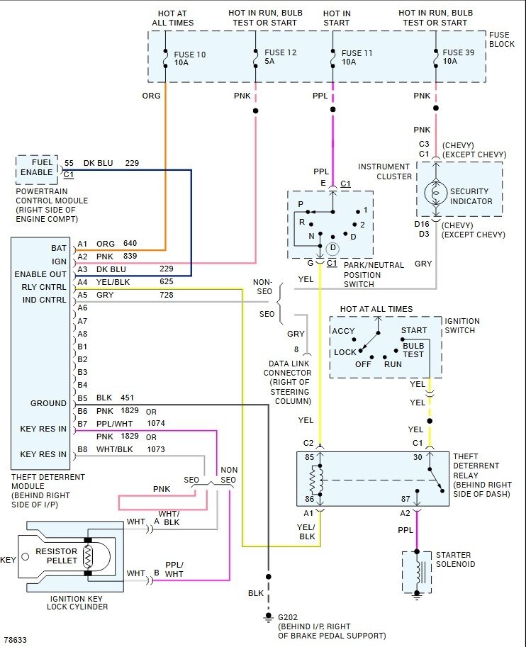
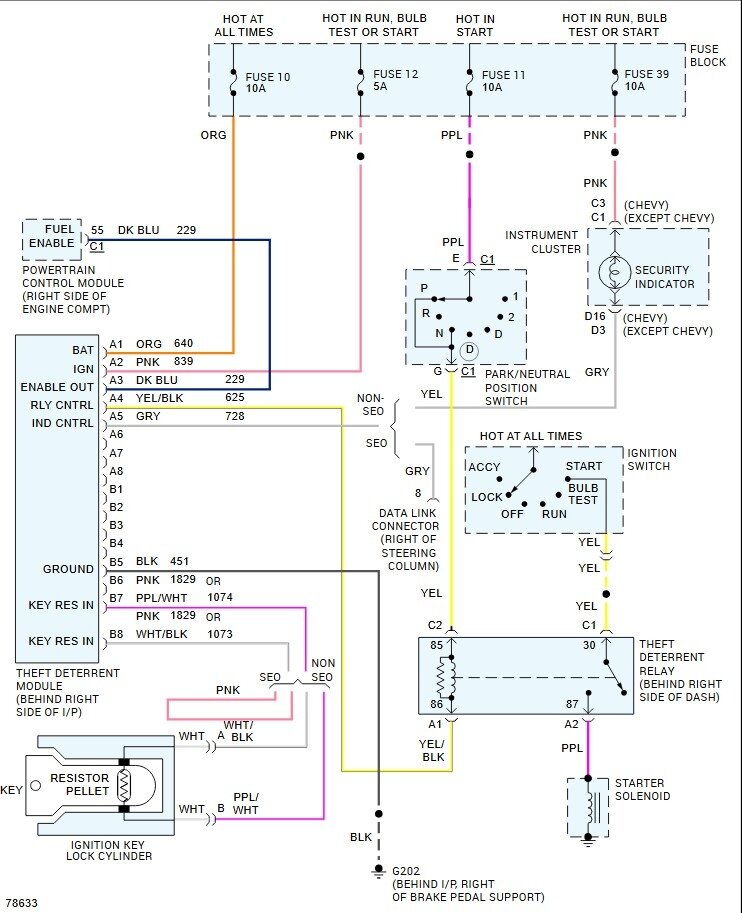
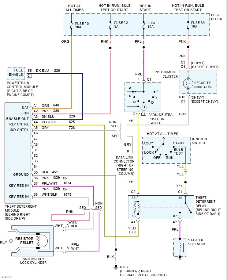
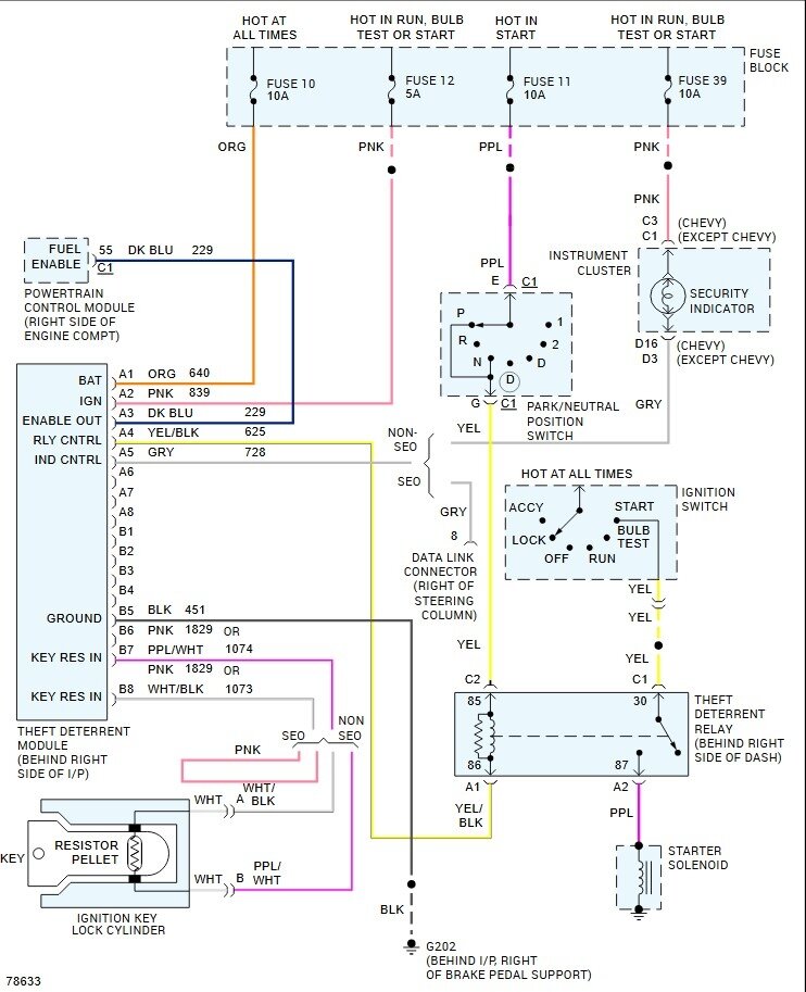
The car listed above is an SL model. No crank. Pass key 1 system. I am looking to locate the anti-theft relay that inhibits the starter energizer wire. It is supposedly taped to a harness on the right side under the dash. I have looked extensively and not seen it.



