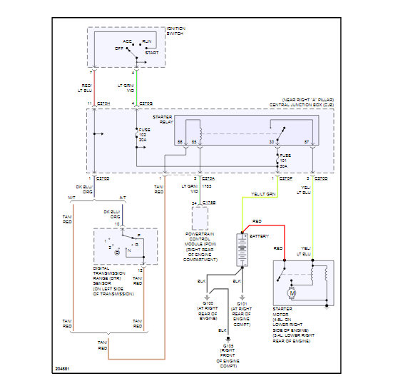
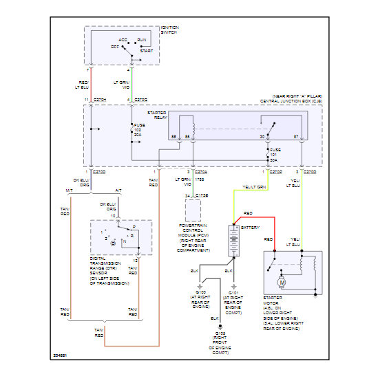
Sunday, August 4th, 2019 AT 9:55 AM
Last night I accidentally tried to start the truck with the wrong key and then it broke off when I tried to remove it. I got the broken piece out of the switch, but now the starter doesn’t turn when I try to start. The battery is good and I noticed that the gauge doesn’t drop when I have the key in the start position. What have I done and how do I fix it?

































































