All lights come on but no crank no start?

2012 AUDI Q5
150,000 MILES • 2.0L • 6 CYL • 4WD • AUTOMATIC
Avatar
KEVIN HAILEY PENNINGTON
  • MEMBER
  • 1 POST
drove to a friend's with no problem went to leave and nothing. new battery. All lights come on but no crank no start.
Oct 20, 2024 at 4:01 PM
Advertisement
Avatar
STRAILER
  • CAR REPAIR CONTRIBUTOR
  • 54,271 POSTS
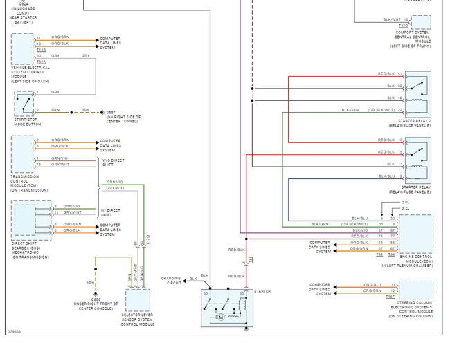
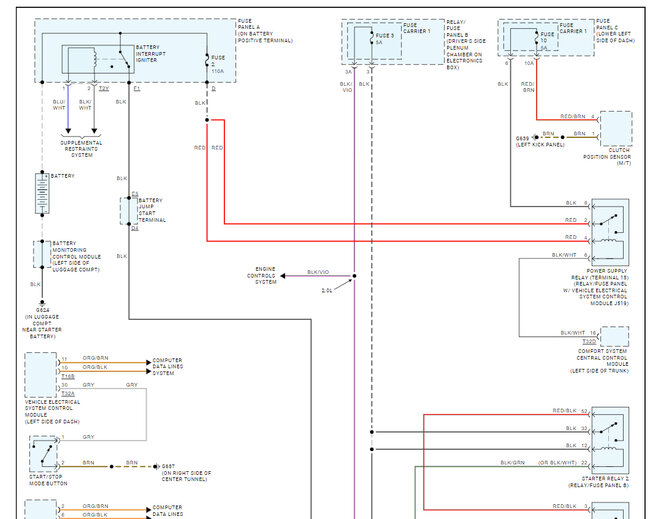
It sounds like the battery needs to be replaced or the starter motor has gone out, will the engine crank while in neutral? If so, the gear range sensor is bad. I would take the battery out and have it load tested at the auto parts store and if okay we need to test for power at trigger wire of the starter, this guide will help you and I have included the starter location and how to replace it if needed.

https://www.2carpros.com/articles/starter-not-working-repair

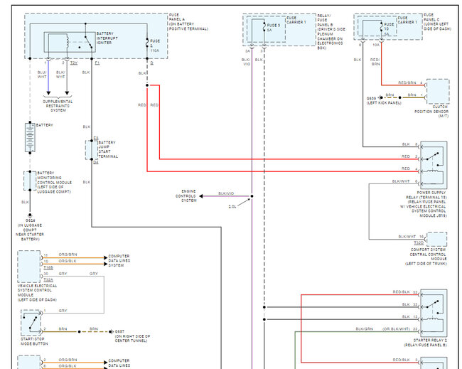
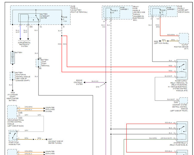
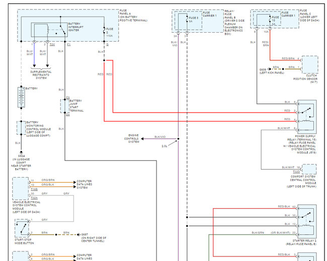
Check out the images (below). Please let us know what happens. The wire is red/blk in case you want to tap into the harness, the starter is under the turbo and hard to get to. Here are the wiring diagrams as well so you can see how the system works.
Oct 20, 2024 at 6:29 PM
Advertisement
Repair Safety Notice: This information is for general instructional purposes only. Vehicle repair can be dangerous. Verify all information, follow manufacturer service procedures, use proper tools and safety equipment, and consult a qualified repair shop when needed.