Stalling and exhaust popping

Tiny
MECHANICALMORON5
  • MEMBER
  • 1995 GMC SIERRA
  • 5.7L
  • V8
  • 4WD
  • AUTOMATIC
  • 275,000 MILES
I have 2 possibly related problems. I bought the truck listed above K1500 with 275k on the dash and under 500 miles on the rebuilt 5.7L v8. It has a new starter, alternator, battery, brakes, rear brake lines, rims and tires. They also put an RV cam. I will note that the original motor was a 5.7L, but the rebuild is a different 5.7L. I ran the engine check because there was a light it comes up as Knock Sensor[I think it was code 43], I have read that is just because of the RV cam, and there's no fix other than removing the cam. I have a new distributor, coil, and plug wires to put on it, but I have yet to have that done. I've noticed the idle is closer to stalling in Drive than in Park while not moving either way. It seems like it gets close to stalling, and then receives fuel to keep going, but when it's in drive it seems closer to shutting off every cycle. I have yet to have it stall in park idling, only while in drive. If there's any other information I can provide that would be useful, I greatly appreciate any and all help. Thank you.

Edit: Forgot to talk a little about the exhaust popping, there seems to be some correlation to the heat of the motor, but I could be mistaken. It pops out the exhaust, no weird noises from the hood or etc. It almost sounds like a cracking-pop.
Sunday, August 23rd, 2020 AT 12:02 PM

1 Reply

Tiny
KASEKENNY
  • MECHANIC
  • 18,907 POSTS
These issues could be related as you stated. The popping from the exhaust is a couple different concerns. First and foremost it is when the engine runs rich and it puts fuel into the exhaust. Then as the exhaust heats up the fuel actually combusts and you get a mini explosion in the exhaust causing the noise.

If this is the issue then that can also explain the stalling concern if the engine is running too rich.

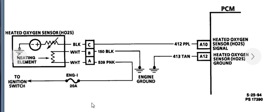
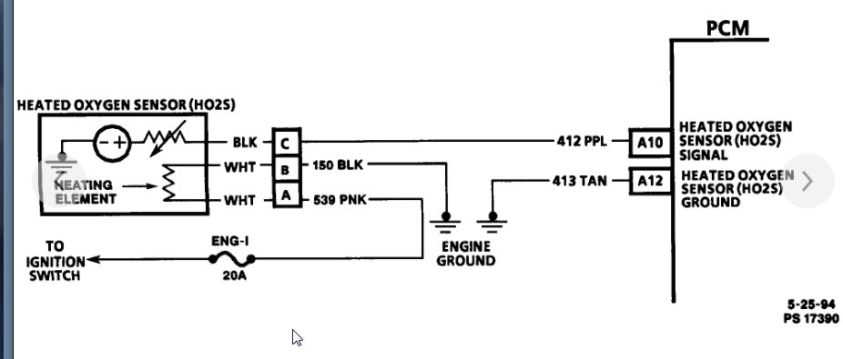
Let's start by checking the voltage on the o2 sensors. You should be able to monitor this with a scan tool in the PCM or just a meter on the signal wire.

We need to look and see if you have a three wire or single wire o2 sensor to determine if they are heated or not. That will change which wire is the signal. Clearly if it is the single wire sensor then that is the signal. Take a look at the wiring diagrams for more info.

Thanks
Was this
answer
helpful?
Yes
No
Sunday, August 23rd, 2020 AT 3:27 PM

Please login or register to post a reply.