SRS light on

Tiny
RICHARD756
  • MEMBER
  • 2006 MERCEDES BENZ SLK280
  • 3.0L
  • 6 CYL
  • 2WD
  • AUTOMATIC
  • 83,000 MILES
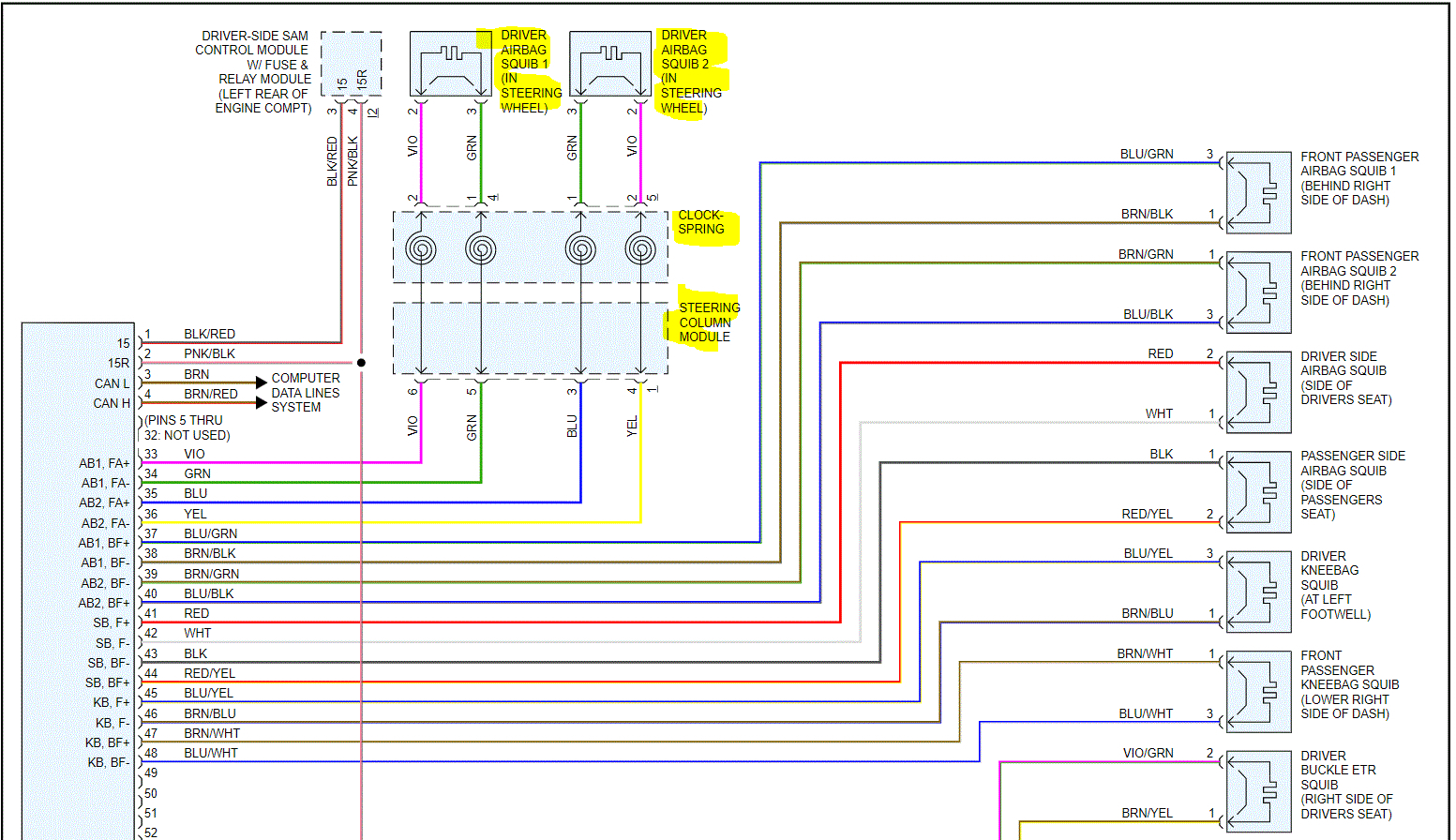
Srs code r 1 2/9 driver side air bag squd is too high.
Thursday, May 6th, 2021 AT 5:52 AM

1 Reply

Tiny
JACOBANDNICKOLAS
  • MECHANIC
  • 110,192 POSTS
Hi,

The resistance is too high. Chances are it is related to a broken/faulty clock spring in the steering column.

Also, just fyi, there was a recall on the airbags on many of these vehicles. Have you had them replaced or determined if this vehicle was affected?

The clock spring is located in the steering column. What I recommend is having the can-bus system scanned for codes. CAN stands for controller area network. Basically, all the computers/modules are tied together via a few wires. By performing this type of scan, we will know if any other codes are present.

I'm suggesting this because there are other things that can cause the code. A faulty squib connection, an open circuit between the module and airbag,

Here is a video showing how the can is scanned:

https://youtu.be/InIlnsjOVFA

Also, I attached the schematics for the supplemental restraining system. I had to cut it in half to make it readable, but I did overlap them so you can follow from one to the other.

I highlighted the airbag squibs. Note that they both go through the clock spring to the steering column module. From there, they go to the restraining module. My first thought is the clock spring.

I hope this helps. Let me know if you have other questions.

Take care,

Joe
Was this
answer
helpful?
Yes
No
+1
Friday, May 7th, 2021 AT 8:05 PM

Please login or register to post a reply.