While driving the Speedometer bounces?

Tiny
HOGANJONES
  • MEMBER
  • 1982 GMC C2500
  • 5.7L
  • V8
  • 2WD
  • MANUAL
  • 42,000 MILES
The needle is bouncing when I'm driving. At points it stops bouncing but doesn't read the correct speed. I replaced the lower speedometer cable and made sure there's no sharp bends in the cable. Took the upper cable out and regreased. Any Ideas?
Sunday, October 15th, 2023 AT 8:07 AM

5 Replies

Tiny
KEN L
  • MASTER CERTIFIED MECHANIC
  • 55,476 POSTS
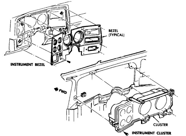
I would use ATF to lube the cable, if this doesn't work, I would take apart the cluster to service the speedo head itself. The following material covers only that service on speedometers which is feasible to perform. Repairs on the units themselves are not included as they require special tools and extreme care when making repairs and adjustments that only an experienced speedometer technician should attempt.
The speedometer has two main parts--the speedometer head and the speedometer drive cable. When the speedometer fails to indicate speed or mileage, the cable or cable housing is probably broken.

SPEEDOMETER CABLE
Most cables are broken due to lack of lubrication, or a sharp bend or kink in the housing.
A cable might break because of the speedometer head mechanism binds. In such cases, the speedometer head should be repaired or replaced before a new cable or housing is installed.
A ``jumpy'' pointer condition, together with a scraping noise, is due, in most instances, to a dry or kinked speedometer cable. The kinked cable rubs on the housing and winds up, slowing down the pointer. The cable then unwinds and the pointer ``jumps.''
To check for kinks, remove the cable, lay it on a flat surface and twist one end with the fingers. If it turns over smoothly the cable is not kinked. But if part of the cable flops over as it is twisted, the cable is kinked and should be replaced.

LUBRICATION
The speedometer cable should be lubricated with special cable lubricant. Fill the ferrule on the upper end of the housing with the cable lubricant. Insert the cable in the housing, starting at the upper end. Turn the cable around carefully while feeding it into the housing. Repeat filling the ferrule except for the last six inches of cable. Too much lubricant at this point may cause the lubricant to work into the speedometer head.

INSTALLING CABLE
During installation, if the cable sticks when inserted in the housing and will not go through, the housing is damaged inside or kinked. Be sure to check the housing from one end to the other. Straighten any sharp bends by relocating clamps or elbows. Replace housing if it is badly kinked or broken. Position the cable and housing so that they lead into the head as straight as possible.
Check the new cable for kinks before installing it. Use wide, sweeping, gradual curves where the cable comes out of the transmission and connects to the head so the cable will not be damaged during installation.
Arrange the housing so it does not lean against the engine because heat from the engine may dry out the lubricant.
If inspection indicates that the cable and housing are in good condition, yet pointer action is erratic, check the speedometer head for possible binding.
The speedometer drive pinion should also be checked. If the pinion is dry or its teeth are stripped, the speedometer may not register properly.

Check out the images (below). Please let us know what happens.
Was this
answer
helpful?
Yes
No
Sunday, October 15th, 2023 AT 12:56 PM
Tiny
HOGANJONES
  • MEMBER
  • 16 POSTS
Ken,

Thank you for all the great information. Took the upper cable out not jumping when twisting. Lower cable is brand new and there are no kinks in the route to the transmission. The needle bounces and settles down but at the wrong speed. The mileage continues to work no issues there. I will clean and re-lube with ATF.

Thanks again.
Was this
answer
helpful?
Yes
No
Sunday, October 15th, 2023 AT 4:39 PM
Tiny
KEN L
  • MASTER CERTIFIED MECHANIC
  • 55,476 POSTS
You are welcome, it could be the speedometer hear itself. Please let me know if you need any more help.
Was this
answer
helpful?
Yes
No
Monday, October 16th, 2023 AT 9:29 AM
Tiny
HOGANJONES
  • MEMBER
  • 16 POSTS
Ken, I pulled both cables our relube with ATF and the bouncing has gone away. Thank you for the help. On to my next Item.
Was this
answer
helpful?
Yes
No
Sunday, October 22nd, 2023 AT 11:05 AM
Tiny
KEN L
  • MASTER CERTIFIED MECHANIC
  • 55,476 POSTS
Good to hear, please use 2CarPros anytime we are here to help.
Was this
answer
helpful?
Yes
No
Monday, October 23rd, 2023 AT 7:43 AM

Please login or register to post a reply.