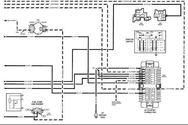
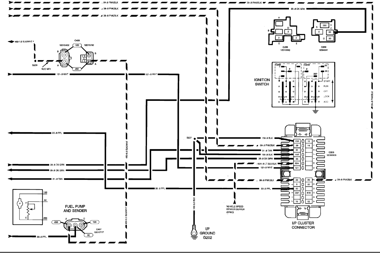
Saturday, March 16th, 2024 AT 3:03 PM
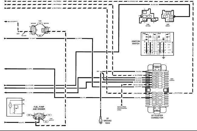
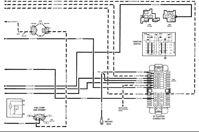
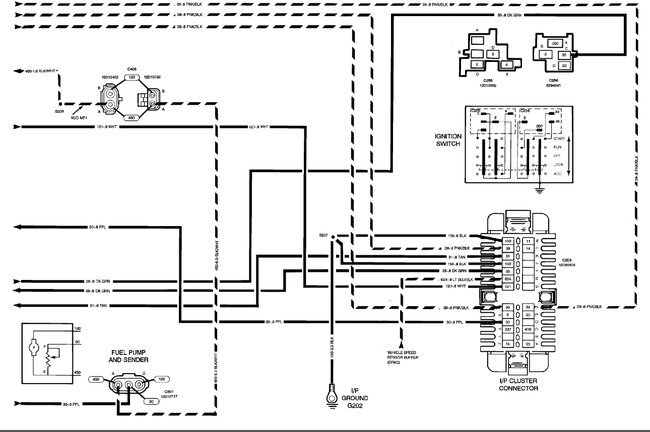
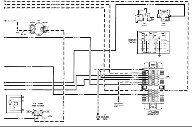
My speedometer gauge bounces up and down periodically and most of the time reads max speed. I’m not sure if this is normal but my rpm gauge seems to be reading a lot higher than it should. How can I fix or diagnose this?




