Speedometer not working?

Tiny
CHULOW
  • MEMBER
  • 2007 KIA SPECTRA
  • 4 CYL
  • 2WD
  • AUTOMATIC
  • 156,000 MILES
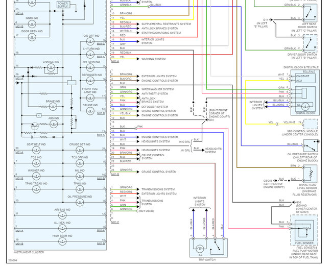
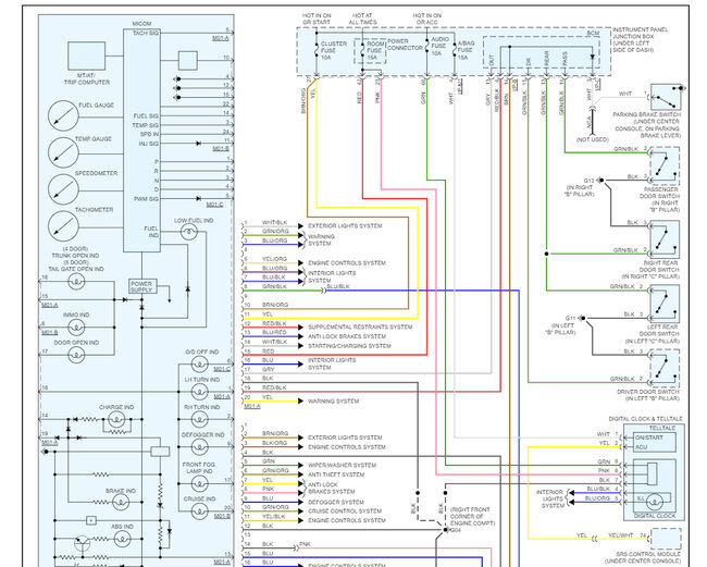
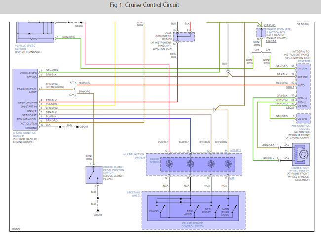
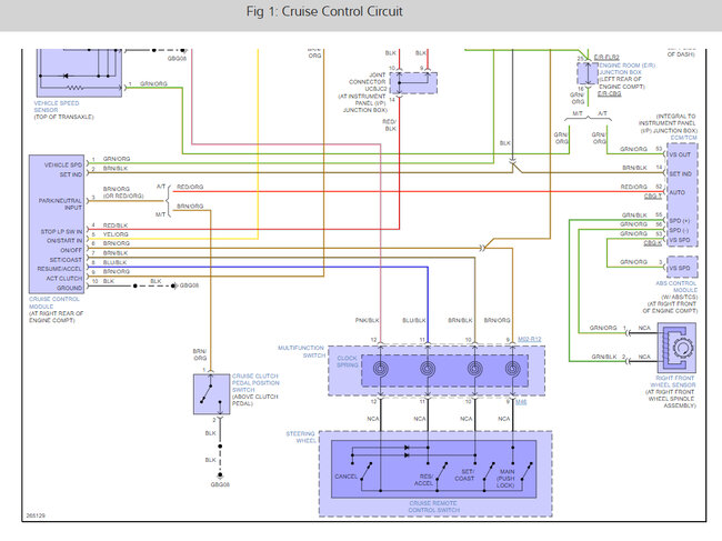
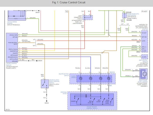
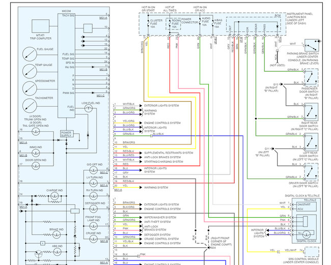
Speedo doesn't work at all. Install a good used cluster and same
issue. Using a scan tool speed sensor shows to be reading. Need wiring diagram to trace wires and any info you have would help.
Tuesday, February 21st, 2023 AT 7:14 AM

1 Reply

Tiny
KEN L
  • MASTER CERTIFIED MECHANIC
  • 55,414 POSTS
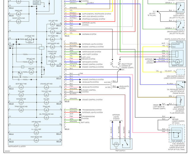
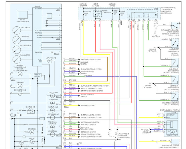
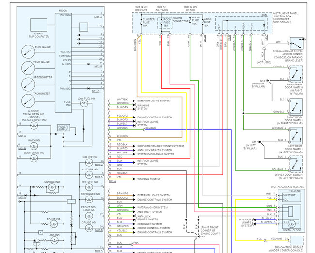
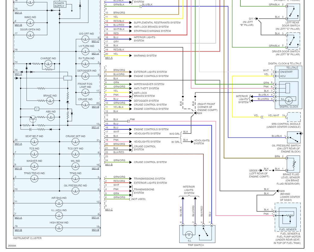
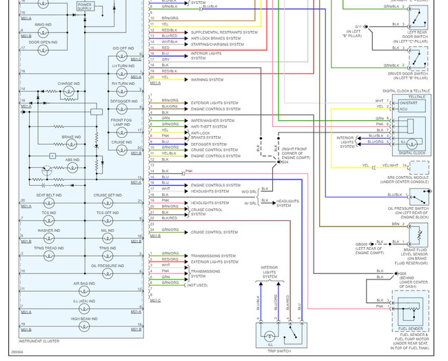
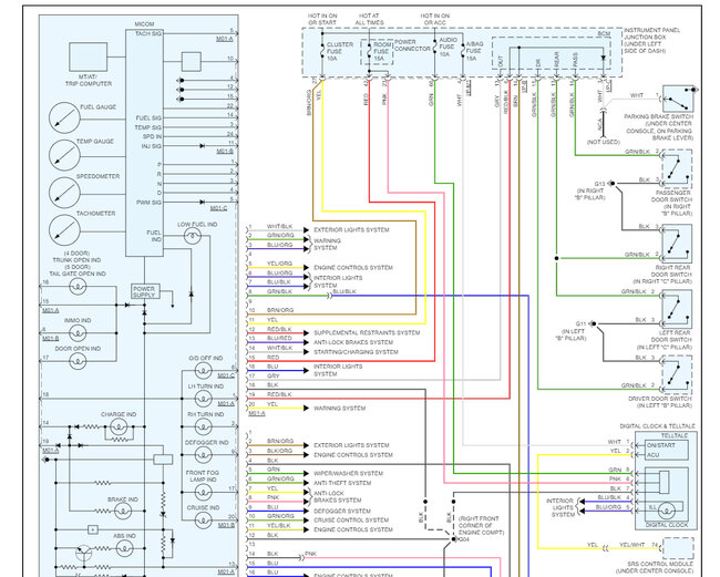
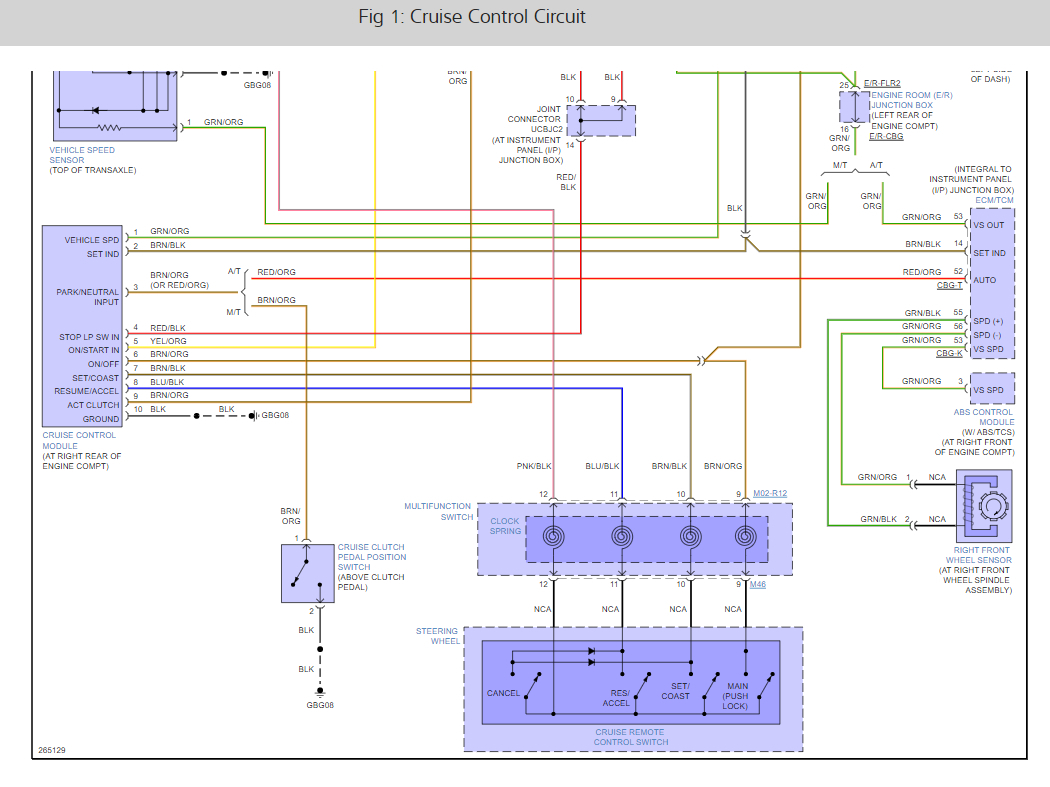
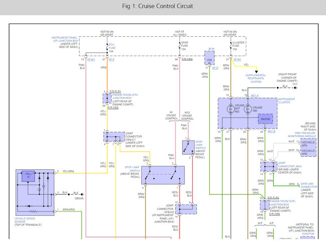
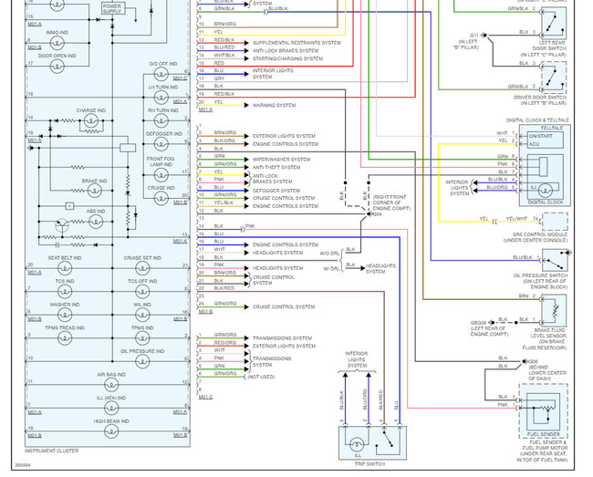
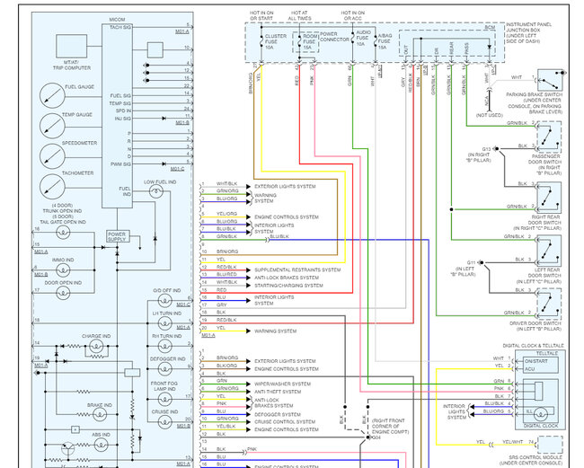
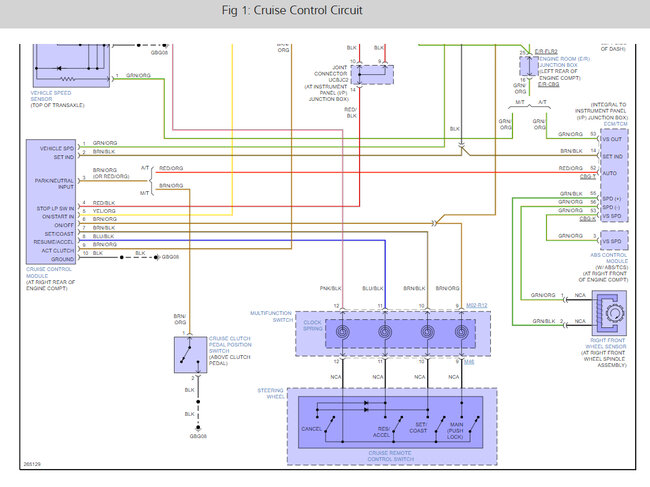
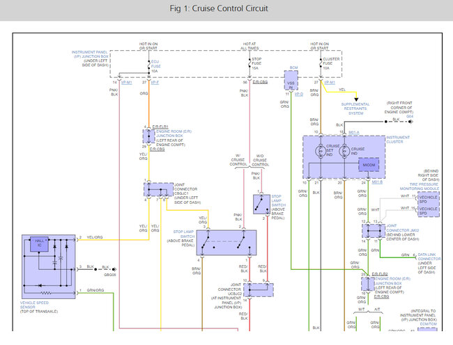
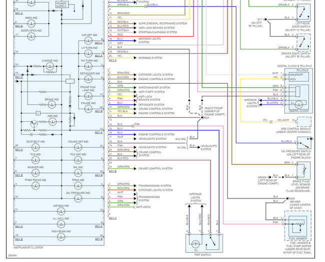
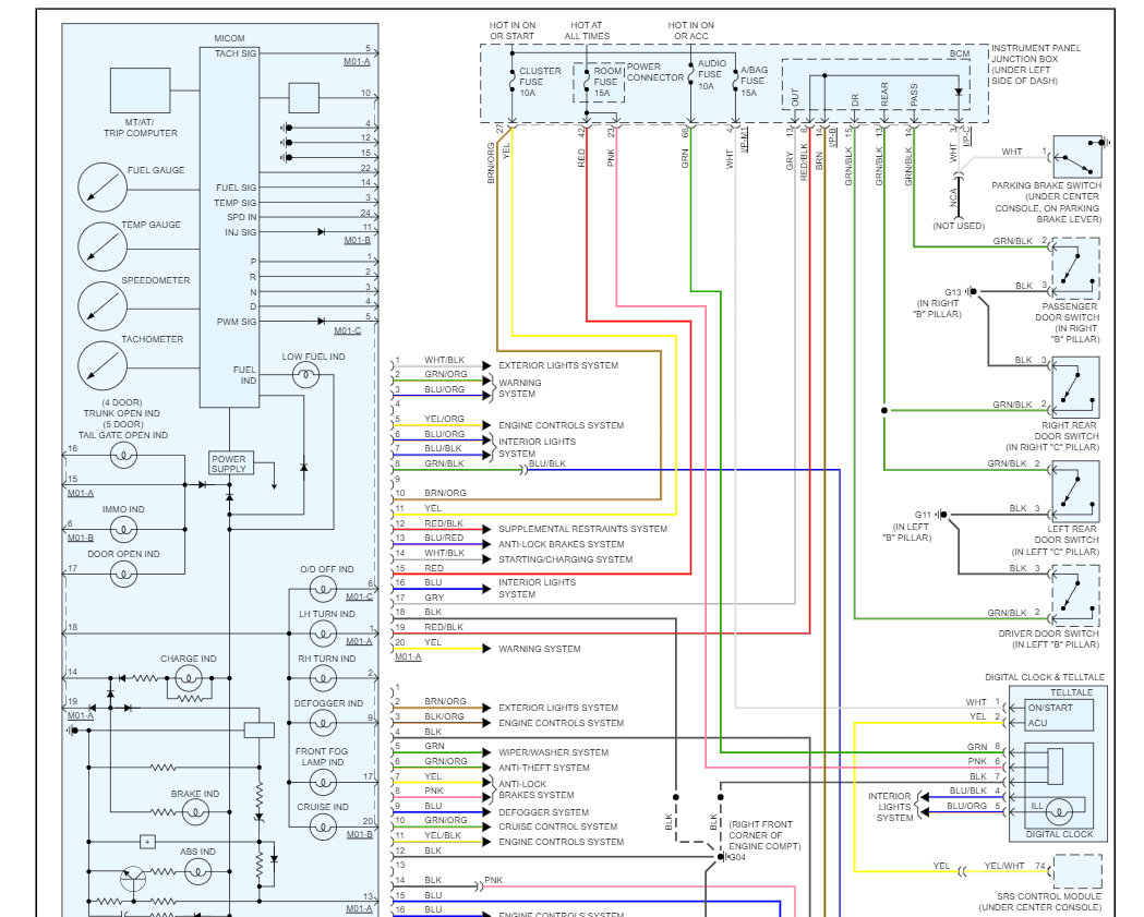
The speedometer signal is routing through the cruise control. Here are the wiring diagrams so you can see how the system works and the cruise control module so you can check it out. If the connections are good, I would replace the cruise control module, the signal must be getting lost internally. Please check the images below and get back to me, I am interested to see what you find.
Was this
answer
helpful?
Yes
No
+1
Tuesday, February 21st, 2023 AT 12:43 PM

Please login or register to post a reply.