Tuesday, December 19th, 2023 AT 2:54 AM
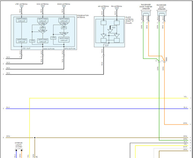
I'm looking for a speaker wiring schematic for the vehicle listed above with amp. Replacing the speakers in the doors and looking for the proper positive and negative colors for the wires going to each speaker.









