Friday, December 20th, 2019 AT 6:31 PM
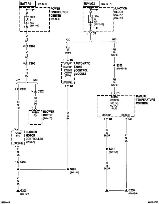
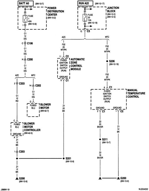
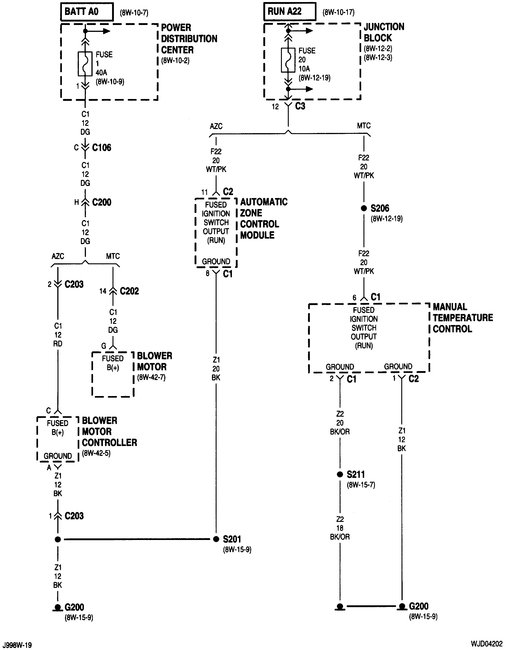
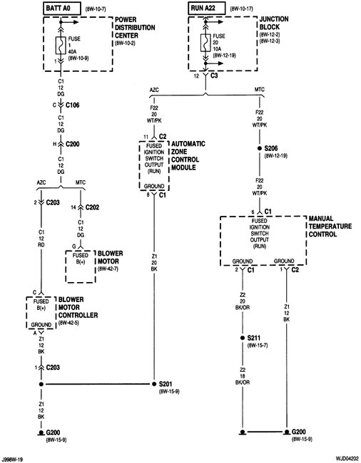
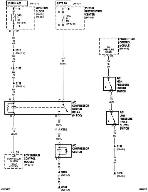
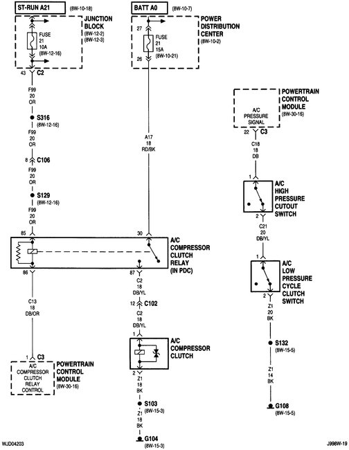
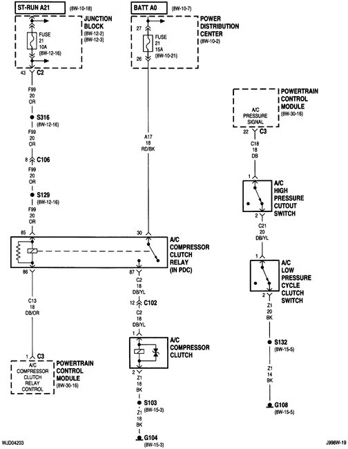
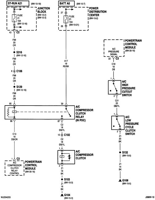
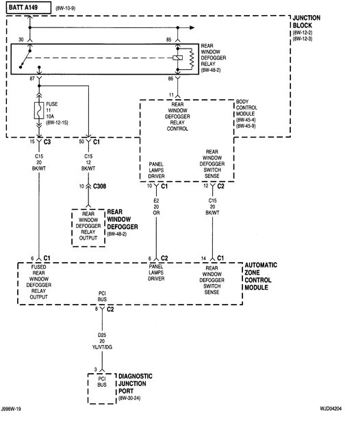
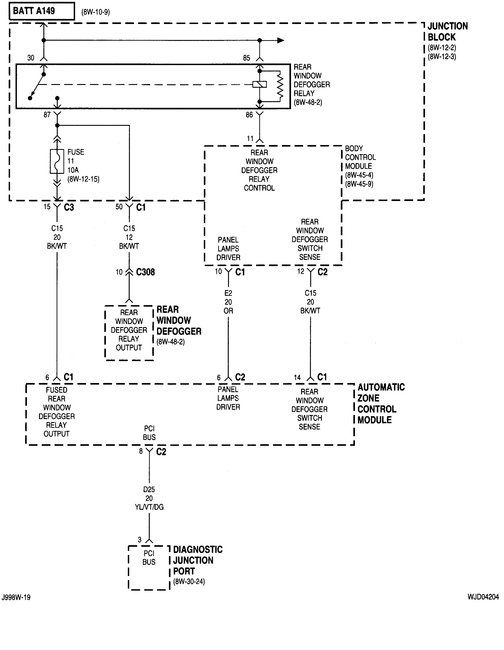
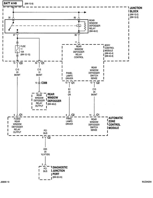
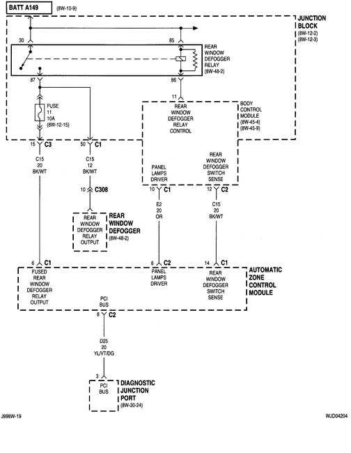
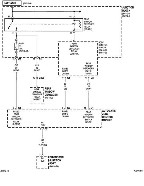
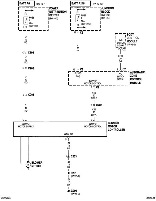
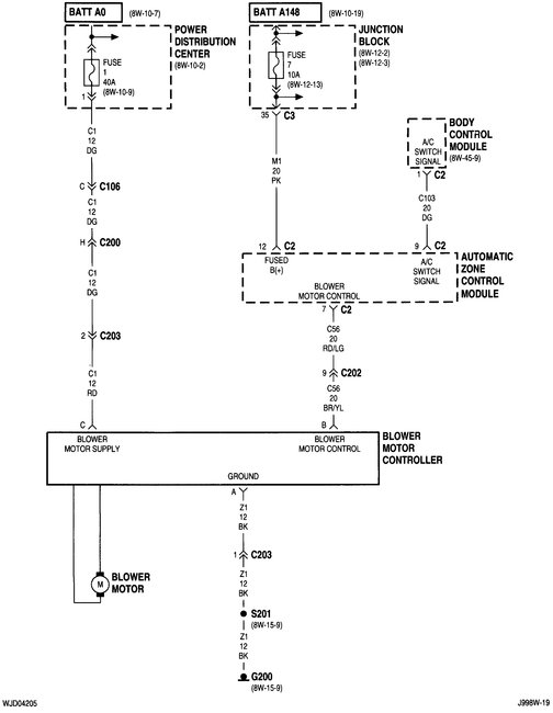
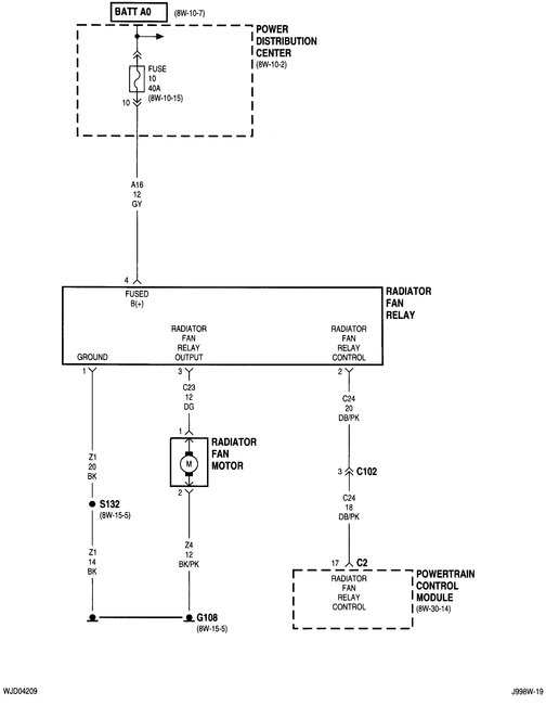
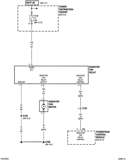
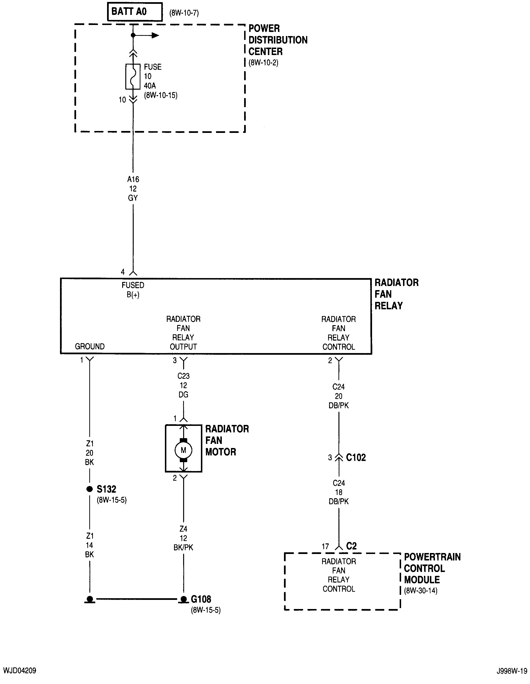
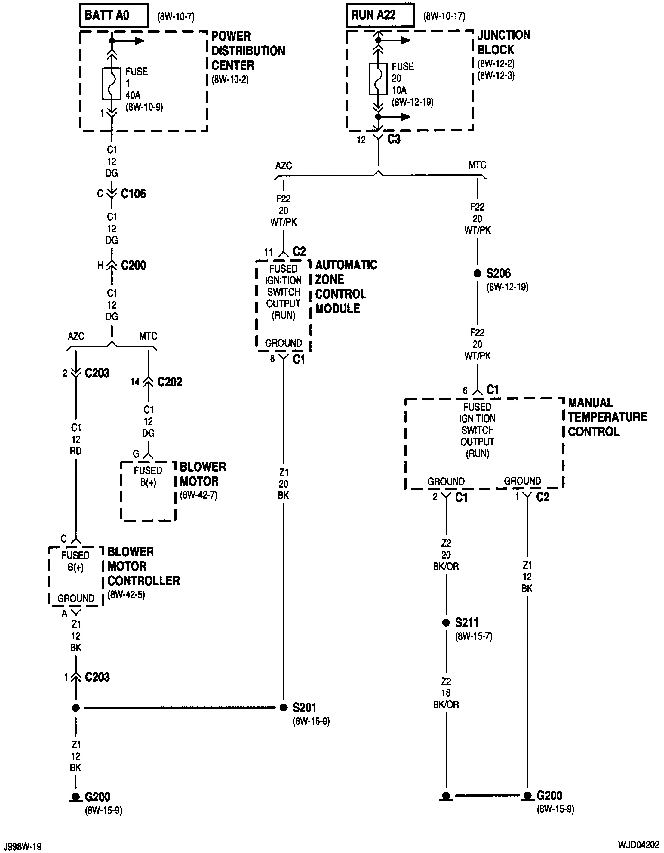
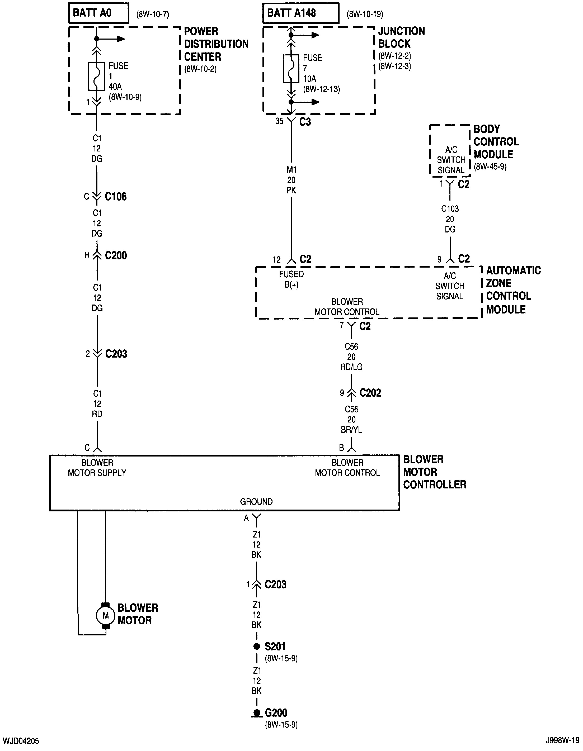
I think the circuit for the heater is normally open with loss of power or ground intermittently making contacts close causing heater fan to operate. It also is not constant more like switching of and on. I have been searching internet to see what relays are under dash above left foot drivers side to see if I could replace a heater blower motor relay. So far I dont see a diagram that shows one. Do think you could help?








