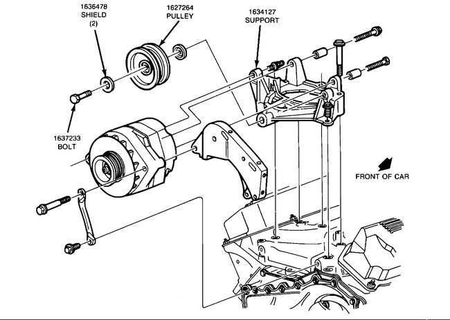
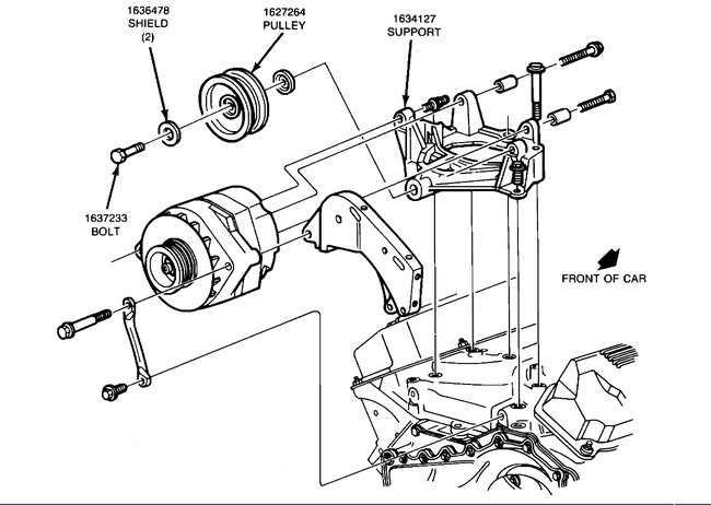
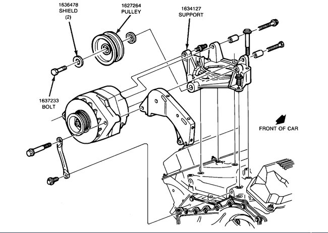
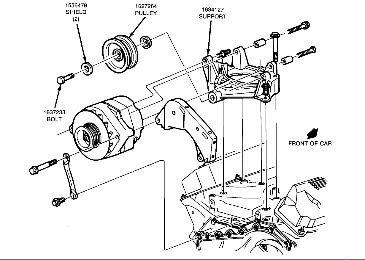
Smog pump belt tensioner location

Tiny
THOMAS RILEY WILSON
  • MEMBER
  • 1984 CADILLAC DEVILLE
  • 4.1L
  • V8
  • 2WD
  • AUTOMATIC
  • 100,000 MILES
How or where is the tensioner for the smog pump belt?
Thursday, June 6th, 2019 AT 9:49 PM

2 Replies

Tiny
SCGRANTURISMO
  • MECHANIC
  • 4,897 POSTS
Hello,

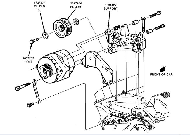
I have included the information on the smog pump for your vehicle in the diagrams down below as well as a Technical Service Bulletin*TSB) that you might find interesting concerning your vehicle's drive belts. I could not, however, find anything on the location of the tensioner for your vehicle in either of our two reference guides. Usually however it will be one the components in the diagram that I sent you will have a bolt the loosens and you can swivel that component away from the others adjusting the belts tension that way. Look at each component that the smog pump belt drives, and you should find it. Let us know how things turn out.

Thanks,
Alex
2CarPros
Was this
answer
helpful?
Yes
No
-1
Friday, June 7th, 2019 AT 1:08 AM
Tiny
EMWARDJR
  • MEMBER
  • 1 POST
For your car the adjuster is on the bottom left side of the pump (as you look at it from the right side of the car). Remove the hose that attaches to the pump, and with a strong light look down deep and you will see it.
Was this
answer
helpful?
Yes
No
+1
Monday, December 21st, 2020 AT 2:35 PM

Please login or register to post a reply.