Smart Junction Box?

Tiny
MELLON1993
  • MEMBER
  • 2007 FORD FUSION
  • 2.0L
  • 4 CYL
  • AUTOMATIC
  • 266,000 MILES
Okay so, in the engine compartment there are 3 different fuses.

Fuse NO. 1 (60A) SJB Power Fed Fuse
12, 13, 14, 15, 16, 17, 18 C/B

So, my question is this, are those fuse numbers for the inside of the vehicle or in the engine compartment fuse box and also what does this fuse really mean and what does the C/B mean?

Fuse NO. 19 (40A) Logic Fed to SJB
What does this fuse mean?

Fuse NO. 23 (60A) SJB Power Fed Fuses
1, 2, 4, 10, 11
Is this like the top fuse I first asked about?

The only reason for my question is I am trying to understand how the SJB box works and functions and what if any fuses does it controls. I have worked on many different cars but never had to deal with an SJB. I am just trying to understand and clarify what this is and how it all works.
Friday, September 23rd, 2022 AT 7:46 PM

8 Replies

Tiny
STEVE W.
  • MECHANIC
  • 15,687 POSTS
All the SJB really amounts to is a fuse box that they added some internal controls to, like relays or controlled power feeds. Like a fuel pump relay that is soldered to the internal board and controlled by the ECU or the security system. Or maybe the high and low beam headlights have those relays mounted to the board in the box instead of easily replaceable. In your case the accessory delay relay circuitry is in there along with many other relays built into the board.

In your case you have the battery junction box out under the hood. That is a basic old style fuse box that holds fuses and replaceable relays. The fuses you list 1, 19 and 23 send power from the under-hood box to the SJB inside the car. The C/B means a circuit breaker and the other numbers are the fuses in the SJB that the large fuses power.
So, fuse 1 powers the fused circuits listed as a main power feed. The "Logic" feed fuses however power other fuses and control circuits in the SJB.

The idea sort of makes sense if you consider that the old ways had power to say the headlights, come from the battery, through a fuse, through a long wire to the headlight switch then through the dimmer switch and finally out to the respective headlights. Then the next step was the relay and fuse boxes, in those they run the power from the battery to a fuse and to relays in the box and out to the bulbs directly, and only require a small signal voltage to activate the relays, so the high current power feeds are now shorter and require less wire and result in more stable voltage. Today the next versions are the SJB or the TIPMs in Chryslers. In those you have the full logic controls inside the box with the power fuses and relays and all the interior controls do is send a signal pulse to the body module or ECU/TCU and tell the smart box to "Turn on the low beams" or "Honk the horn". The issue though is that now instead of replacing the right-side high beam relay, you end up replacing the entire fuse box because the control circuitry and the relays are all built in and not designed for the average person to replace.
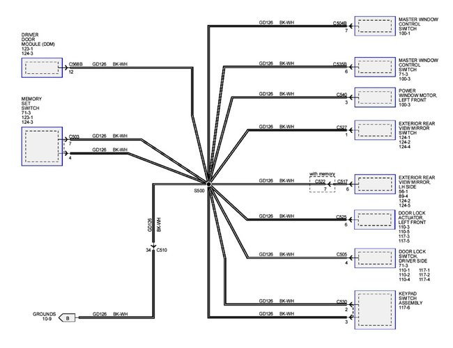
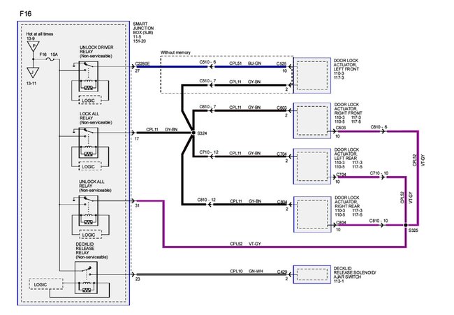
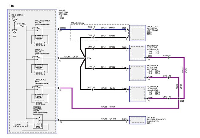
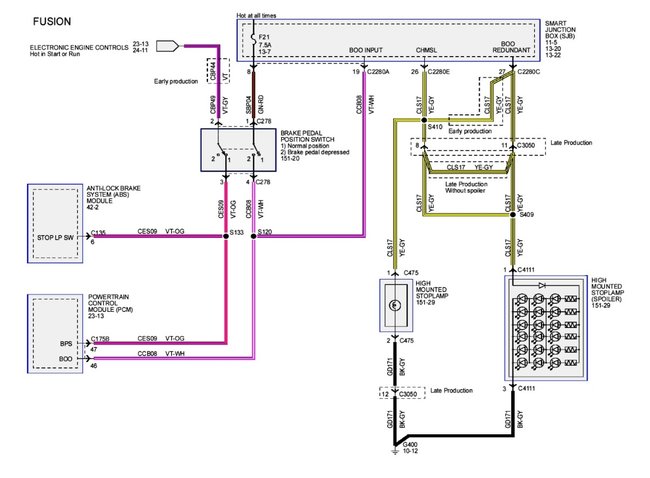
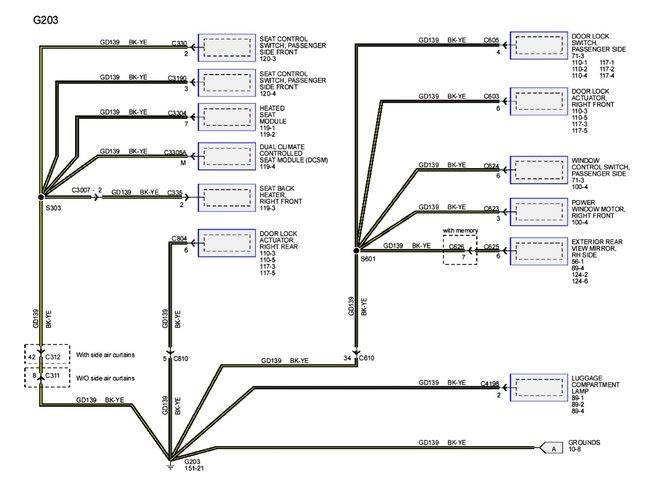
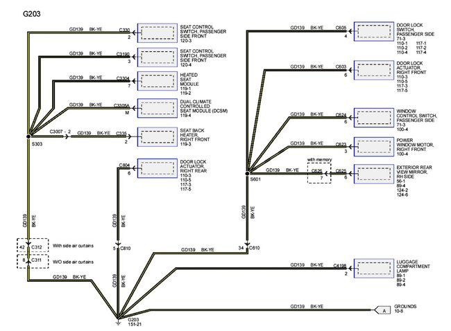
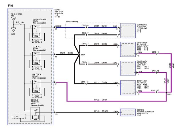
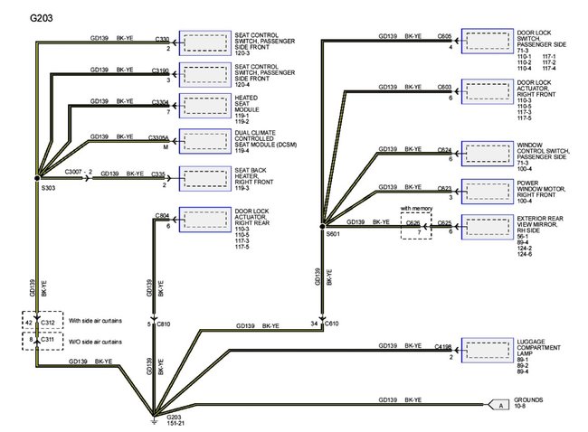
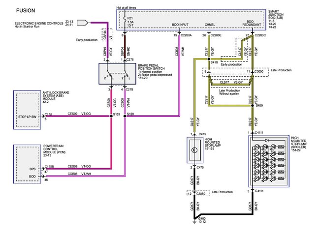
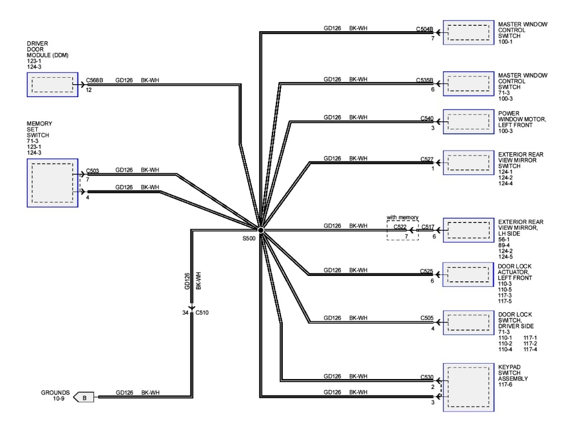
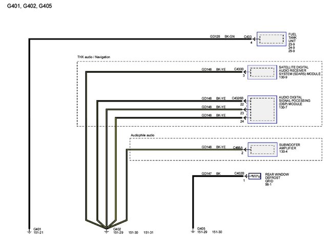
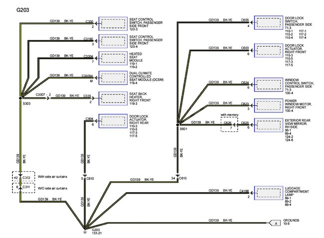
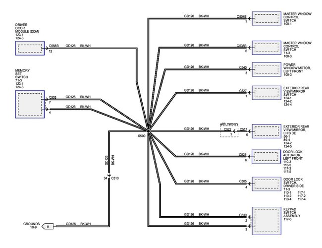
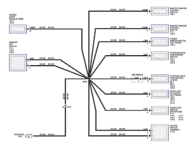
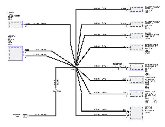
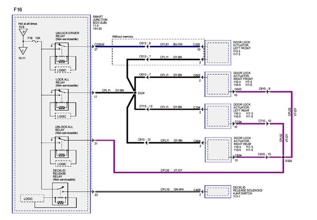
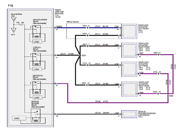
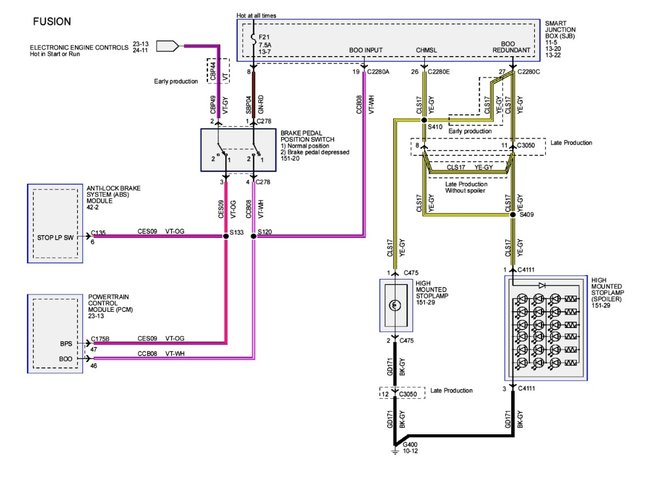
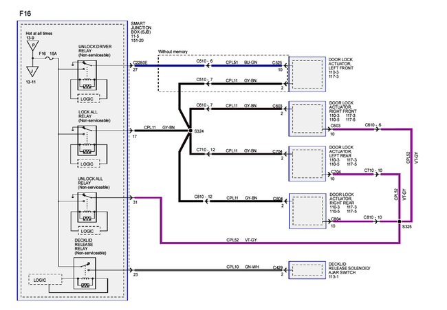
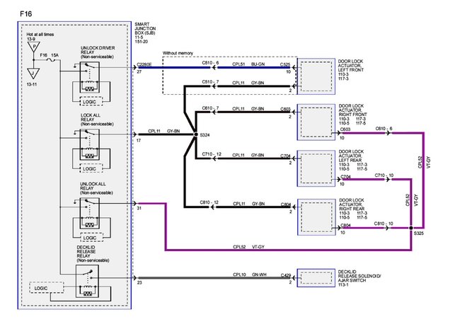
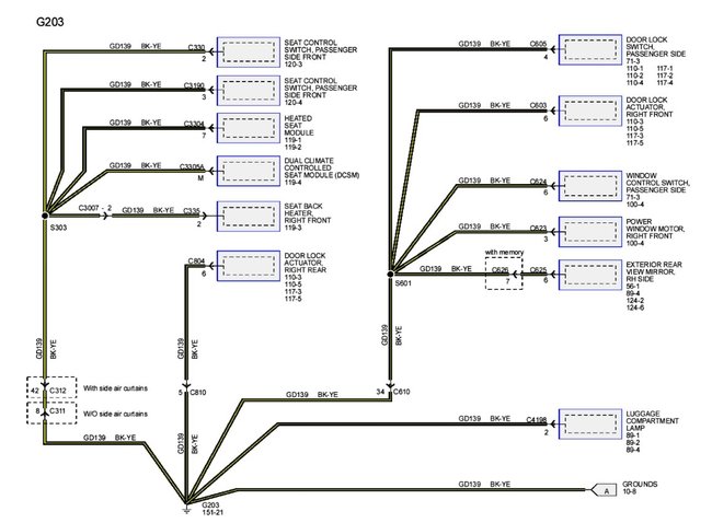
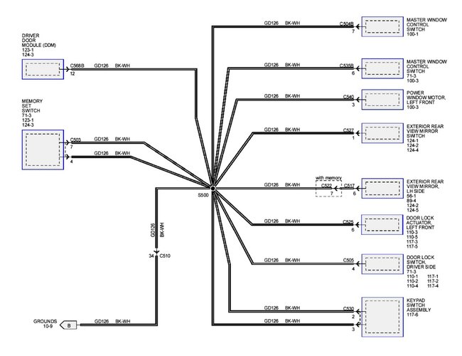
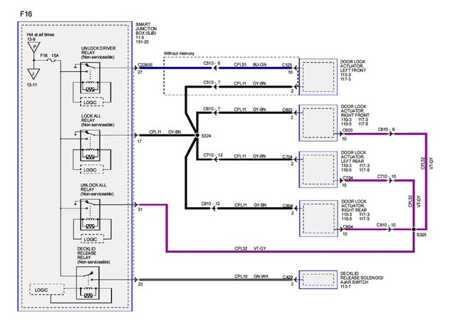
The first image is an example of your vehicle of the battery feed going into the SJB which then controls the defroster relay inside the SJB. The second image is the typical feed that has been around forever. Where the fuse in the battery box powers the relays that are in that same box. The third image is where they become a problem. Notice that all the locking and unlocking functions are in the SJB and not serviceable? So, say the only issue you have is that the trunk release button doesn't work, that relay isn't removable, so you have to replace the entire SJB just to get the trunk release to work! In the fourth image you can see that the starter relay and parking light relays are the same way. Where this becomes an issue is that the parking, turn signal and stop relays are all the same way, built onto the circuit board. That relay isn't designed to handle a large load so when someone decided to install extra lights or higher power lights or add a trailer to the mix, the relay contacts burn out from the higher current and you get to replace the SJB, instead of a 5-dollar relay.
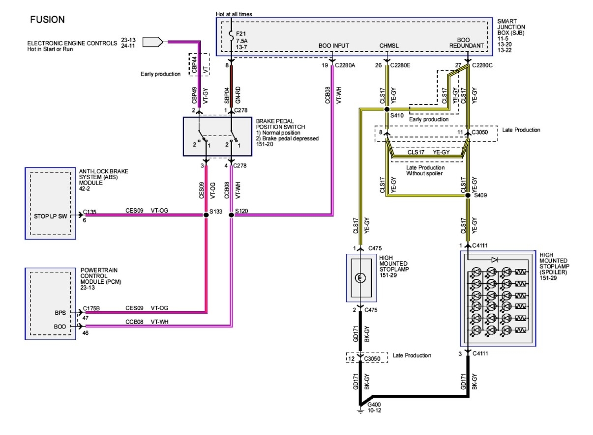
If you look at the last image you will see that the back-up lamps are in there as well. So, the car comes in with no reverse lights. How do you test with a smart fuse box? Well, in this case it's easy and fast. First note that the horn and high beam use the same power feed, do they work? Yes. So, now you go to the SJB and find fuse 1 take a test light connected to a known ground. Touch it to the tabs on the fuse with the key on trans in reverse. Does it light up on both sides of the fuse? If yes, the fault is with the wiring to the rear lights. If not, then the relay isn't being switched on, so how do you verify that it isn't the backup light switch? Well look at the dash if it has the common letter number display showing the gear it's in, does it say R? Yes, Replace the SJB as it uses the same signal.
Or if you have no real issues with adding things you could bypass the internal relay and use an external one to feed power to fuse 1 in the SJB and switch it using the reverse light switch signal at the switch.
Did that help at all, or did I just cover it in mud?
If you need specific circuits like say the fuel pump isn't working or similar just ask another question. If you still need more help with how these boxes work just ask.
Was this
answer
helpful?
Yes
No
Friday, September 23rd, 2022 AT 9:48 PM
Tiny
MELLON1993
  • MEMBER
  • 4 POSTS
So, yes, that clarified a few things. So basically, what I got from your response and your wiring diagrams is basically there isn't really anything smart about this SJB really because where a blown 5-dollar fuse blows now becomes a bigger hassle and cost more money due to having to replace the whole box instead of one simple silly little blown fuse. So, here's my back story a little bit I purchased a vehicle from a friend and the car sat for nearly a year without hardly being moved. It is a 2007 Ford fusion SE 2.0 liter 4-cylinder automatic 4door sedan, well I noticed driving it home if I used the left or right blinker on my message board it would say check rf or rl turn signal and at first I was thinking okay maybe a fuse has blown or the bulbs were burnt out from sitting. Well at home and a more thoroughly inspection of all the bulbs ( brake light, taillights, headlights, park lights, license plate light, turn signal) all worked except turn signals but they also didn't have the bulbs I thought well that's strange so I put turn signal bulbs in and right away without car running or headlights or hazard or turn signals on the light bulb came on, so I thought maybe there was a short in the harness or the wire somewhere or possibly a corroded wire. Well, I couldn't find anything after inspecting and following the wires I tested the fuses they were good. So, I used Google and tried to figure out what it could possibly be then boom I was introduce to this smart junction box. I tried to research what exactly it was and how it worked and operated but I could not get any real clear answers. I know I don't have the kind of money to take to dealership to repair/replace the box. So, I tried to see if I could possibly fix it myself and try to figure it out with no luck.
Was this
answer
helpful?
Yes
No
Saturday, September 24th, 2022 AT 12:26 AM
Tiny
STEVE W.
  • MECHANIC
  • 15,687 POSTS
You have it pretty well. What's worse is that most newer vehicles are even worse. Instead of a simple power window switch that reverses polarity, there is now a computer module that does the same thing.
As far as your issue with the signals being on regardless of the state of the vehicle with nothing turned on, that sounds like a bad transistor in the SJB. Is this the front only or both ends? Do they flash or just solid on? I attached the test procedures for them staying on that might help in testing as well as the method to change out the SJB.

Normal Operation
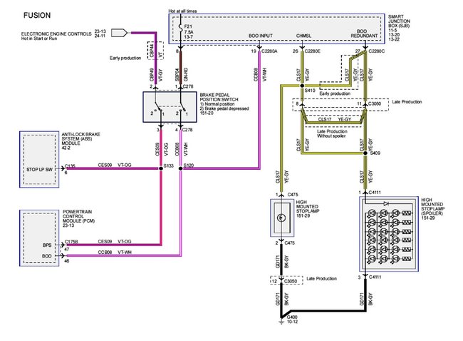
The smart junction box (SJB) sends voltage reference signals to the multifunction switch through circuit CLS39 (VT/WH) (LH turn input) and circuit CLS41 (GY/YE) (RH turn input). When the multifunction switch is switched to the LH or RH Turn positions, the voltage signal is routed to ground. When the SJB detects the multifunction switch in the LH or RH Turn position, the SJB sends voltage to the appropriate turn lamps.

DTC B2281 - is an on-demand code that sets when the SJB detects the RH turn signal switch input is short to ground.

DTC B2282 - is an on-demand code that sets when the SJB detects the LH turn signal switch input is short to ground.

Possible Causes
- Circuit CLS39 (VT/WH) short to ground
- Circuit CLS41 (GY/YE) short to ground
- Multifunction switch
- SJB

SJB Removal and Installation

CAUTION Electronic modules are sensitive to static electrical charges. If exposed to these charges, damage may result.

This step requires a scan tool that can read the configuration and security information from the SJB. This has to be done or the security system will not allow the vehicle to start.

Prior to the removal of the module, it is necessary to upload the module configuration information to the appropriate scan tool. This information needs to be downloaded into the new module once installed.

1. Upload the module configuration information from the SJB into the scan tool.
2. Disconnect the 6 electrical connectors.
3. Remove the 2 nuts.
- To install, tighten to 5 Nm (44 lb-in).

4. Position the SJB aside, disconnect the RKE antenna electrical connector and remove the SJB.

5. Note: If the PMI procedure was not followed when a new SJB was installed, the RKE function (from the integrated key head transmitter [IKT]) of the SJB must be programmed, or the IKT RKE functions will be inoperative. IKTs can be programmed to the new SJB by cycling each IKT key to the ON position for a minimum of 6 seconds. If a new instrument cluster was installed, the IKT keys must be programmed to the new instrument cluster.

To install, reverse the removal procedure.
- Download the SJB configuration from the scan tool into the new SJB.
Was this
answer
helpful?
Yes
No
Saturday, September 24th, 2022 AT 2:47 AM
Tiny
MELLON1993
  • MEMBER
  • 4 POSTS
Neither side is blank, they stay solid, only the front and the back works fine. Another issue is the horn, like I can hear it like trying to work but it won't. I changed the fuse you know Luke and checked the wires and stuff everything looks good the fuse even looked good, but I still changed it out for a good one like a brand new one other than that I have not noticed anything. I mean all my interior lights work, all my power windows and doors work, you know my brake lights, my reverse lights, everything else knock-on wood seems to be functioning properly it's just the front turn signals do not and my horn.
Was this
answer
helpful?
Yes
No
Saturday, September 24th, 2022 AT 6:59 AM
Tiny
MELLON1993
  • MEMBER
  • 4 POSTS
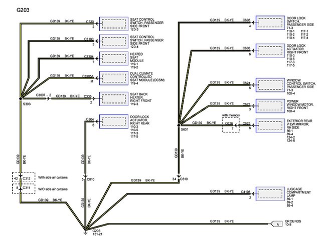
I don't know something like this would exist but possibly what about a diagram of all the ground wires and like their locations so that way I can you know double check my working make sure you know everything's grounded properly so I don't have shorts or fuses blowing and but like I said I'm not sure something like that even exist because I haven't been able to find one but who knows I might have been looking in all the wrong places.
Was this
answer
helpful?
Yes
No
Saturday, September 24th, 2022 AT 7:01 AM
Tiny
STEVE W.
  • MECHANIC
  • 15,687 POSTS
Those diagrams do exist. I will attach the individual ground diagrams in this post. However, if you would like to have the same type of access you might want to look at getting or Alldata DIY access, they give you the same access as a shop would have but for only a single vehicle. That way you can see the testing processes and the wiring diagrams where you can print them out more easily.
https://www.eautorepair.net/ is the Mitchell DIY portal while
https://www.alldata.com/diy-us/en goes to Alldata
The wiring diagrams at both sites will be the same. Just the pricing is different, if you plan on keeping the vehicle the long-term plans are a lot cheaper at both places. Plus, if you needed to change a water pump or wondered where the fan control is you have the same access as a shop for the information, and with this site for additional help you should be able to repair anything you needed to. Just be aware that all of that info is based on the US models.

As to your issue. With them stuck on all the time that doesn't point to a ground issue with the system as the SJB uses the same grounding points for the systems. So, if the hazards work or the high beams work the grounds to the lamps are working as are the ones to the lights as they share the same grounds. With the lights stuck on full time with no flash that points to the flasher circuit for the hazard lights being the problem specifically. As it is the only part of the turn signal system that uses all 4 lamps at once, so it links both sides together. The problem there is that like the rest that is an internal part of the SJB. The only other thing you might look at would be if someone added LED bulbs to the system, those could cause a lot of problems due to the way they are designed, and it could be that one is feeding power back into the system and because they use such low power they could stay on.
Was this
answer
helpful?
Yes
No
Saturday, September 24th, 2022 AT 3:43 PM
Tiny
JENNERATOR
  • MEMBER
  • 2 POSTS
Hi, so I have a 2005 Ford 500 AWD Limited. My fuse 19 under the hood keeps blowing. I do not have any headlights, power windows, moonroof, back up lights, blinkers etc. Is this the reason for that? It says 19 runs the SJB solid state devices.
Was this
answer
helpful?
Yes
No
Sunday, January 26th, 2025 AT 5:26 PM
Tiny
KEN L
  • MASTER CERTIFIED MECHANIC
  • 55,371 POSTS
This post is for a Ford Fusion, please post your new question here, you must be logged in.

https://www.2carpros.com/questions/new

Cheers, Ken
Was this
answer
helpful?
Yes
No
Monday, January 27th, 2025 AT 9:32 AM

Please login or register to post a reply.