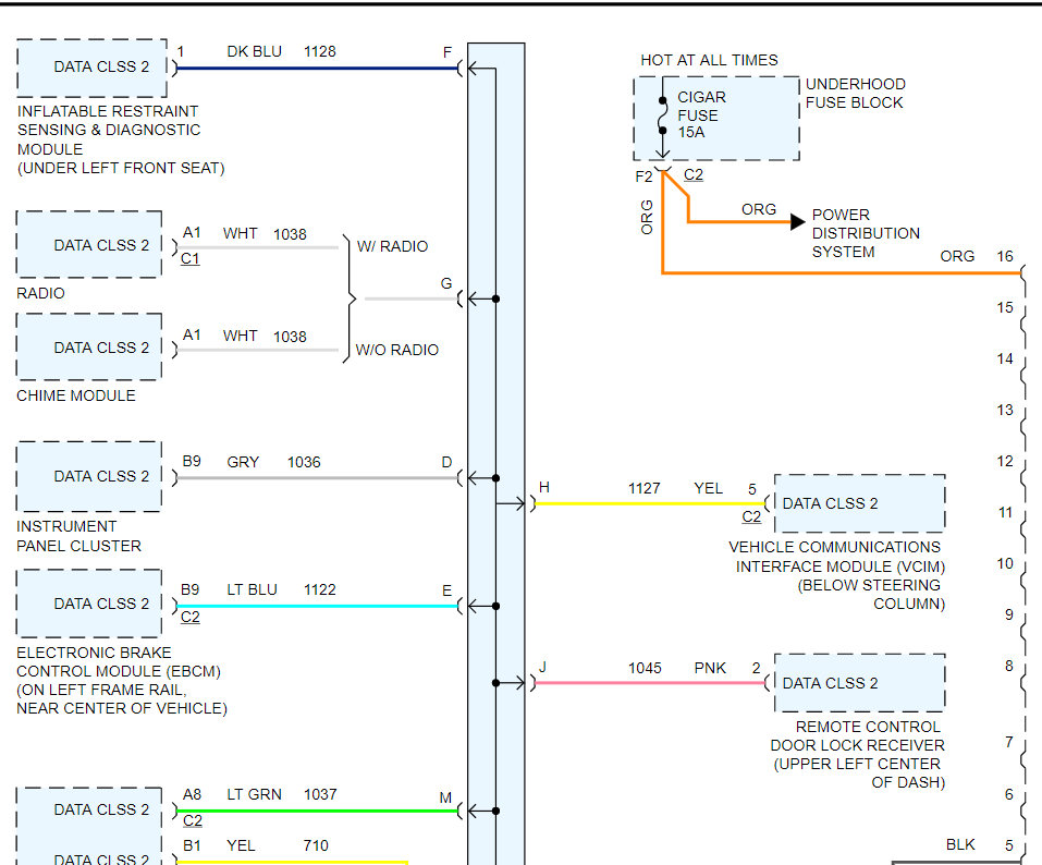
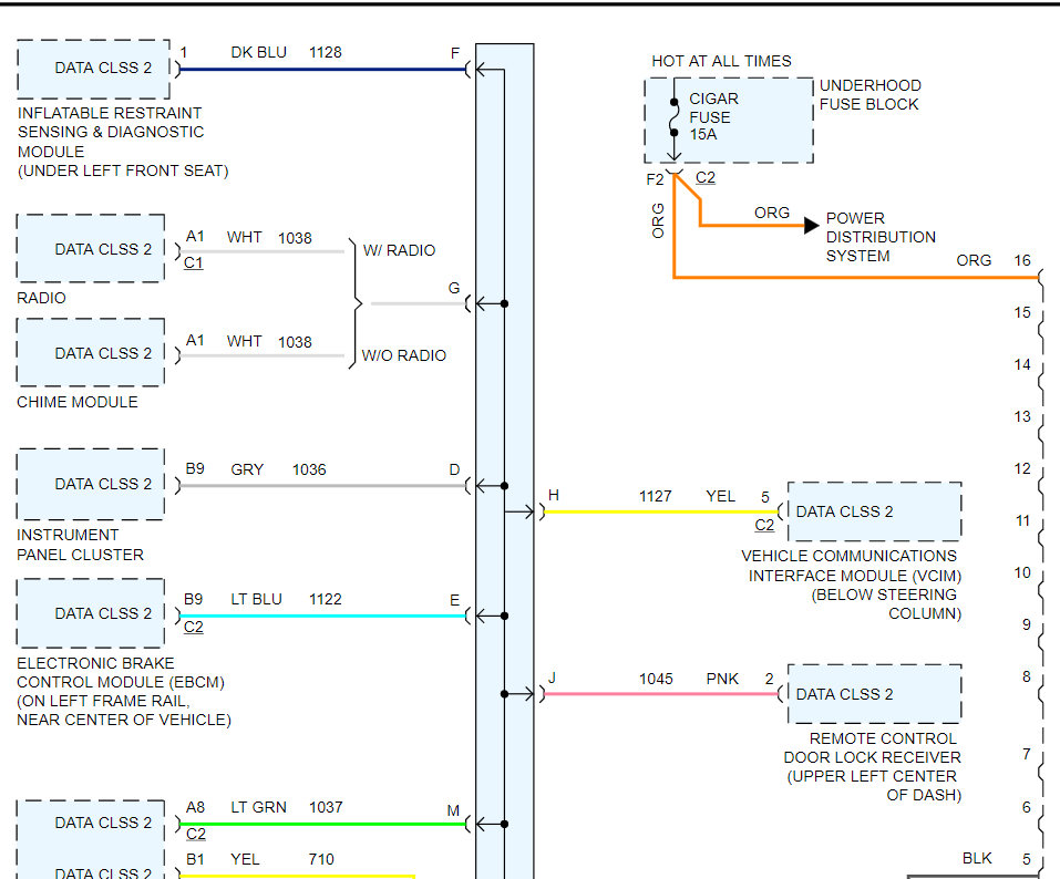
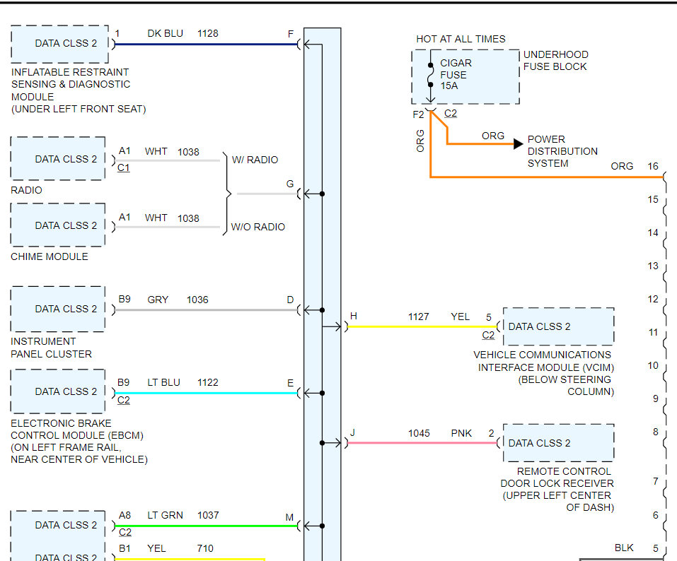
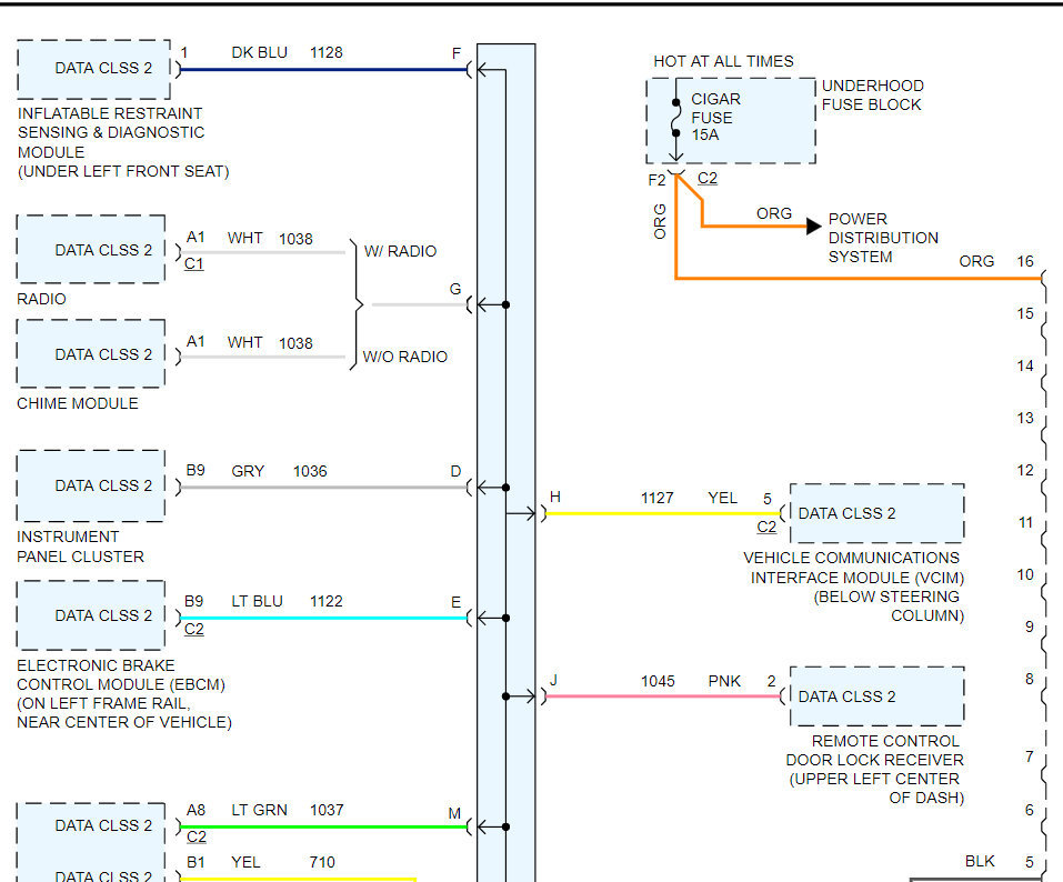
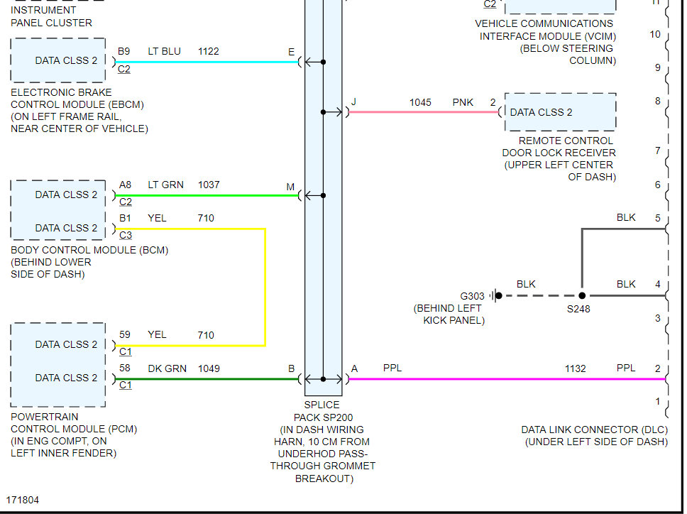
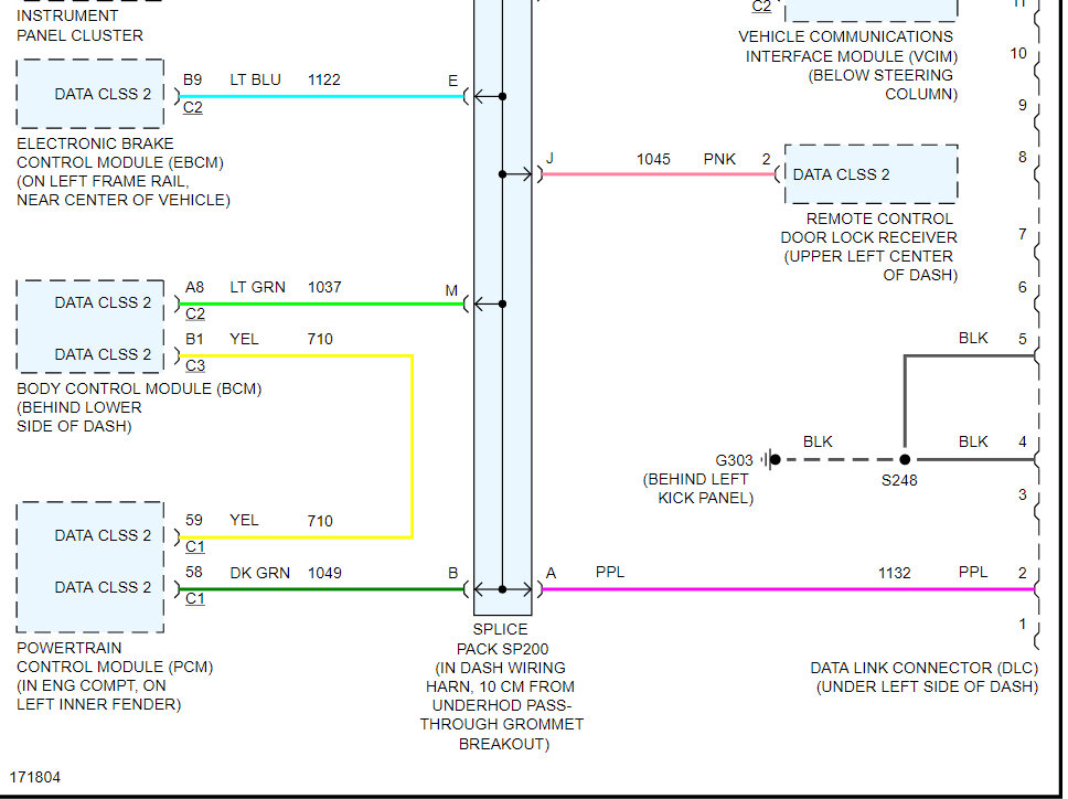
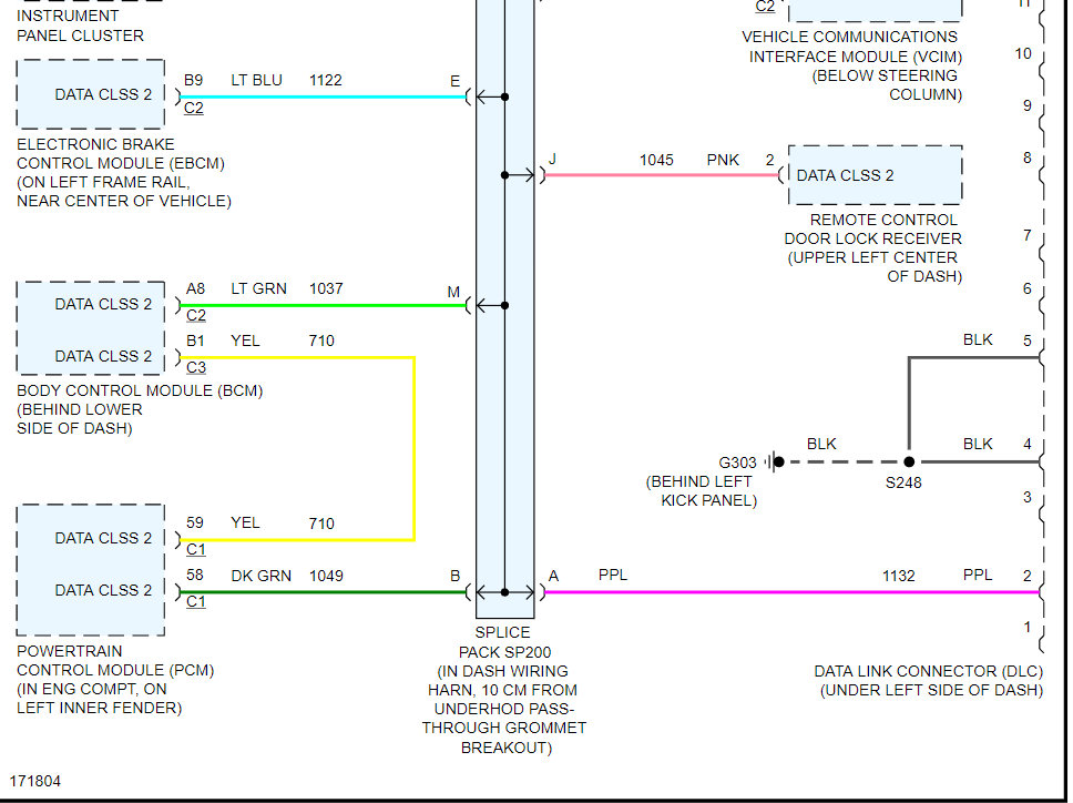
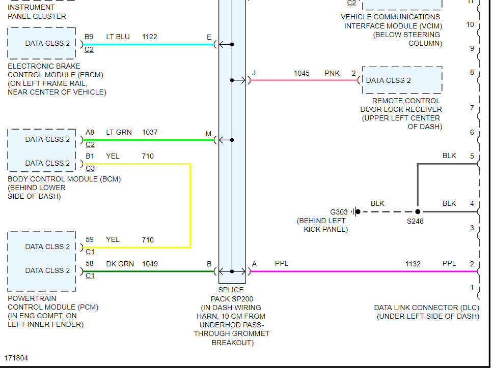
Tuesday, January 21st, 2020 AT 6:48 PM
When it happens engine barely starts. Maybe 100 rpm at startup. I've tried a different starter and alternator. Shimmed starter away from ring gear. Different OEM flywheel (old one cracked OReillys one only lasted a year. So I did it a third time with GM OEM one and replaced the old rock hard engine and transmission mount). All new coils OEM. Has recent tuneup 30,000 miles ago. All parts that were replaced as needed. Battery test good. Problem has persisted for over 200,000 miles. Wish I could fix it! Any ideas?





