Saturday, March 23rd, 2019 AT 1:25 PM
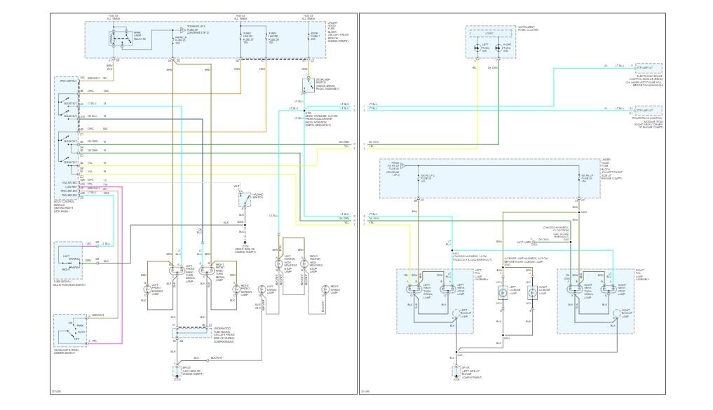
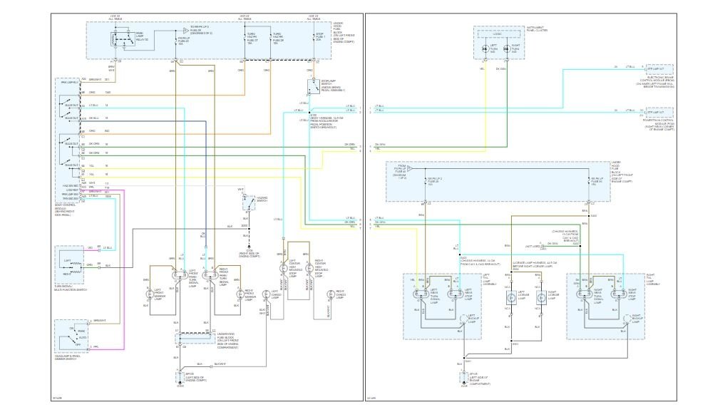
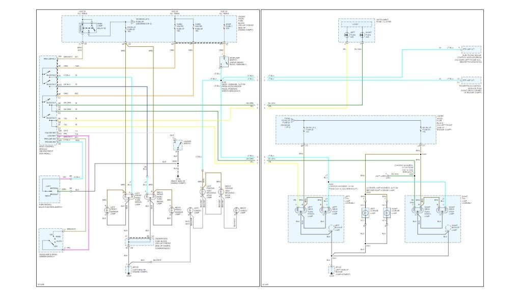
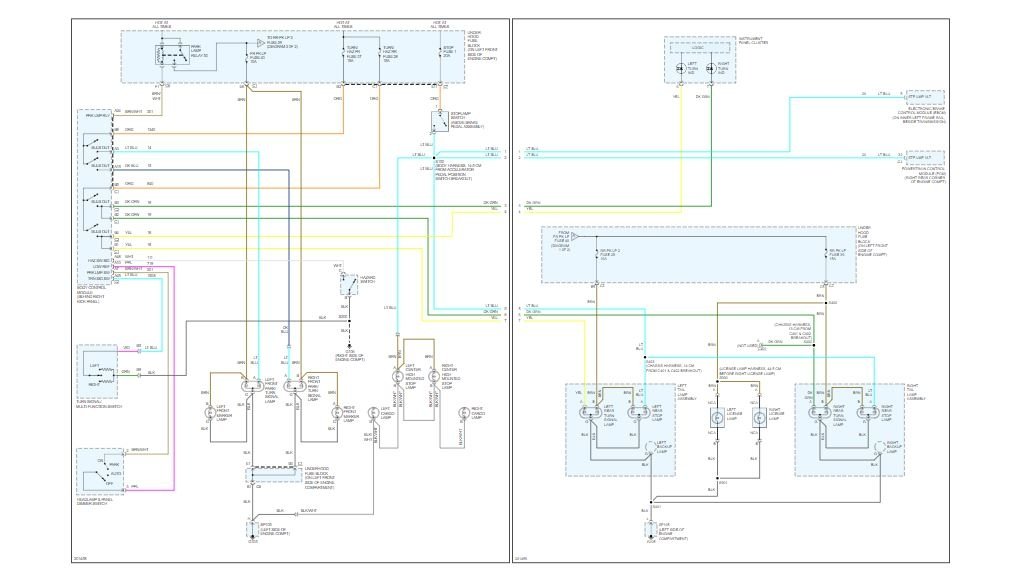
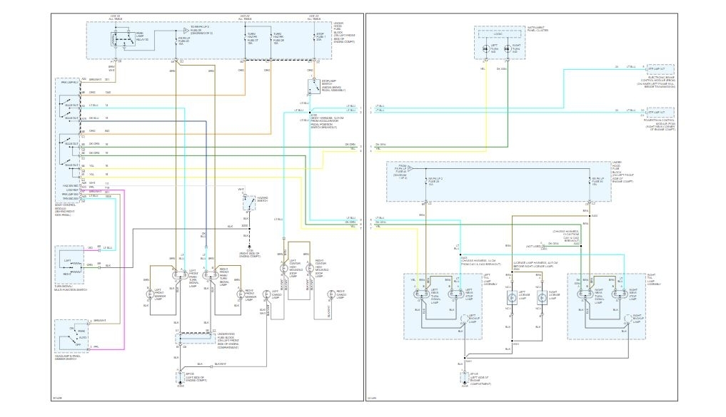
The ones in the front work but the indicators on the dash don't work either. I have checked the fuses and they are fine. Are there any relays within the fuse box that could cause this problem? I have researched a bit and it seems that it would be the flasher relay. But as I research more I'm hearing/seeing that there isn't a flasher relay and the body control module is responsible for the flashers.


