Signal and hazard lights not working

Tiny
SALANW
  • MEMBER
  • 2000 CHEVROLET CAMARO
  • 3.8L
  • 6 CYL
  • 2WD
  • AUTOMATIC
  • 125,000 MILES
I recently replaced a few turn signal bulbs and the sockets because they were corroded and looked black. I am getting power to all the turn signal bulbs now but one of the issues has not been fixed. The rear hazard lights work like they are supposed to, but the turn signal illuminates and does not flash.

The front turn signals both stay on all the time (don't know if they are supposed to be DRL). Hazards don't flash in the front, and nothing happens when I try to turn on left or right signal. The ground wire that connects to a bolt on the frame was rusted and split so I cleaned it and reconnected it. It has continuity from the bulb wires.

I have not checked the flasher relays because the hazards work in the back just not the front.
Thursday, June 2nd, 2022 AT 7:29 AM

11 Replies

Tiny
JACOBANDNICKOLAS
  • MECHANIC
  • 110,192 POSTS
Hi,

Did this start since the bulbs and sockets were replaced or did it happen before? As far as the flasher, there are two. One is for the signals and the other for the hazards. The turn signal is behind the dash on the right side of the steering column and the hazard is on the left.

Keep in mind, the front bulbs should be a dual element light. So, the parking lights could be on if the headlamps are on.

Also, reading through the first paragraph above, I need to confirm something because I'm not sure I understand. You indicated, ". I am getting power to all the turn signal bulbs now but one of the issues has not been fixed. The rear hazard lights work like they are supposed to, but the turn signal illuminates and does not flash."

Do the flashers work on the rear but not the turn signals? I ask because you say everything is fixed but you still have one issue. Sorry, I need to know if the rear hazards work, do the signals work, and if the brake lights work. The brake light bulb is the same as the turn signal. I want to confirm the signal is complete to the bulb. However, if the rear hazards work, the fuse should be good because the brake lights get power from the same fuse.

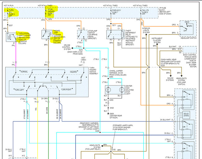
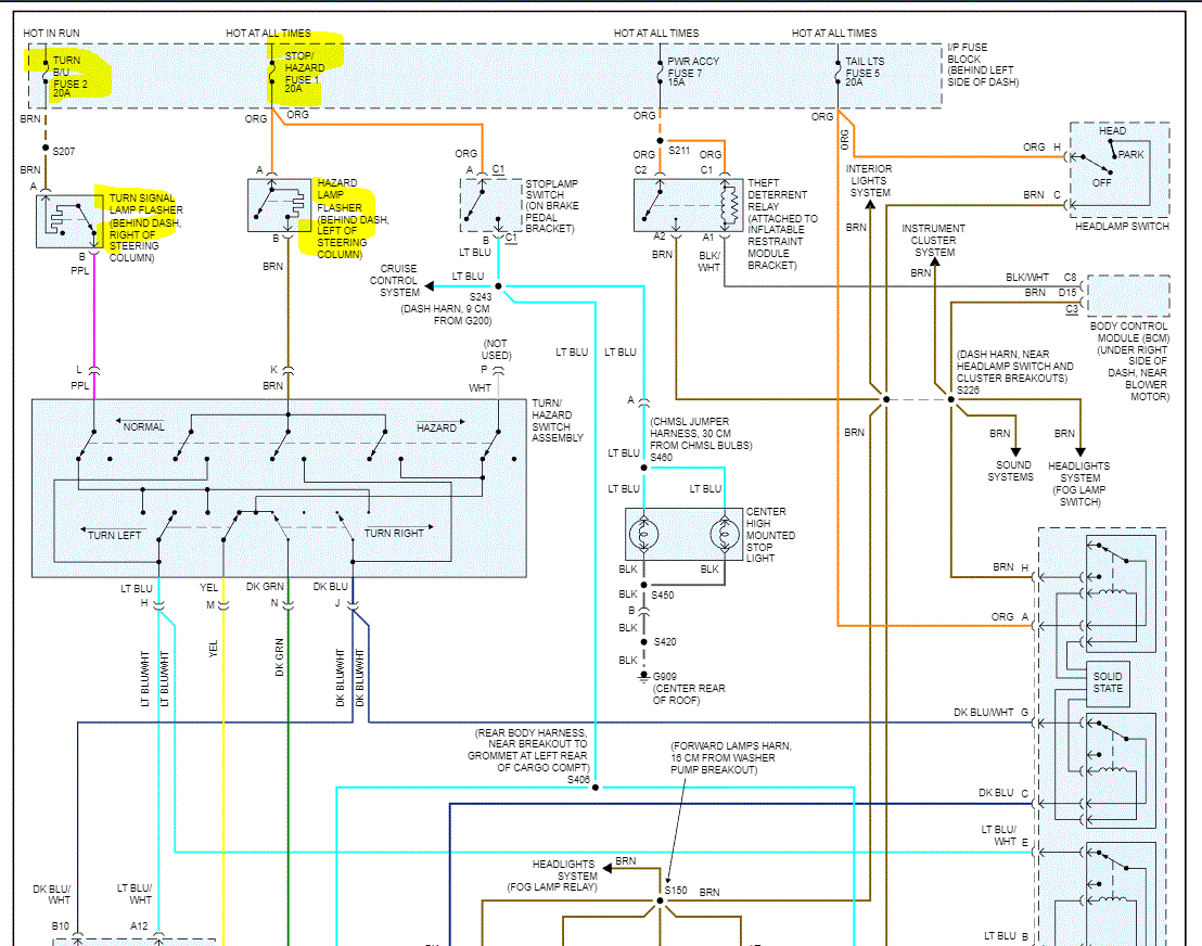
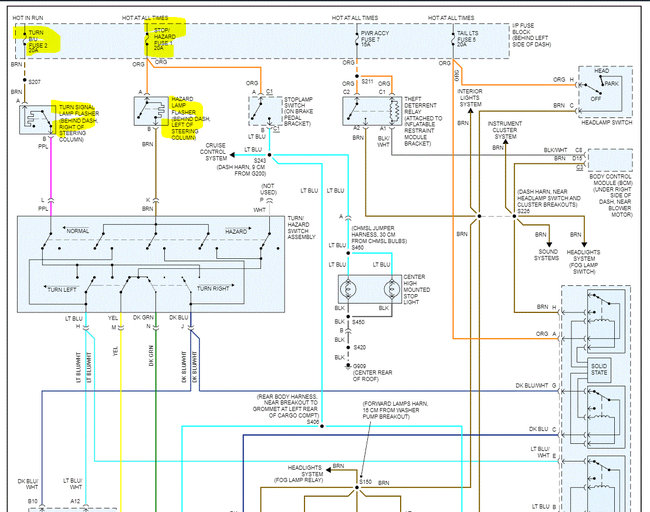
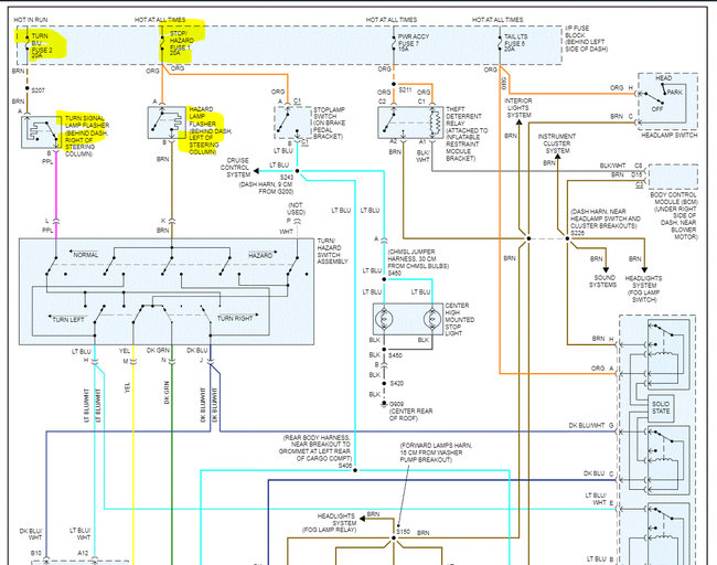
If you look below, I attached the wiring schematic below for the exterior lighting and highlighted a few things for you to check. As far as the ground, there are several different ground locations for the lighting. Note that the hazard light and the turn signals both have different power supplies, so confirm the fuses are good and they have power.

Take a look through the schematic below. See if there is anything that is helpful.

Let me know.

Joe

See pics below
Was this
answer
helpful?
Yes
No
Thursday, June 2nd, 2022 AT 7:21 PM
Tiny
SALANW
  • MEMBER
  • 6 POSTS
Fuses are good. I pulled the flasher and checked it. It was not working so I bought a new one and installed it. That fixed the rear turn signals. I directly wired the flasher to the front lights and battery, and they worked fine. When the flasher is installed, the front signal lights stay solid along with the marker lights.

Stop lights work and are not related to the signals as far as I am aware. They are different bulbs and positions.

Hazard lights work in the rear but not the front. It seems as if the parking lights are directly wired to headlights. They all come one when key is set to run. Turning the headlight switch on only causes the indicator to start dinging. Otherwise, the lights are still on. Brights work fine but no dash light illuminated.

I have not done much vehicle electrical work, so I am not sure about the best way to check wiring. There is continuity between headlight wires and both the A and B wire from the turn signal wires.
Was this
answer
helpful?
Yes
No
Friday, June 3rd, 2022 AT 6:49 AM
Tiny
JACOBANDNICKOLAS
  • MECHANIC
  • 110,192 POSTS
Hi,

You shouldn't have continuity to ground on both wires. One is power and one is ground. When the signals are off, you should have an open circuit. Based on that, it sounds like we have a ground issue which is somehow back-feeding power.

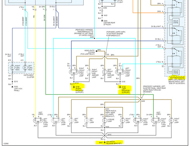
Do me a favor. Review the schematic above and check the black wires at the affected sockets for continuity to ground. There will be two other wires (see schematic for wire color and what they power) and test them for 12v when either the brake lights are on or the turn signal.

Looking at each of the bulbs in the schematic indicates they have two elements in each bulb. That allows the park lights to remain on (one element) and the brake light (another element) to illuminate at the same time. I think we have something mixed up at the socket or you may have gotten a single element bulb. The rear should have a 2057 and the front a 3157 (different socket design same type of bulb). Is that what you have?

Let me know. Also, let me know if by chance you installed LEDs and if this is the same problem you had prior to replacing the sockets.

Take care,

Joe
Was this
answer
helpful?
Yes
No
Friday, June 3rd, 2022 AT 7:36 PM
Tiny
SALANW
  • MEMBER
  • 6 POSTS
All the bulbs and sockets are 3157.

I found that one of the metal contacts on the driver's side front became twisted and stuck in the socket. I replaced that bulb and now it works.

Passengers side front still not working. There's 12 volts across the brown wire and black has continuity to ground. 0 volts across the blue wire.
Was this
answer
helpful?
Yes
No
Sunday, June 5th, 2022 AT 4:09 PM
Tiny
JACOBANDNICKOLAS
  • MECHANIC
  • 110,192 POSTS
Hi,

If you are checking for power at the blue wire, the left signal needs to be turned on. Is that what was done?

If it was, it sounds like the switch itself is bad or you have an open circuit in the light blue wire between the switch and bulb. The right signal and left signal (front) get power from the same supply.

Let me know if you checked with the signal on. Also, the brown wire is power for the parking light. Is it working?

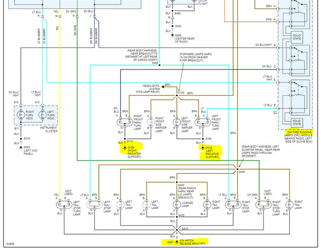
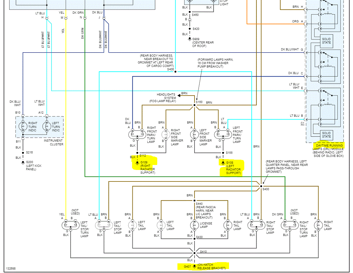
Let me know. I copied and indicated power flow out from the switch. Note that both the left and right signals have the same power supply. With that in mind, power is present.

You may want to go to the signal switch and locate the light blue wire to see if there is power to it when you have the left signal on. If there isn't power right at the switch, the switch is my first suspect.

Let me know.

Take care,

Joe

See pic below.
Was this
answer
helpful?
Yes
No
Monday, June 6th, 2022 AT 7:51 PM
Tiny
SALANW
  • MEMBER
  • 6 POSTS
Okay, I have no idea what this thing is doing. I took it down to my garage. The daytime running lights clicked off when I went in the dark. Now, the left turn signal is not working and the right one started working.

I don't think the switch is bad. The lights on the instrument cluster work. However, the left is now staying illuminated no matter the position of the switch.

There are a few other electrical issues that might be related. The radio (not factory, but old) cuts in and out. Fog lights don't work. Washer fluid not spraying but full. And radiator fan was/is wired to a switch under the dash going to the fan relays under the hood. Probably other issues too that I haven't found. I have only owned the car for less than a month.
Was this
answer
helpful?
Yes
No
Wednesday, June 8th, 2022 AT 1:10 PM
Tiny
JACOBANDNICKOLAS
  • MECHANIC
  • 110,192 POSTS
Hi,

Is the vehicle still there for repairs? Also, it does sound a bit odd what is happening. However, I still question whether the switch is failing internally, but I could be wrong.

Regardless, let me know what the shop tells you. I'm really interested in knowing.

Take care,

Joe
Was this
answer
helpful?
Yes
No
Wednesday, June 8th, 2022 AT 8:33 PM
Tiny
SALANW
  • MEMBER
  • 6 POSTS
Sorry, I meant my garage. It's under my workshop, that's why it's dark.
Could it be something with the daytime running lights module?
Was this
answer
helpful?
Yes
No
Thursday, June 9th, 2022 AT 6:24 AM
Tiny
JACOBANDNICKOLAS
  • MECHANIC
  • 110,192 POSTS
Hi,

I don't see how the DRL module would cause this. I would have to go to the switch and test. I can't be sure, but that is where I feel the problem originates.

Let me know.

Joe
Was this
answer
helpful?
Yes
No
Thursday, June 9th, 2022 AT 8:27 PM
Tiny
SALANW
  • MEMBER
  • 6 POSTS
I wanted to update this since I don't like looking for information only to find forum threads that are not active.
I found the issues with the electrical. I will post some pictures later when I get the chance.
There were multiple separate issues that caused the problems. I was looking for one possible cause since it seemed to be some electrical issue with bad grounding.

The radio and windows were intermittent. Sometimes they worked while other times they didn't. The radio would cut in and out. What it ended up being was the body control module had an integrated relay which was not properly soldered at the factory. This appears to be a standard problem that a lot of other people faced. A little bit of resoldering on the lower post fixed the windows and radio.

The signal lights ended up being two issues. When the daytime running lights kicked on the fuse that controlled the dash would blow and this was causing the car to not be able to start. On the back of the daytime running light module one of the printed circuits lifted off the coating and blew apart from the heat of the electricity passing through the circuit. I got a DRL module from a junkyard and this one had the same issue of damage to that same circuit. Fixing this with a small amount of solder kept the DRL from blowing the dash fuse. Also, the connector that plugged into the DRL was not making good contact with the wires going into and out of the module. This was also a problem with the junkyard part, so I think it was factory. I temporarily fixed this by tightening up the connection and securing it with electrical tape. Probably needs to be replaced with a new connector.
Was this
answer
helpful?
Yes
No
Saturday, October 8th, 2022 AT 8:38 AM
Tiny
JACOBANDNICKOLAS
  • MECHANIC
  • 110,192 POSTS
Hi,

Thank you for the update. It sounds like it was a nightmare. Regardless, I'm glad to know you got things working.

I have a feeling your update will be used by many people, so thanks again.

Take care,

Joe
Was this
answer
helpful?
Yes
No
Saturday, October 8th, 2022 AT 9:14 PM

Please login or register to post a reply.