Shifter stuck

Tiny
MSMCCORKLE
  • MEMBER
  • 2007 VOLVO S60
  • 6 CYL
  • TURBO
  • FWD
  • AUTOMATIC
  • 140,000 MILES
My gear shifter is stuck in park. I turned on the car, depressed the brake, and tried to shift out of park and the shifter would not budge. I do not want to pull too hard in fear that I will break something. This was working fine over the weekend and just started today.
Need help fast!
Monday, March 6th, 2017 AT 5:38 PM

5 Replies

Tiny
MHPAUTOS
  • MECHANIC
  • 31,937 POSTS
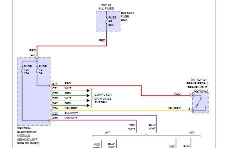
Check brake light switch and the three fuses as shown in the picture, start here and post back with findings if more assistance is required.
Was this
answer
helpful?
Yes
No
Tuesday, March 7th, 2017 AT 1:34 AM
Tiny
MSMCCORKLE
  • MEMBER
  • 33 POSTS
How do I remove the cover to get to the solenoid? My brake lights are operational. I am thinking the solenoid is gunked up.
Was this
answer
helpful?
Yes
No
Tuesday, March 7th, 2017 AT 5:32 AM
Tiny
MSMCCORKLE
  • MEMBER
  • 33 POSTS
This is what it looks like under the cover.
Was this
answer
helpful?
Yes
No
Tuesday, March 7th, 2017 AT 5:47 AM
Tiny
MSMCCORKLE
  • MEMBER
  • 33 POSTS
Okay, I was able to take everything apart and I got it to work. Problem is, now the shifter is loose and I can pull the whole thing up. How do I tighten it back the way it was before?
Was this
answer
helpful?
Yes
No
Tuesday, March 7th, 2017 AT 7:50 AM
Tiny
MHPAUTOS
  • MECHANIC
  • 31,937 POSTS
I don't know what you have altered, you will have to look at all the linkages and mounting points to see if something is loose or misaligned, if it was tight when you started, it will be something that you disturbed, so back track what you have done.
Was this
answer
helpful?
Yes
No
Wednesday, March 8th, 2017 AT 3:33 AM

Please login or register to post a reply.