When transmission is shifted into gear car will not Move

Tiny
SWEARINHOODY
  • MEMBER
  • 2008 CHEVROLET IMPALA
  • 3.9L
  • V6
  • 2WD
  • AUTOMATIC
  • 181,000 MILES
Car cranks, runs, and has full power and will shift but it won’t move in gear. No drive, reverse, nothing. It revs, rpm’s move, but no go.
Thursday, October 28th, 2021 AT 11:37 AM

12 Replies

Tiny
JACOBANDNICKOLAS
  • MECHANIC
  • 110,192 POSTS
Hi,

Have you checked the transmission fluid level and condition? If not, do this first. See pics below for directions.

Next, if the fluid is in good condition, then we should scan the can-bus to see if there are diagnostic transmission codes. CAN stands for controller area network. Basically, all the modules/computers are tied together via a few wires. This type of scan will identify codes regardless of the module/computer storing them. Here is a quick video showing how it's done.

https://youtu.be/u-4syLc-ifQ

I realize most people don't own this type of scanner, but oftentimes, a parts store will lend one to you.

Let me know if this happened all at once, the service history related to the transmission, and anything you can think of that could help.

Take care,

Joe

See pics below.
Was this
answer
helpful?
Yes
No
+1
Thursday, October 28th, 2021 AT 8:35 PM
Tiny
SWEARINHOODY
  • MEMBER
  • 13 POSTS
Fluid level is good and fluid looks clean.
Was this
answer
helpful?
Yes
No
Friday, October 29th, 2021 AT 6:45 PM
Tiny
JACOBANDNICKOLAS
  • MECHANIC
  • 110,192 POSTS
Hi,

Have you checked to make sure one of the CV joints has broken? Try this. Have a helper place the transmission in reverse while you watch the axles under the front of the vehicle. Make sure the parking brake is on and the helper has his foot firmly on the brakes.

There are two axles. See pic 1 below to see what they look like. If one of the joints breaks on either of the axles, the car won't move.

Also, if you are uncomfortable performing the aforementioned test, place the vehicle in park with the parking brake off. See if the vehicle can be moved as though it was in neutral.

Let me know.

Joe

See pic below.
Was this
answer
helpful?
Yes
No
+1
Friday, October 29th, 2021 AT 7:46 PM
Tiny
SWEARINHOODY
  • MEMBER
  • 13 POSTS
That’s not it either.
Was this
answer
helpful?
Yes
No
Saturday, October 30th, 2021 AT 2:20 PM
Tiny
SWEARINHOODY
  • MEMBER
  • 13 POSTS
Thanks for all your help so far. I will add a video in the morning.
Was this
answer
helpful?
Yes
No
Saturday, October 30th, 2021 AT 5:18 PM
Tiny
JACOBANDNICKOLAS
  • MECHANIC
  • 110,192 POSTS
Hi,

You are very welcome. I wait to see the video. Also, let me know if the gear indicator is accurate. For example, if you have it in drive, does it show drive? Also, follow the shift cable from the firewall down to the transmission. Have a helper shift through the gears while you watch to make sure the shift lever is moving. See pic 1

Let me know.

Take care,

Joe

See pic below.
Was this
answer
helpful?
Yes
No
+1
Saturday, October 30th, 2021 AT 9:40 PM
Tiny
SWEARINHOODY
  • MEMBER
  • 13 POSTS
Hope this helps. So far everything you guys have told me to do as been okay. Any other advice I sure would appreciate it. Can’t thank you enough!
Was this
answer
helpful?
Yes
No
Tuesday, November 2nd, 2021 AT 4:22 PM
Tiny
JACOBANDNICKOLAS
  • MECHANIC
  • 110,192 POSTS
Hi,

Thanks for the video. I can see the range sensor is working. That's a good thing. LOL As far as the issue, I noticed the engine light is on. At this point, we really need to scan the can-bus as I mentioned above. That will let us know if there is an electronic issue with the circuit. Other than that, line pressure will need to be checked to see if it is low.

I know it feels like I'm walking you from one thing to another, but without scanning for codes, it is a guessing game. Also, I know you may not be able to scan the can-bus. If that is the case, then we need to see if the transmission line pressure is within spec. Since nothing happens when shifting and this happened suddenly, there is a good chance there is a problem with the pressure solenoid in the transmission. So, we have two ways to identify if pressure is an issue, scan, or pressure test, which includes the use of a scan tool.

I attached the directions below for the pressure test. Also, I read through a few technical bulletins regarding line pressure issues related to a plugged cooler. That's one of the reasons asked about the fluid condition. However, based on what you said, it sounds like that isn't an issue.

Regardless, let me know what I can do to help. I wish I could just say replace a part, but it's never that easy.

Take care,

Joe

See pics below.
Was this
answer
helpful?
Yes
No
+1
Tuesday, November 2nd, 2021 AT 6:38 PM
Tiny
SWEARINHOODY
  • MEMBER
  • 13 POSTS
I do have a obd 2 scanner but it is coming up with an error not sure on how to use it any steps to take? And thanks a lot really!
Was this
answer
helpful?
Yes
No
Tuesday, November 2nd, 2021 AT 7:25 PM
Tiny
JACOBANDNICKOLAS
  • MECHANIC
  • 110,192 POSTS
Does the scan tool power on?

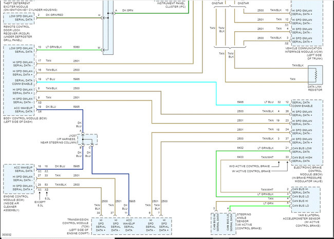
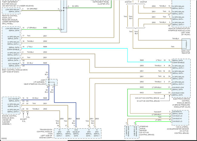
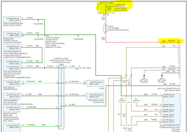
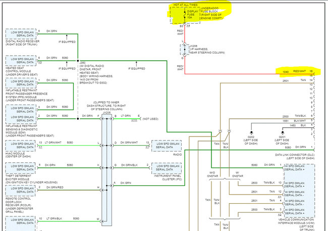
Do me a favor. If you look at the attached pic, I highlighted pin 16. That pin should have 12v at all times with the key on or off. Check that for power.

With the key on engine off, check the following pins for power. They both should show 0v. Anything above a 0.25v indicates a short.

Keep in mind, you can also check pins 4 and 5 for continuity to ground. Whichever is easier for you. However, the voltmeter/DMM will tell us if there is a short.

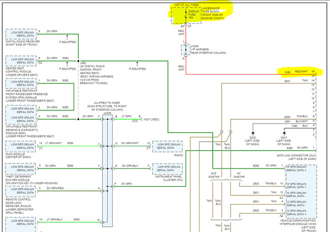
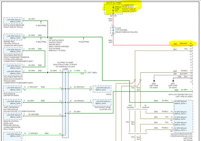
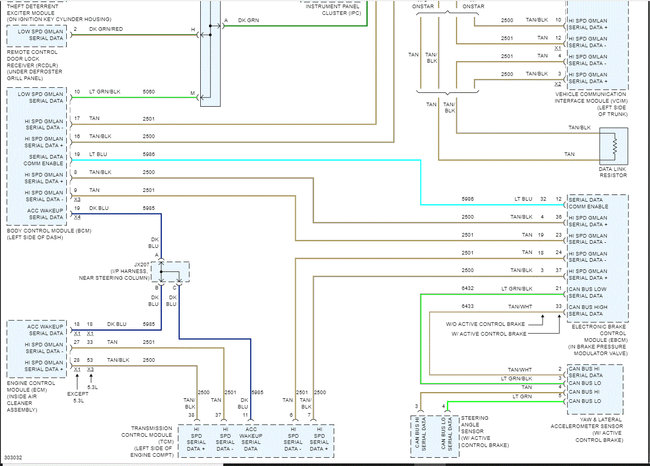
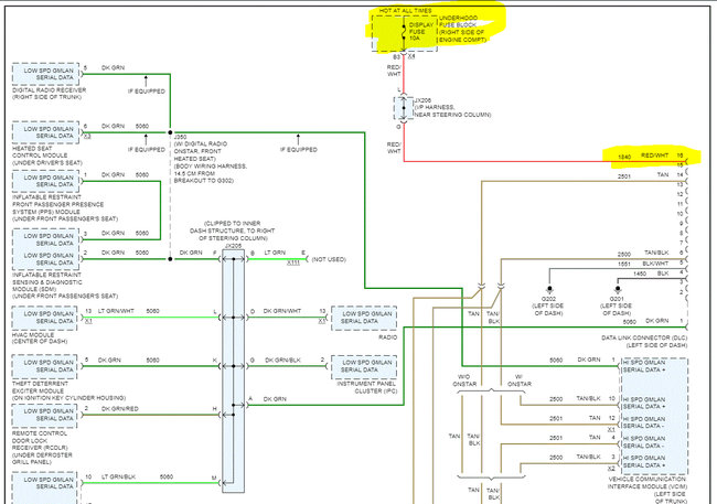
Also, I attached a wiring schematic below showing the power supply to pin 16. It is powered by the display fuse in the under-hood fuse box. So, if there is no power to the pin, check that fuse. In addition to checking the fuse, confirm there is power to and from it.

Here is a link you may find helpful with checking it:

https://www.2carpros.com/articles/how-to-check-a-car-fuse

Let me know what I can do to help.

Joe

See pics below. Note: Pics 2 and 3 are from one page. I had to cut it in half to make it readable for you. I did overlap it so you can follow from one to the next. Pic 3 shows the fuse location in the fuse box.
Was this
answer
helpful?
Yes
No
Tuesday, November 2nd, 2021 AT 8:11 PM
Tiny
SWEARINHOODY
  • MEMBER
  • 13 POSTS
Hey fellas, sure do appreciate your help had some bad things happen and lost my vehicle. Sorry about not letting you guys know but I hope all is well with your families and hope y’all enjoy your Christmas. I was lucky enough to find something else, it’s keep Compass 2007 2.4-liter 4-cylinder 2wd and not even a day later trouble, but hey it is what it is. Any help from you guys would be awesome. Got the codes I’ll send a pic and first thing that happened I was parked idling and five minutes later it shuts itself off then later as I was heading to AutoZone for diagnostics test. It would stall here, and the check engine light is on and the ABS light and service interval. It’ll all come on the pic I send. After AutoZone it wouldn’t start but after a little bit it did on way home tried to put cruise control on wouldn’t work which it did earlier then stalled a couple more times and haven’t run it since. Oh, and drivers side seat warmer won’t work but passenger does. Don’t know if that is connected or not.
Was this
answer
helpful?
Yes
No
Monday, December 13th, 2021 AT 8:36 AM
Tiny
JACOBANDNICKOLAS
  • MECHANIC
  • 110,192 POSTS
Hi,

I would be happy to help. I do have to ask that you start a new thread related to the Jeep. We try to keep the threads specific to one vehicle. That way, it helps others. I hope you understand.

Here is the link to start a new thread. I will watch for it.

https://www.2carpros.com/questions/new

Again, I hope you understand.

Take care,

Joe
Was this
answer
helpful?
Yes
No
Monday, December 13th, 2021 AT 2:33 PM

Please login or register to post a reply.