HOME
ASK A QUESTION
REPAIR GUIDES
BECOME A MEMBER
LOG IN
Login with Facebook
OR
Remember me
NOT A MEMBER?
FORGOT PASSWORD?
CONTACT US
PRIVACY POLICY
TERMS AND CONDITIONS
☰
Home
Ford
Fusion
Drivetrain
Transmission
Gear Selector
Cable
Shift cable replacement procedure needed?
WAYLONHINSHAW
MEMBER
2010 FORD FUSION
2.6L
4 CYL
2WD
AUTOMATIC
200,000 MILES
Need to know step by step how to replace shift cable.
Monday, October 24th, 2022 AT 11:46 AM
1 Reply
JACOBANDNICKOLAS
MECHANIC
110,192 POSTS
Hi,
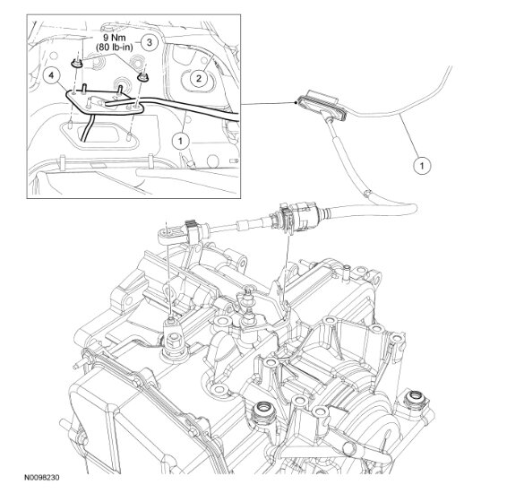
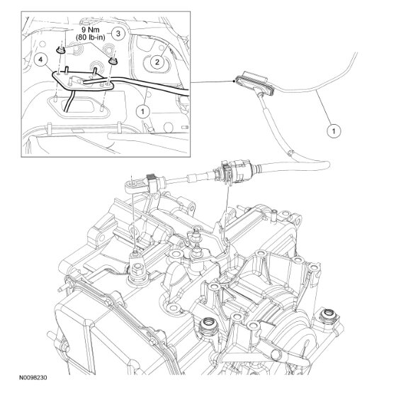
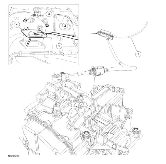
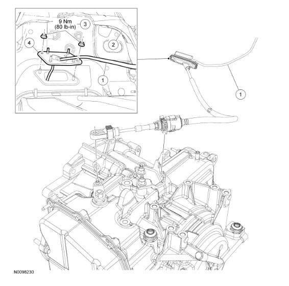
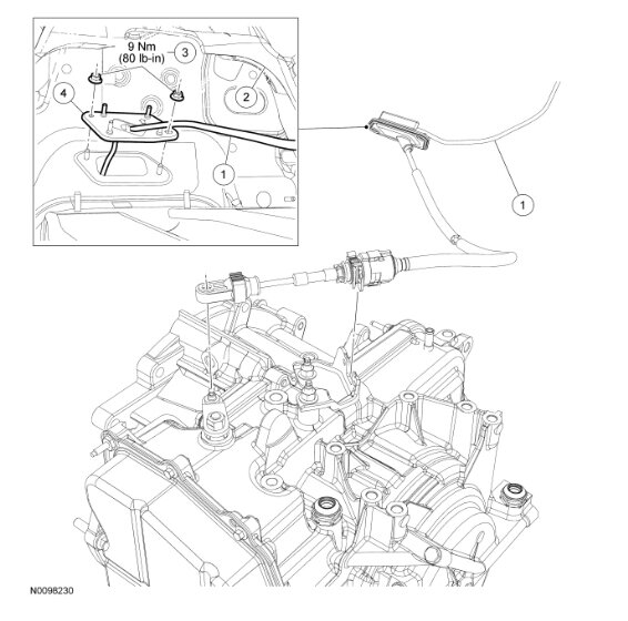
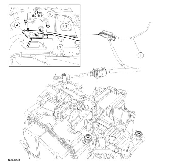
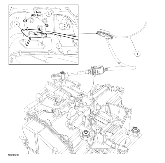
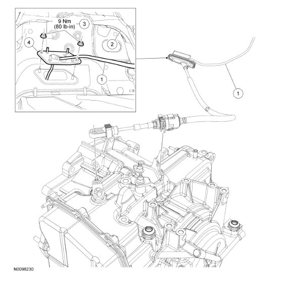
There are two different transmissions that were used. I attached the directions for the removal and replacement of the cable, which indicate both.
Also, let me know which one you have so I can get you the correct adjustment directions.
Take care,
Joe
See pics below.
Images (Click to make bigger)
Was this
answer
helpful?
Yes
No
Monday, October 24th, 2022 AT 8:46 PM
Please
login
or
register
to post a reply.
Related Transmission Gear Selector Cable Content
No Transmission Fluid, How Much Transmission Damage?
Last Night I "thought" I Changed My Oil. Unfortunately I Actually Drained My Transmission Fluid. This Morning I Figured This Out Too Late...
Asked by
tommyjj
·
1 ANSWER
2008
FORD FUSION
Just Washed And Waxed The Car And Cleaned Inside. It...
Just Washed And Waxed The Car And Cleaned Inside. It Looks Great But When I Went To Put The Key In And Start It Up The Key Would Not Turn...
Asked by
Anonymous
·
1 ANSWER
2008
FORD FUSION
2006 Ford Fusion Front Wheel Hub
Is There Some Way To Find What Other Cars Use The Same Front Hub And Wheel Bearing As My Fusion Or What Other Years I Can Use One From Cause...
Asked by
Manzolarry24
·
1 ANSWER
2006
FORD FUSION
Ask a Car Question. It's Free!
Transmission Mount Replacement - RWD Cars
Code Read Retrieval/Clear Mercedes Benz
How to Read Codes