Service ride control message on

Tiny
CLARENCEBANKS
  • MEMBER
  • 1994 CADILLAC ELDORADO
  • V8
  • 2WD
  • AUTOMATIC
  • 49,000 MILES
SRC displayed in message center. Next steps, please?
Sunday, January 17th, 2021 AT 10:10 PM

1 Reply

Tiny
KEN L
  • MASTER CERTIFIED MECHANIC
  • 55,512 POSTS
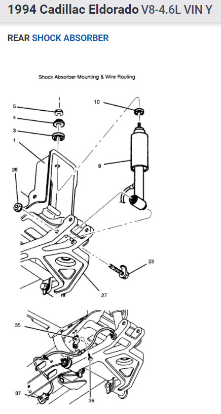
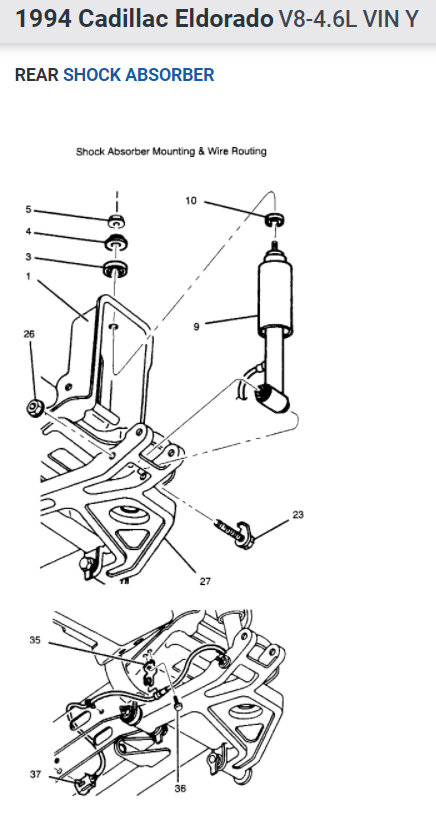
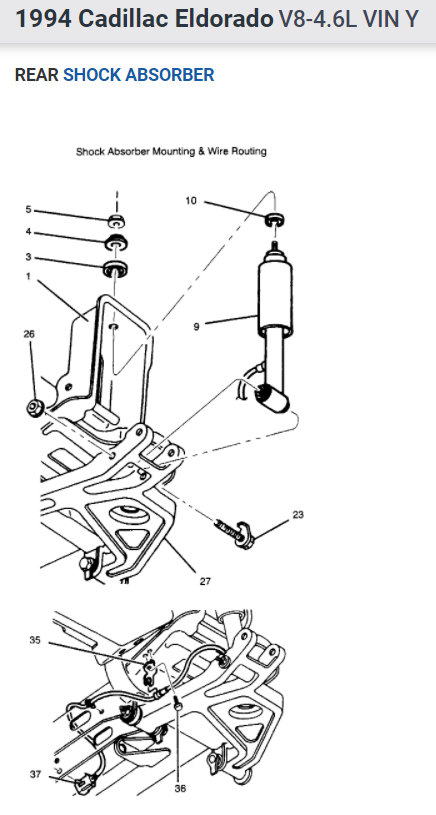
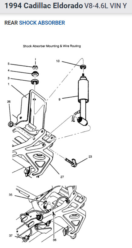
9 times out of 10 his happens when the rear shock go out and cannot hold air pressure which causes the pump to run and then time out. Here are instructions on how to change the shocks out in the diagrams below. Check out the diagrams (below). Let us know what happens and please upload pictures or videos of the problem.
Was this
answer
helpful?
Yes
No
Tuesday, January 19th, 2021 AT 6:05 PM

Please login or register to post a reply.