Service message on cluster?

Tiny
SUHAILKADER
  • MEMBER
  • 2023 CHEVROLET TAHOE
  • 5.3L
  • V8
  • 4WD
  • AUTOMATIC
  • 1,000 MILES
"service keyless start system".
"service door latch system".
these two messages have been showing in the instrument cluster. When I connect scanner DTC B144613 code showing in the BCM.
Please tell me what I should do next.
Friday, October 20th, 2023 AT 12:23 PM

5 Replies

Tiny
AL514
  • MECHANIC
  • 5,596 POSTS
Hello, with only a 1,000 miles this vehicle is well under warranty and should go back to the dealership. Service information on this vehicle isn't even really out yet. Did you recently purchase this vehicle?
For the 2022 model this code is set when the BCM detects and open circuit for the Interior Keyless Entry Antenna signal 3 circuit three or more times.
This is the code criteria for a 2022 model, but trying to fix this on your own might void any warranty.
Was this
answer
helpful?
Yes
No
Friday, October 20th, 2023 AT 12:29 PM
Tiny
SUHAILKADER
  • MEMBER
  • 14 POSTS
I work in a garage. When this car came to our shop, we checked all connectors to the antenna 3, which is located in the rear bumper. All the connectors are ok from BCM to Antenna. So, I would like to know is there any other issues which I'm not find yet. Please help me through this.
The code is "Interior keyless antenna 3 High circuit open".
Was this
answer
helpful?
Yes
No
Friday, October 20th, 2023 AT 10:37 PM
Tiny
AL514
  • MECHANIC
  • 5,596 POSTS
Why wouldn't this customer bring it back to the dealership, being under warranty? The 2023 service info doesn't even show wiring diagrams for this vehicle yet and on the 2022 it doesn't show a 3rd antenna, it only states where 2 are located. With only a 1000 miles on it, this has to be a factory defect. If you've checked the wiring all way to the BCM then there's not much else, you can do at this point besides go through all the TSBs if you have All Data or Mitchell and see what there is. I ran through them yesterday and there are a lot for a 2023 vehicle. But we don't have any other information for such a newer vehicle. If you search under the TSBs list for Keyless, Key, Remote, etc. Things that pertain to this code you'll see there are already TSBs out for it. The dealership may have updated software for this BCM, but this early and without a subscription to updated software, the most you could do is check the wiring. But you might be voiding the warranty right now by taking things apart on the vehicle. The only other thing I can think of is to look for is any aftermarket devices installed on the vehicle right now that could be interfering with the signal from the rear antenna. The passive entry antennas use a bit of lower frequency I believe they are around 125kHz, so plugged in aftermarket devices might interfere at frequencies not in the mHz range.
Was this
answer
helpful?
Yes
No
Saturday, October 21st, 2023 AT 1:34 PM
Tiny
SUHAILKADER
  • MEMBER
  • 14 POSTS
This is an armored bullet proof vehicle. They removed all power windows except the driver's side. But the circuit board of the power window is burned and also the power window motor is not working. There is additional aftermarket strobe light and siren installed in this car. Does that make this problem occur? Please let me know.
Was this
answer
helpful?
Yes
No
Saturday, October 21st, 2023 AT 8:18 PM
Tiny
AL514
  • MECHANIC
  • 5,596 POSTS
Oh, okay, I see what you're saying, sounds like this vehicle has been hacked up. I would say that if the wiring is okay from the Antenna to the BCM, and a lot of aftermarket installations, it's very possible the aftermarket gear has something to do with it. There is a TSB on aftermarket equipment interfering with keyless entry components. Another thing to consider is that the wiring in this vehicle is hacked up, and that's why the driver side window doesn't work anymore. Since that switch controls all the other windows its probably shorted out wherever they cut the wires for the other windows.
If the Antennas are all the same part number you could try to switch one with the other, but this again we have no way of knowing because there are no wiring diagrams out for this vehicle yet that I can get.
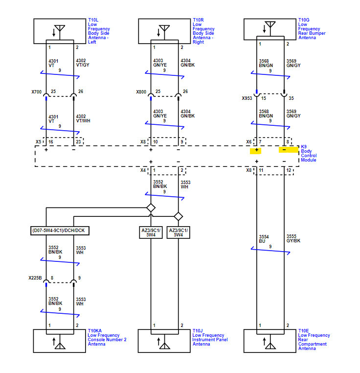
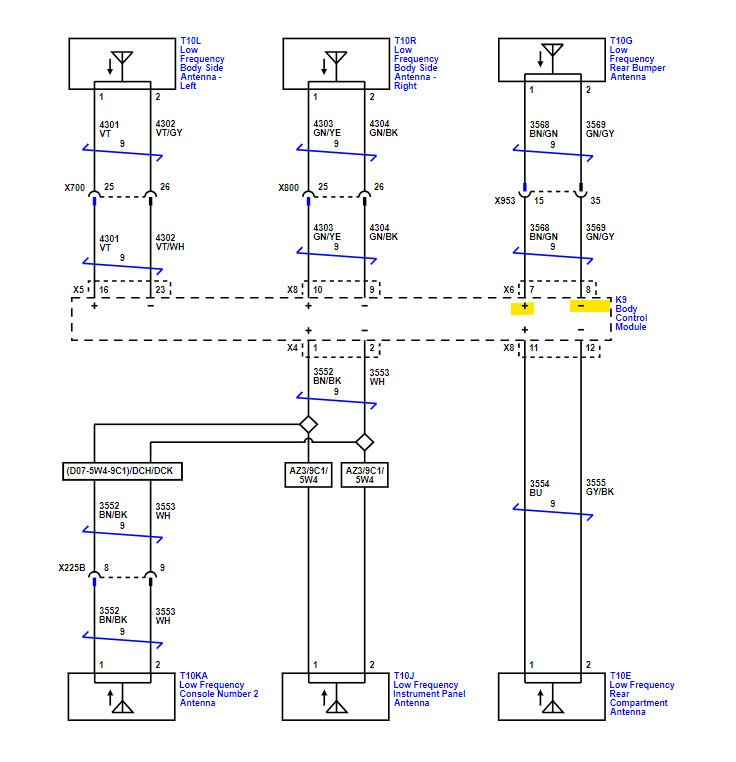
This is the 2022 OEM diagram of all the keyless entry antennas, and I have no idea if this is the same as the 2023, but you could use an oscilloscope at the BCM connector X6 across pins 7 and 8 and see if you get any signal return using a key fob at the rear of the vehicle. There is also this connector X953 pins 15 and 35 which the antenna is in series with.

If they are willing to pay for diagnostic time on this, I would scope the antenna at the rear bumper and see if there is a signal, if there is Id move to the BCM looking for the same signal. If it's not there, then go after this connector in the middle of the wiring, notice this wiring should be a twisted pair all the way back to the antenna.
Besides that, with all that aftermarket equipment, there's no way to tell if any of it is interfering with that antenna signal besides scoping it and watching for interference. There's a lot of Antennas in this vehicle.
Was this
answer
helpful?
Yes
No
Sunday, October 22nd, 2023 AT 8:23 AM

Please login or register to post a reply.