Service engine light soon turned on

Tiny
MR266RAMIREZ
  • MEMBER
  • 1999 CHEVROLET BLAZER
  • 260,000 MILES
I recently bought the vehicle listed above from a tow yard. Everything works fine I had to replace the radiator and I'm running it without a thermostat. Since it sat in the tow yard for so long the computer won't read. Last night my service engine light soon came on and I am wondering if running it without a thermostat will cause that light to turn on?
Friday, October 16th, 2020 AT 9:10 AM

3 Replies

Tiny
ASEMASTER6371
  • MECHANIC
  • 52,796 POSTS
Good afternoon,

Yes, it will but I need the code to confirm.

https://www.2carpros.com/articles/checking-a-service-engine-soon-or-check-engine-light-on-or-flashing

https://www.2carpros.com/articles/check-engine-light-is-it-safe-to-drive

You must install the thermostat. If you do not you will damage the motor as it will not circulate coolant to the back of the motor.

https://www.2carpros.com/articles/how-an-engine-thermostat-works

https://www.2carpros.com/articles/replace-thermostat

Roy

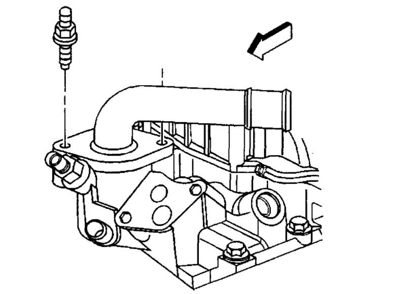
Removal Procedure

imageOpen In New TabZoom/Print

1. Remove the air inlet duct.
2. Remove the necessary coolant from the radiator.
Refer to Draining and Filling Cooling System.
3. Remove the upper radiator inlet hose.
4. Remove the coolant outlet bolts.

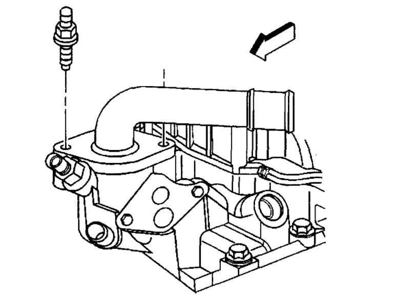
imageOpen In New TabZoom/Print

5. Remove the coolant outlet from the lower intake manifold.
6. Remove the thermostat gasket.

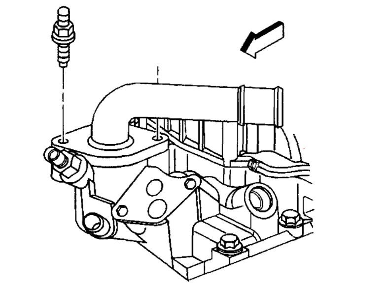
imageOpen In New TabZoom/Print

7. Remove the coolant thermostat.
8. Clean all the sealing surfaces of the coolant outlet.
9. Clean the sealing surface on the lower intake manifold.

Was this
answer
helpful?
Yes
No
Friday, October 16th, 2020 AT 9:23 AM
Tiny
MR266RAMIREZ
  • MEMBER
  • 3 POSTS
I will have the code later today when I get off work, thanks.
Was this
answer
helpful?
Yes
No
Friday, October 16th, 2020 AT 9:25 AM
Tiny
ASEMASTER6371
  • MECHANIC
  • 52,796 POSTS
You are welcome.

We will be here.

Roy
Was this
answer
helpful?
Yes
No
Friday, October 16th, 2020 AT 9:28 AM

Please login or register to post a reply.