Monday, August 20th, 2018 AT 10:00 PM
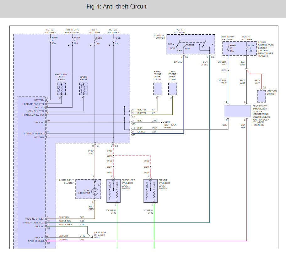
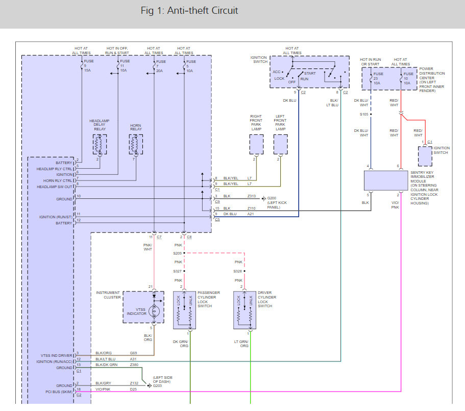
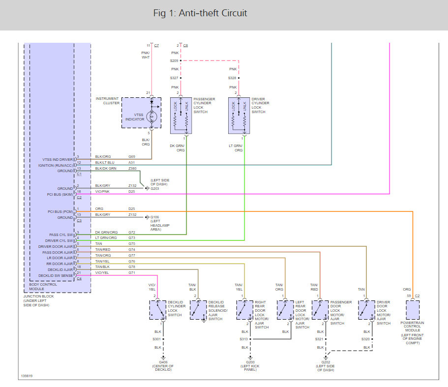
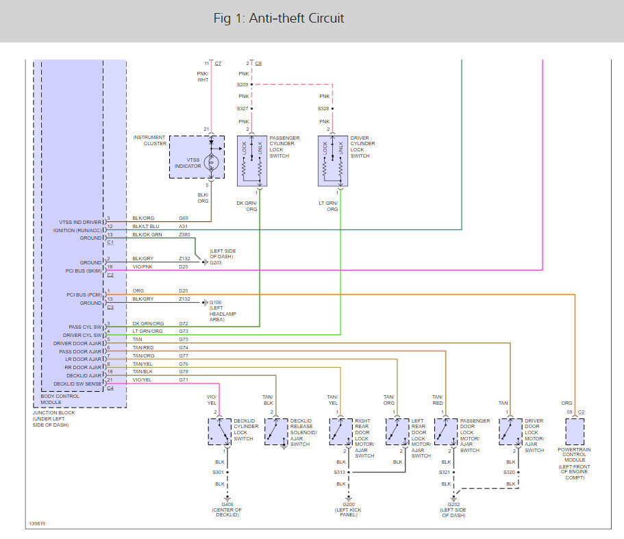
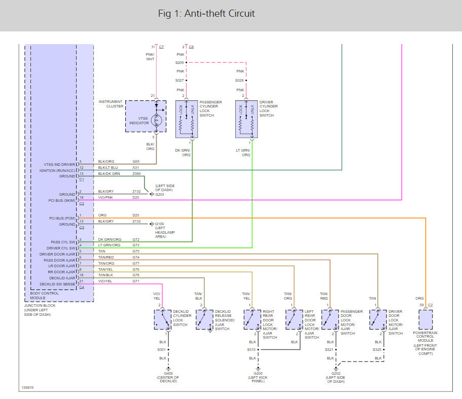
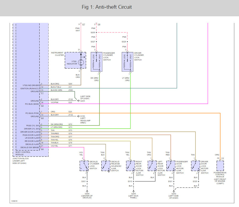
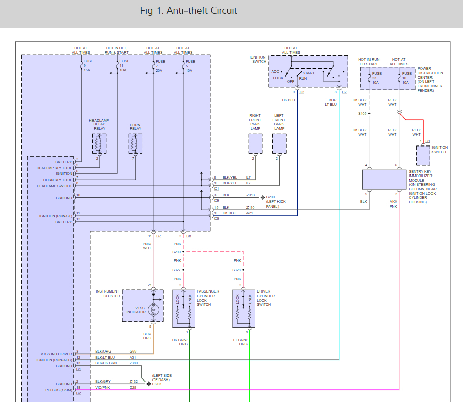
Sentry Key Immobilizer System: Sometimes, when attempting to turn the vehicle on with the key in the ignition, the engine will not crank. The dashboard lighting comes on, however turning the ignition to the on and off position, no cranking of the engine. Usually, if I remove the key from the ignition and wait fifteen to twenty minutes and then put the key back into the ignition and most of the time the engine will crank. My transmitter has not worked in a few years. I use manual key entry and unlock the other doors from the driver's side and/or front passenger side. Also, at times when driving, the car will shut off and I am stranded in traffic and usually follow the procedure mentioned earlier in this description to attempt to get the car up and running again. My question is, what is causing these problems and how can these problems be solved? Thank you! Eddie.








