Sensor and electrical

Tiny
ANGIEWHATLEY
  • MEMBER
  • 1994 HONDA ACCORD
  • 2.2L
  • 4 CYL
  • 2WD
  • AUTOMATIC
  • 120,000 MILES
Originally the engine fan didn't kick on until the A/C was running. Checked sensor and fan, both okay. Then the fan would only kick on after car was shut off. Checked coolant temperature sensor. It's okay.
Now power locks, inside gauges won't work. Fuses look okay.
Friday, June 7th, 2019 AT 12:18 PM

3 Replies

Tiny
SCGRANTURISMO
  • MECHANIC
  • 4,897 POSTS
Hello,

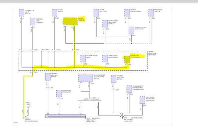
This could be a problem with Ground #302, which is located below the center console. Both the instrument cluster and the Integrated Control Module are connected to this ground. I have included a Ground Distribution Wiring Diagram of your vehicle showing this in the diagrams down below. Check this ground and make sure that it is clean, tight, corrosion free, and making good metal to metal contact. Using a toothed washer on the bottom of the ring connectors is advisable, as it unsure good metal to metal contact in case paint is in the way. Please get back to us with what you are able to find out.

Thanks,
Alex
2CarPros
Was this
answer
helpful?
Yes
No
+1
Saturday, June 8th, 2019 AT 2:31 PM
Tiny
ANGIEWHATLEY
  • MEMBER
  • 2 POSTS
That was it. The ground on the right under dash/console was loose. It was a pain to get to but so relieved after four days of my boyfriends trouble shooting mess. So greatful for you. A million thanks, Angie
Was this
answer
helpful?
Yes
No
Sunday, June 9th, 2019 AT 12:29 AM
Tiny
SCGRANTURISMO
  • MECHANIC
  • 4,897 POSTS
Hello again,

That's great. We love to hear that you fixed your vehicle. Give yourself a pat on the back, and please, if you have any other vehicle related questions, do not hesitate to ask. That's what we are here for.

Thanks,
Alex
2CarPros
Was this
answer
helpful?
Yes
No
+1
Sunday, June 9th, 2019 AT 12:55 AM

Please login or register to post a reply.