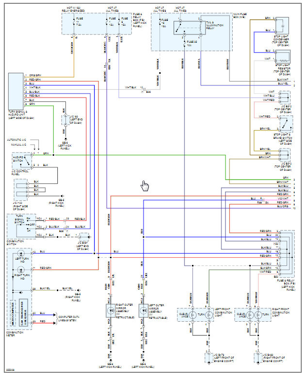
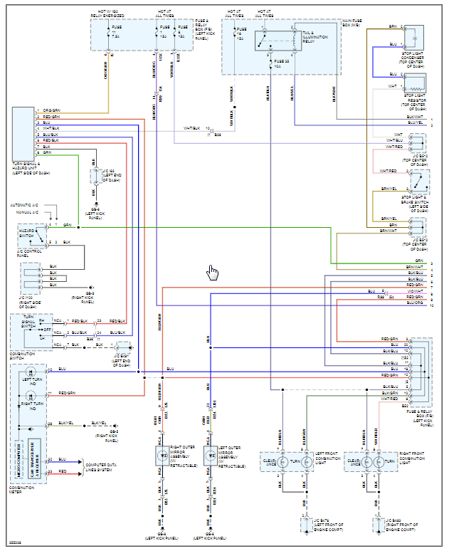
Tuesday, August 25th, 2020 AT 8:41 PM
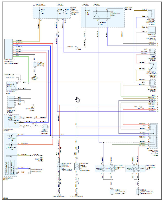
Whenever I start my vehicle, the blinkers flash for 30 seconds, or so. Is something wrong with the security system? The key fob works fine, and I have no problem getting the engine to start.

