Does the security system shut off the fuel?

Tiny
GARY-GLENDA ASAY
  • MEMBER
  • 1993 NISSAN PATHFINDER
  • 3.0L
  • 6 CYL
  • 4WD
  • MANUAL
  • 100,000 MILES
Security system.
Wednesday, July 31st, 2024 AT 12:28 PM

1 Reply

Tiny
JACOBANDNICKOLAS
  • MECHANIC
  • 110,194 POSTS
Hi,

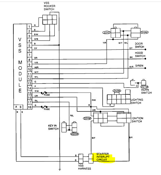
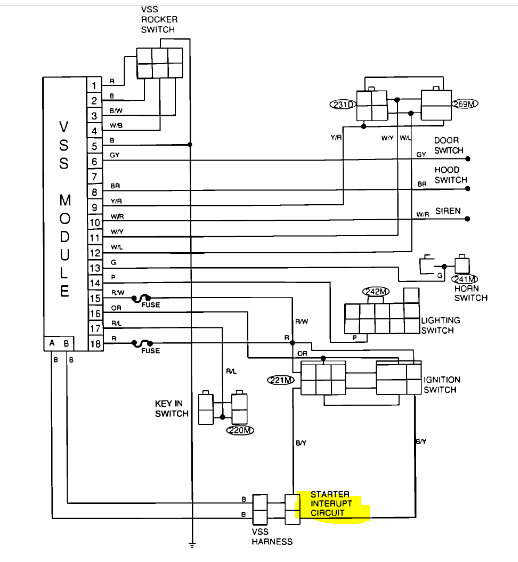
I pulled up the Vehicle Security System (VSS) wiring harness. If you have a factory system, it appears the fuel pump is not affected. From what I am seeing, either the starter won't engage, or it will shut down the ignition system. See pic 1.

I have the diagnostics for the system, but it requires a specialized tool that will likely not be found. However, I have attached the directions below. Maybe if you try locating the tool with the part number provided, you may get lucky.

Explain what is happening. For example, does the engine crank and not start or is nothing happening?

Let me know.

Joe

See pics below.
Was this
answer
helpful?
Yes
No
Wednesday, July 31st, 2024 AT 9:07 PM

Please login or register to post a reply.