Anti theft location

Tiny
GILLY69
  • MEMBER
  • 2000 GMC SIERRA
  • 80,000 MILES
Security module.
Wednesday, February 6th, 2019 AT 7:14 AM

4 Replies

Tiny
SCGRANTURISMO
  • MECHANIC
  • 4,897 POSTS
Hello,

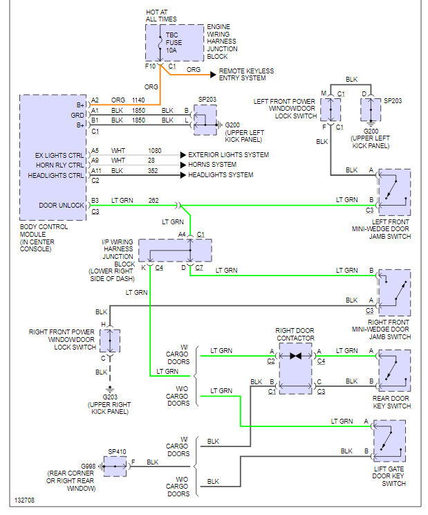
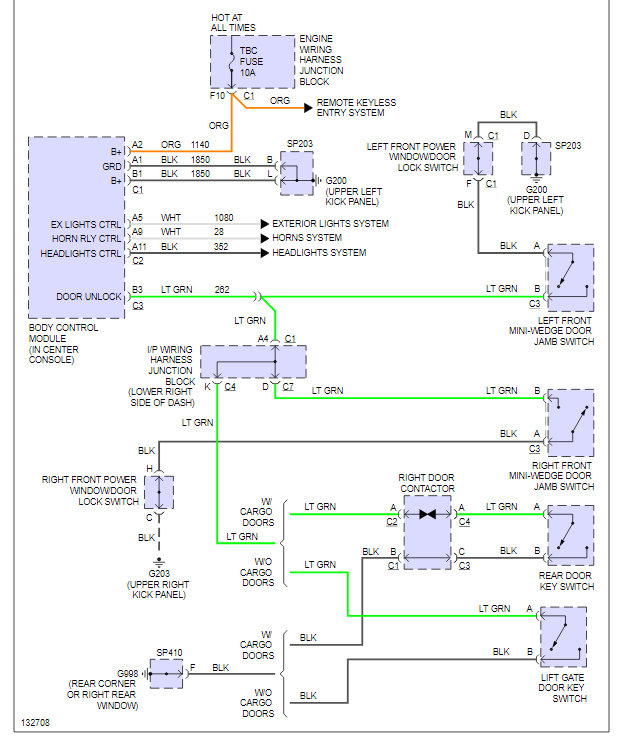
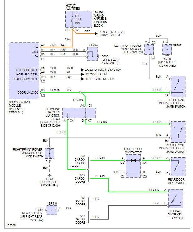
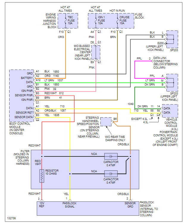
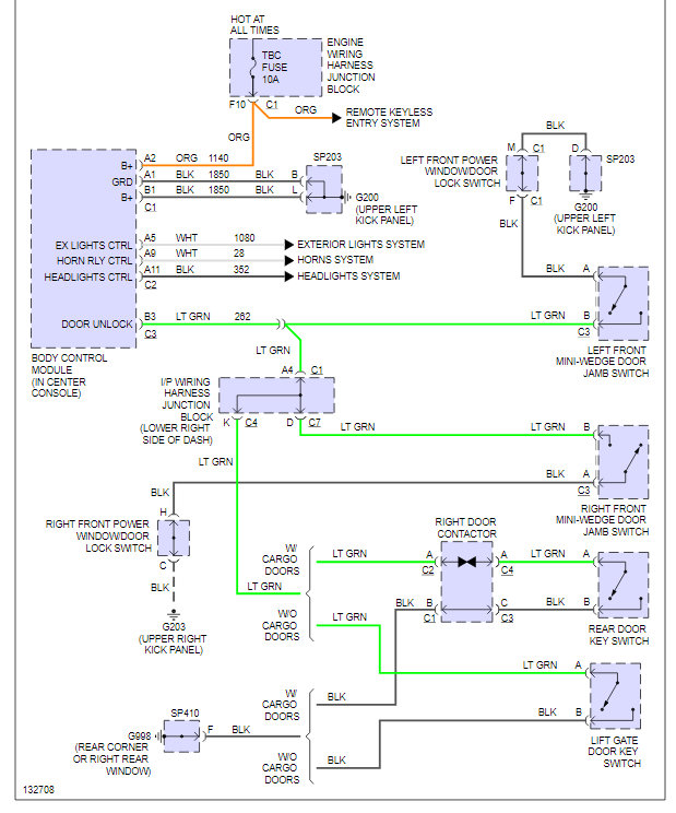
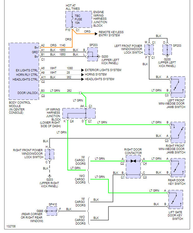
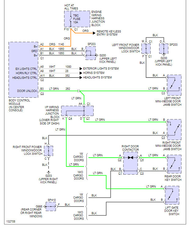
I have included the wiring diagrams for your vehicle in the diagrams below.

Thanks,
Alex
2CarPros
Was this
answer
helpful?
Yes
No
+2
Wednesday, February 6th, 2019 AT 9:41 AM
Tiny
JDL
  • MECHANIC
  • 16,098 POSTS
With passlock it's the key tumbler that communicates with passlock, not the key. The passlock sensor if you if you want to word it that way, surrounds the key tumbler. A common problem is the wires to the sensor get loose.
Was this
answer
helpful?
Yes
No
Wednesday, February 6th, 2019 AT 9:53 AM
Tiny
GILLY69
  • MEMBER
  • 2 POSTS
Looking for the location of the security module/anti-theft.
Was this
answer
helpful?
Yes
No
Wednesday, February 6th, 2019 AT 10:15 AM
Tiny
JDL
  • MECHANIC
  • 16,098 POSTS
My friend did you see the diagram the other person posted, do you see the module you want? What we've talk about, that's all there is. Please let me know if you need more instructions/information. Thank you for using 2CarPros.
Was this
answer
helpful?
Yes
No
Wednesday, February 6th, 2019 AT 10:43 AM

Please login or register to post a reply.