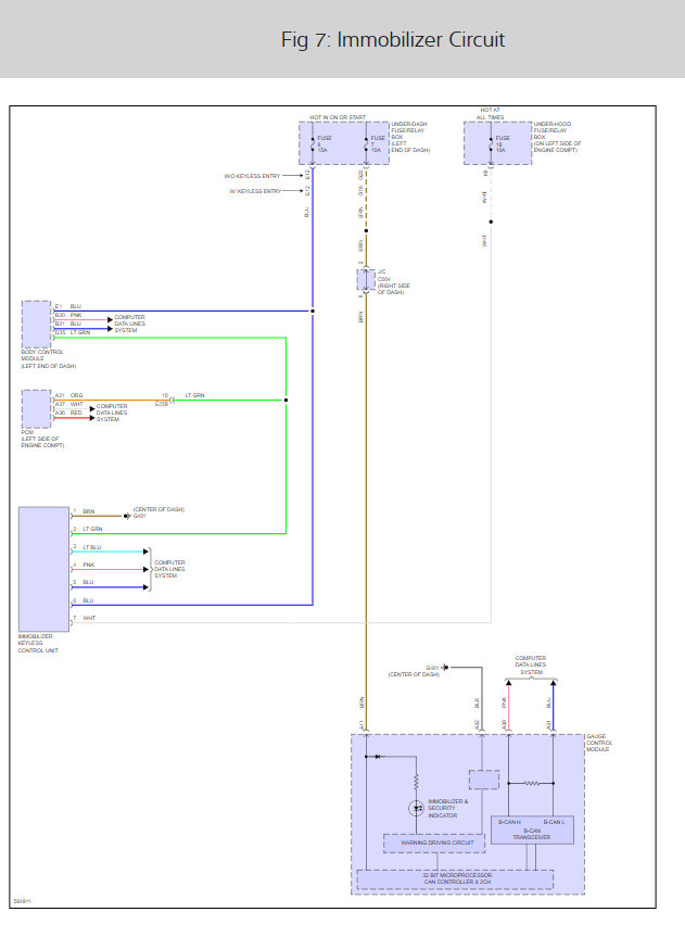
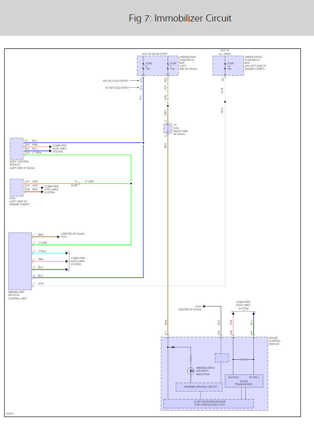
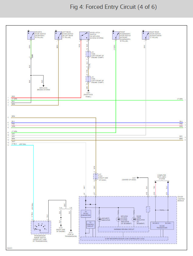
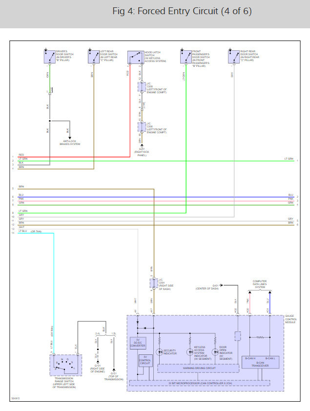
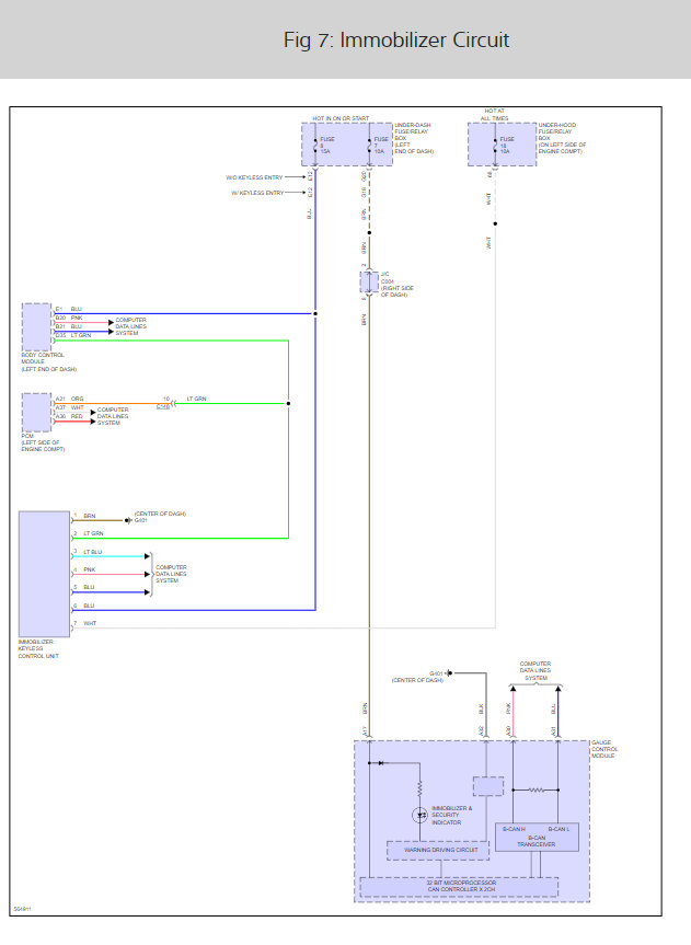
Key-less entry systems will not allow doors to lock if fob is inside vehicle. What if you wanted to lock yourself in for safety purposes and you have the fob with you?
May 25, 2018 at 7:47 PM








