Saturday, January 27th, 2024 AT 4:20 AM
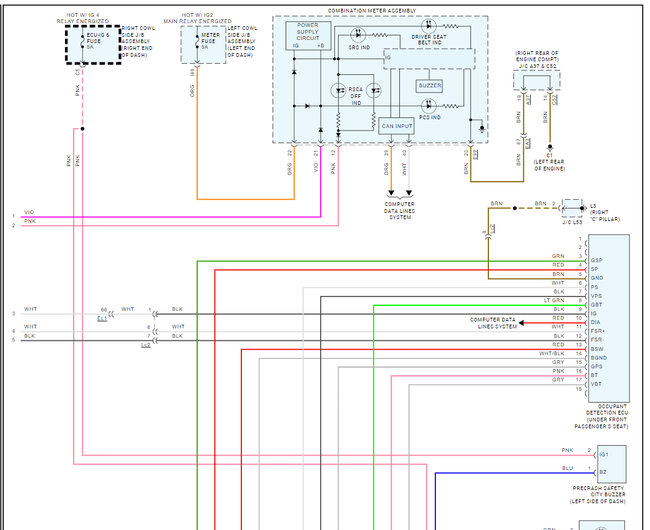
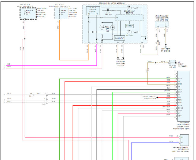
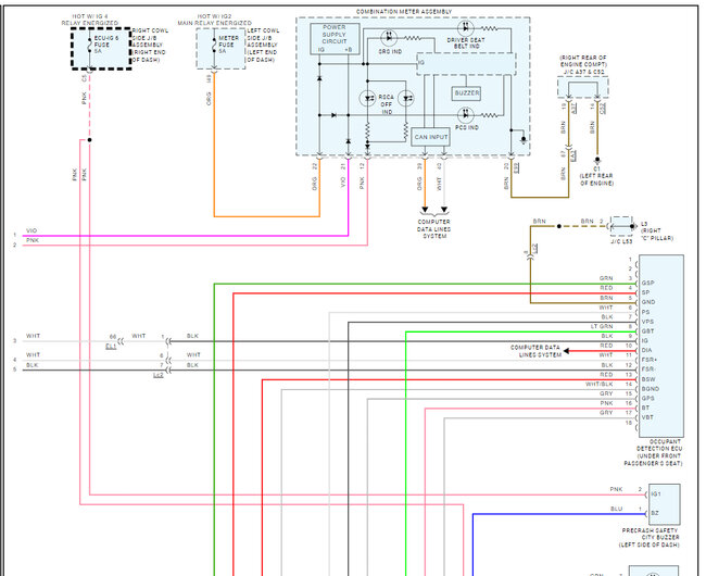
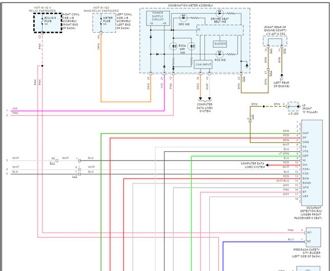
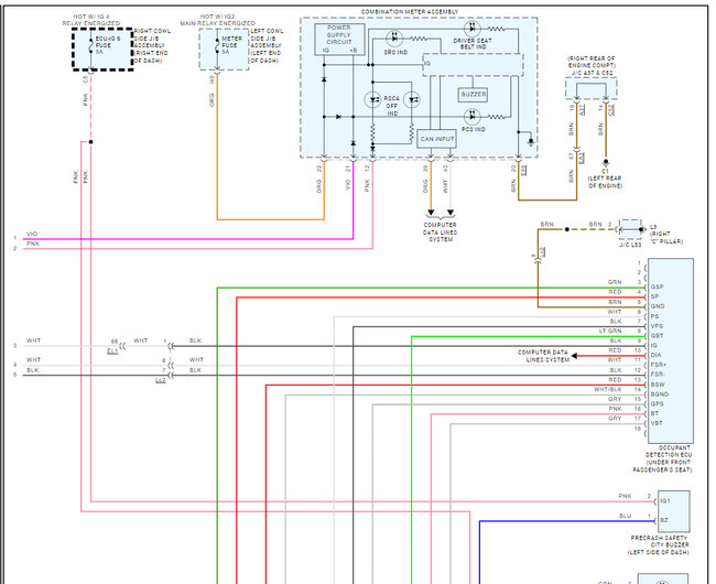
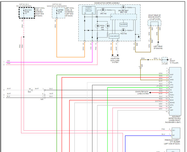
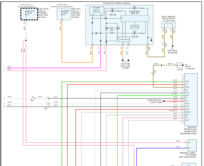
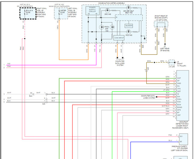
Can you help with the circuit diagram for Toyota Prado and Hilux. I want to pick the signal responsible for the Alarm on and off when seat belt is buckled or otherwise.






